GM Service Manual Online
For 1990-2009 cars only
Makes
🢒
Chevrolet
🢒
2001
🢒
Blazer - 4WD - RHD
🢒 Exterior Lights
Exterior Lights
Exterior Lights
Master Electrical Component List
Body Control System Description and Operation
Headlights
Interior Lamps
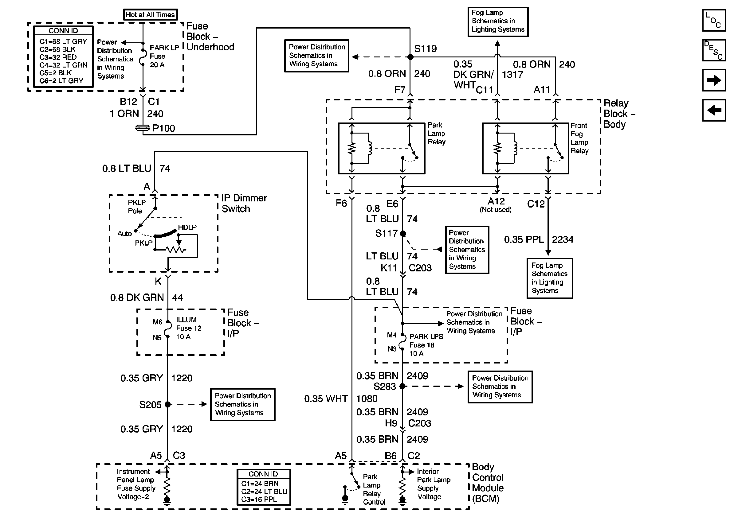
B+ Bus Bar
PARK LP, FR PRK, LR PRK, RR PRK, and TRL PRK Fuses
Fog Lamp Relay, Front
ILLUM and PARK LP Fuses
PARK LP, FR PRK, LR PRK, RR PRK, and TRL PRK Fuses
ILLUM and PARK LP Fuses
Fog Lamp Relay, Front
ILLUM and PARK LP Fuses