GM Service Manual Online
For 1990-2009 cars only
Makes
🢒
Chevrolet
🢒
2001
🢒
Blazer - 4WD - RHD
🢒 Power
Power
Power
Master Electrical Component List
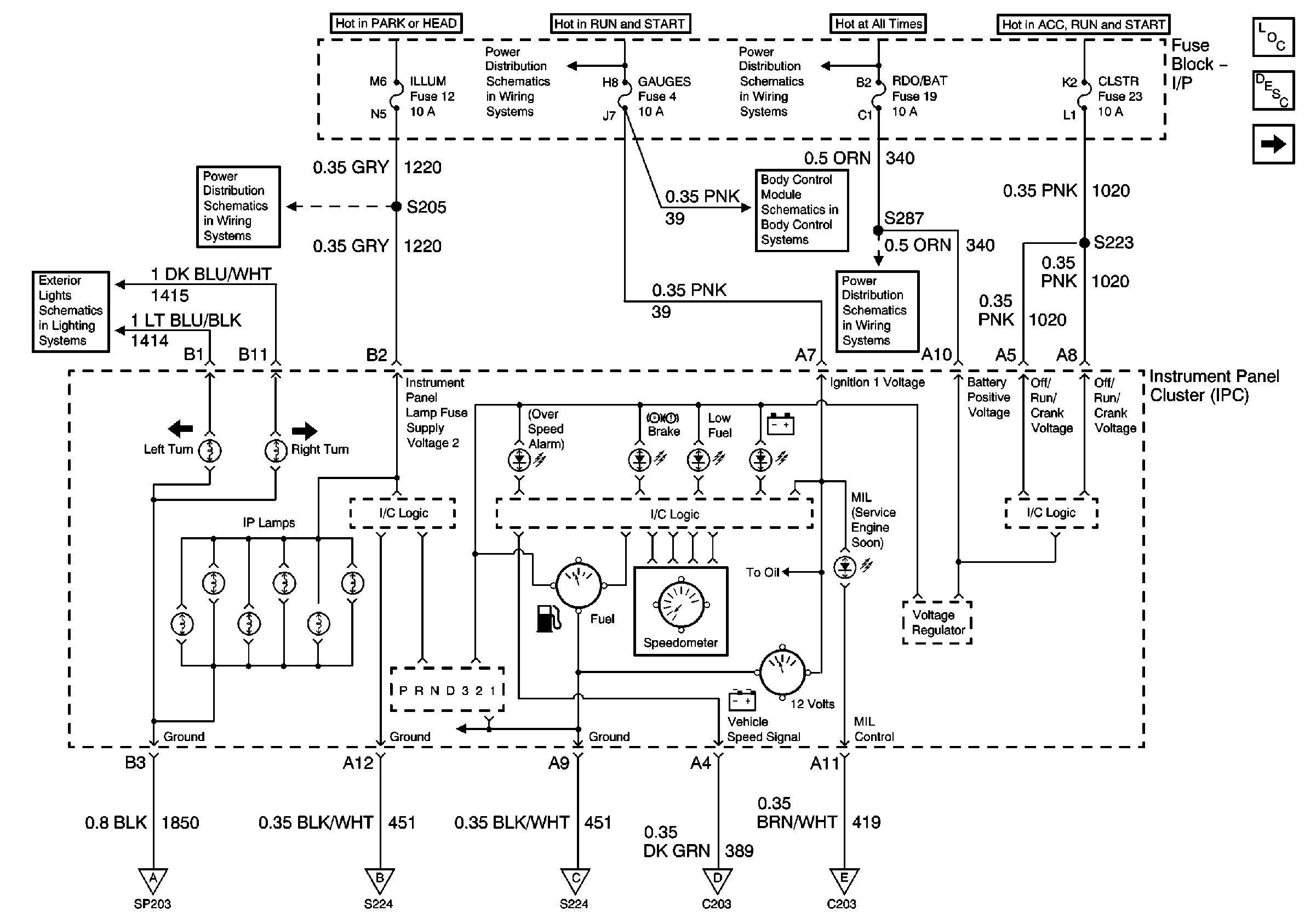
Instrument Cluster Description and Operation
Data Link Connector (DLC), VCM and Engine Oil Pressure Gauge Sensor
Ign START, RUN and ACC Bus Bar
RDO BAT and AUX PWR Fuses
ILLUM and PARK LP Fuses
Hazard Switch, TURN, and HAZ LP Fuses
Power and Ground
RDO BAT and AUX PWR Fuses
Data Link Connector (DLC), VCM and Engine Oil Pressure Gauge Sensor
Data Link Connector (DLC), VCM and Engine Oil Pressure Gauge Sensor
Ground and VCM
Ground and VCM
Ground and VCM
Ground and VCM
Ground and VCM