GM Service Manual Online
For 1990-2009 cars only
Makes
🢒
Chevrolet
🢒
2001
🢒
Blazer - 4WD - RHD
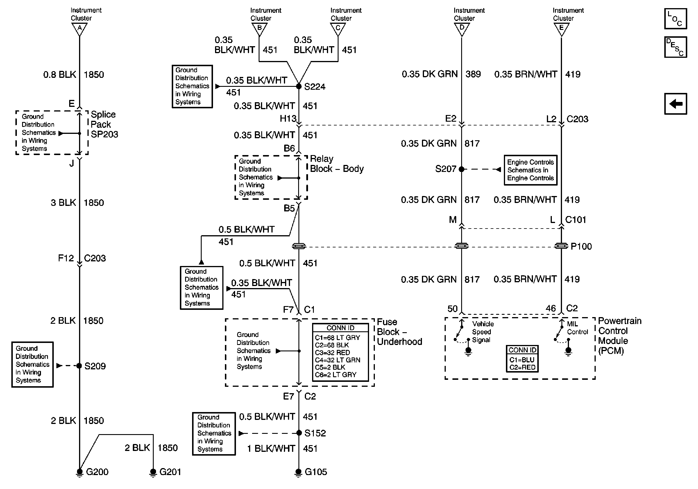
🢒 Ground and VCM
Ground and VCM
Ground and VCM
Master Electrical Component List
Instrument Cluster Description and Operation
Data Link Connector (DLC), VCM and Engine Oil Pressure Gauge Sensor
Power
Power
Power
Power
SP203
G103 and G105
G103 and G105
Vehicle Speed Outputs and Overhead Console Link
G103 and G105
G200 and G201
G103 and G105
G103 and G105