GM Service Manual Online
For 1990-2009 cars only
Makes
🢒
Chevrolet
🢒
2002
🢒
Blazer - 4WD - RHD
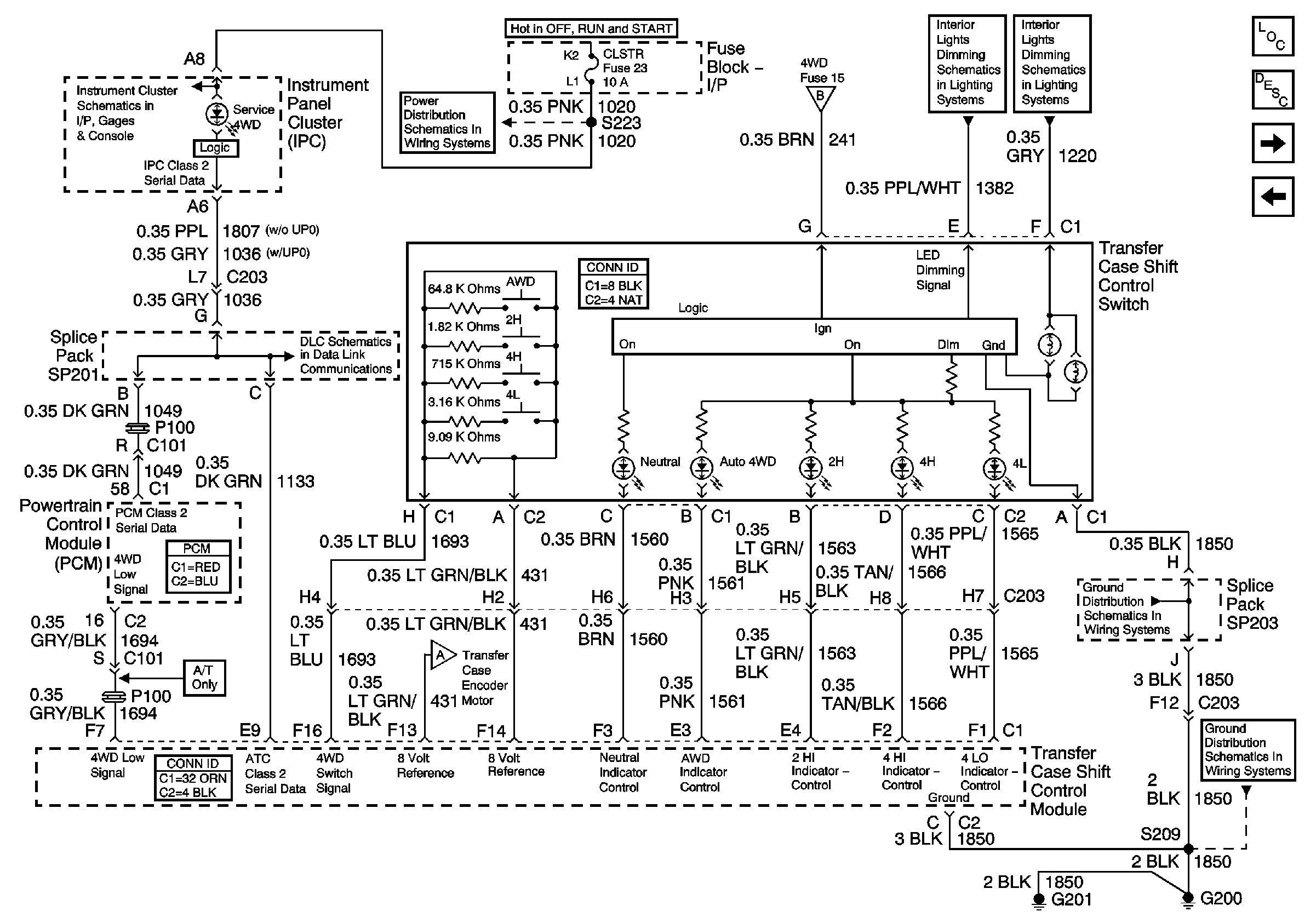
🢒 Transfer Case Shift Control Switch
Transfer Case Shift Control Switch
Transfer Case Shift Control Switch
Master Electrical Component List
Transfer Case Description and Operation
Propshaft Speed Sensors, Front Axle Vacuum Solenoid
Transfer Code Encoder Motor
Data Link Connector (DLC), PCM and Engine Oil Pressure Gauge Sensor
Splice Pack SP201 and Modules
CLSTR Fuse
Transfer Code Encoder Motor
Transfer Code Encoder Motor
LED Dimming
Hazard Switch, Radio, Instrument Panel Cluster (IPC) and Ground
SP203
G200 and G201