GM Service Manual Online
For 1990-2009 cars only
Makes
🢒
Chevrolet
🢒
2007
🢒
Caprice WM
🢒
Engine
🢒
Engine Electrical
🢒 Starting and Charging Schematics
Figure
1:
Battery, Starter and Ignition Switch, Inputs and Outputs
Master Electrical Component List
Charging System Description and Operation
Control Module References
Battery Current Sensor and Generator, Inputs and Outputs
G401 and G409
G101 and G102
G103, G106, G107, G108 and G109 (3.6L)
G103, G106, G107, G108 and G109 (3.6L)
G201 - 1 of 2
B+ Bus - 1 of 2
B+ Bus - 1 of 2
Batt Main 4, BCM Logic, Console Lighting, IGNSW/Theft and Stop Lamps/Park Assist Fuses and Ignition Switch
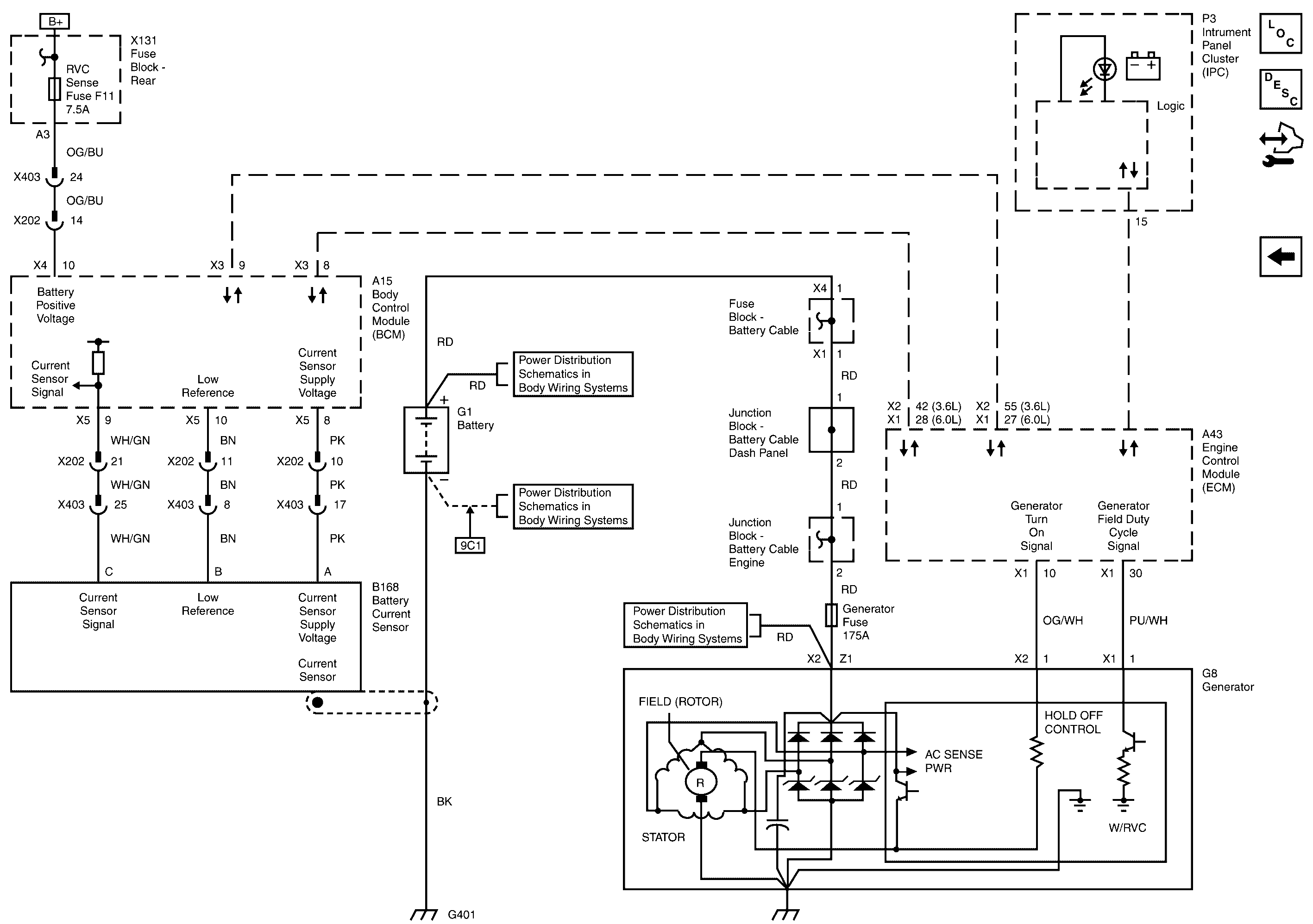
Figure
2:
Battery Current Sensor and Generator, Inputs and Outputs
Master Electrical Component List
Charging System Description and Operation
Control Module References
Battery, Starter and Ignition Switch, Inputs and Outputs
G401 and G409
B+ Bus - 1 of 2
B+ Bus - 1 of 2
B+ Bus - 1 of 2