GM Service Manual Online
For 1990-2009 cars only
Makes
🢒
Chevrolet
🢒
2007
🢒
Caprice WM
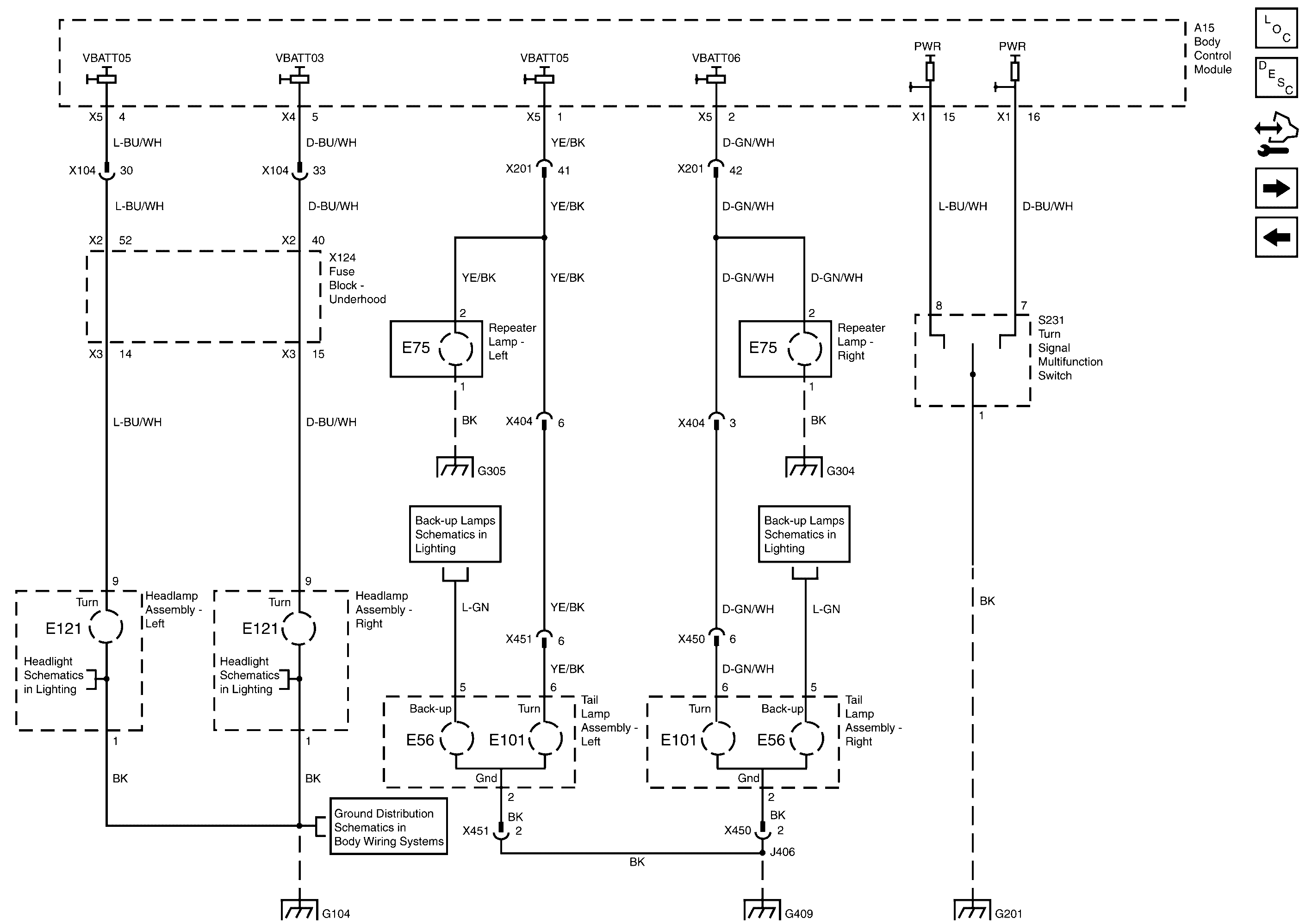
🢒 Turn Signal Multifunction Switch, Front, Side and Rear Repeater Lamps Power and Ground
Turn Signal Multifunction Switch, Front, Side and Rear Repeater Lamps Power and Ground
Turn Signal Multifunction Switch, Front, Side and Rear Repeater Lamps Power and Ground
Master Electrical Component List
Exterior Lighting Systems Description and Operation CSV SWBHSV
Control Module References
Stop Lamps Power and Ground
Ignition Key Cylinder Lamp, Courtesy Lamps, Compartment Lamps and Sunshade Lamps, Power and Ground
G303 and G304 - 1 of 2
G303 and G304 - 2 of 2 and G305 - 1 of 2
G104
G401 and G409
Backup Lamps Power and Ground
Backup Lamps Power and Ground
G101 and G102
G201 - 2 of 2