GM Service Manual Online
For 1990-2009 cars only
Makes
🢒
Chevrolet
🢒
2001
🢒
Chevy C Cab/Chassis HD (GMT 400)
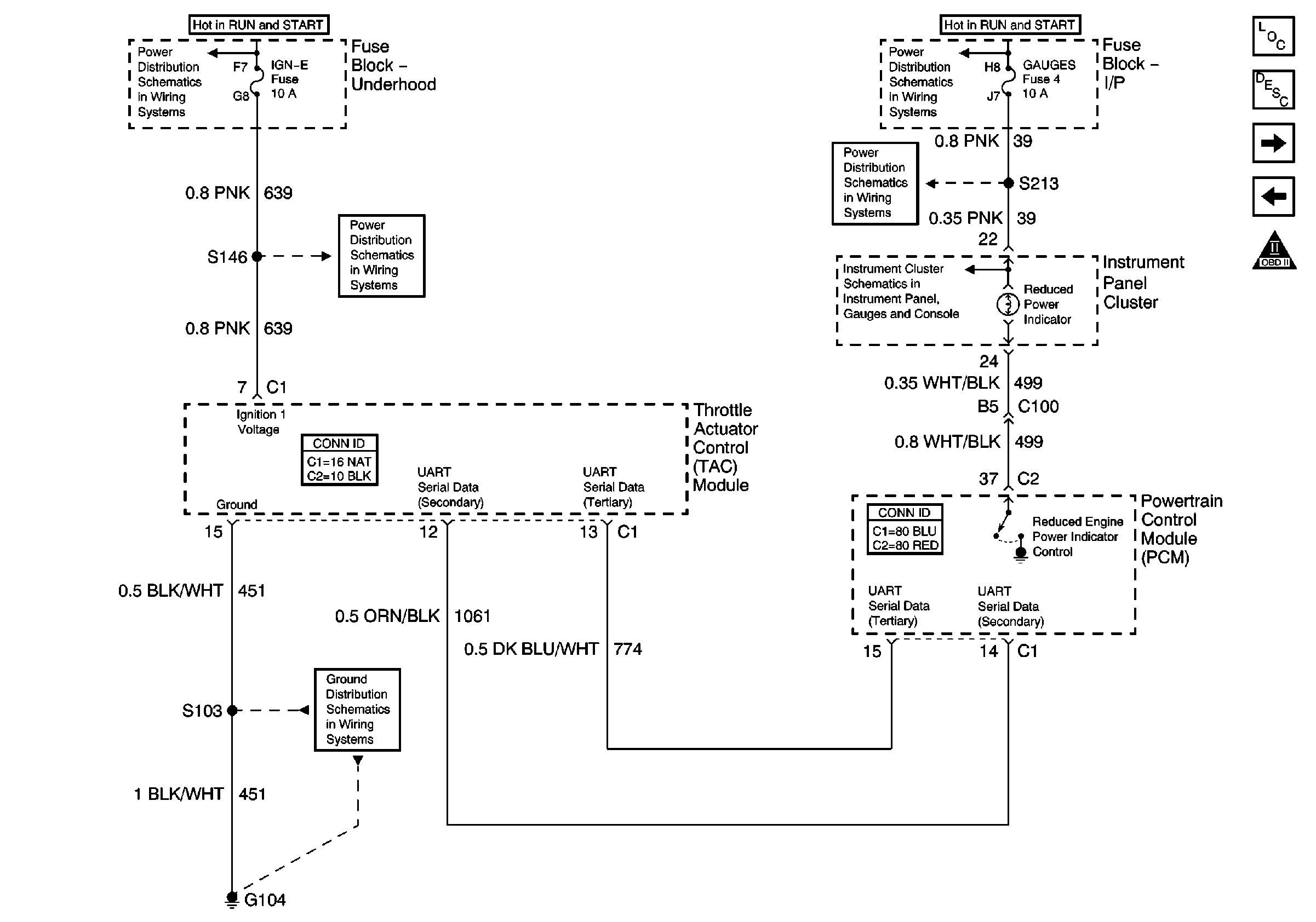
🢒 TAC Power, Grounding, Data Circuits, and Indicator Control
TAC Power, Grounding, Data Circuits, and Indicator Control
TAC Power, Grounding, Data Circuits, and Indicator Control
Master Electrical Component List
Throttle Actuator Control (TAC) System Description
Throttle Control Circuits
EVAP and EGR
OBD II Symbol Description Notice
IGN A Fuse and Ignition Switch
ENG I and IGN-E Fuse - L18
G104, L18, 1 of 2, All Except HO2S Circuit
IGN A Fuse and Ignition Switch
Gauges Fuse and Turn-B/U Fuse
Indicators and Illumination Lamps