GM Service Manual Online
For 1990-2009 cars only
Makes
🢒
Chevrolet
🢒
2001
🢒
Chevy C Cab/Chassis HD (GMT 400)
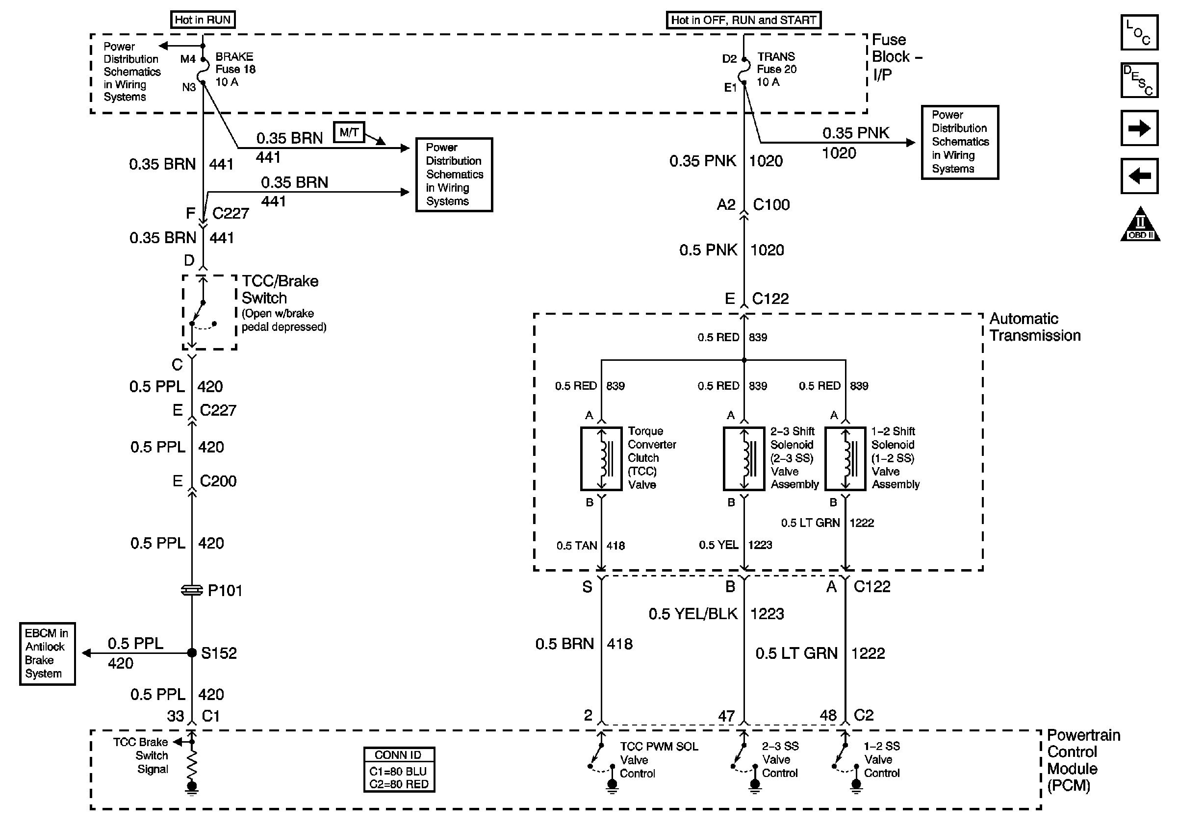
🢒 A/T TCC/Stop Lamp Switch, Shift Solenoids
A/T TCC/Stop Lamp Switch, Shift Solenoids
A/T TCC/Stop Lamp Switch, Shift Solenoids
Master Electrical Component List
Electronic Component Description
A/T Internal Switches, TFT, PC Solenoid Valve
PTO Control Provisions
OBD II Symbol Description Notice
ABS, Blower, Stop-Haz, and IGN B Fuses, and Ignition Switch
Brake, Cruise, SEO TP-2, and Htr-A/C Fuses
IGN A Fuse and Ignition Switch
Pwr Wdos Circuit Breaker, Wiper, Radio, Clock, and Trans Fuses
EBCM Stoplamp Switch and Wheel Speed Inputs