GM Service Manual Online
For 1990-2009 cars only
Makes
🢒
Chevrolet
🢒
2001
🢒
Chevy C Cab/Chassis HD (GMT 400)
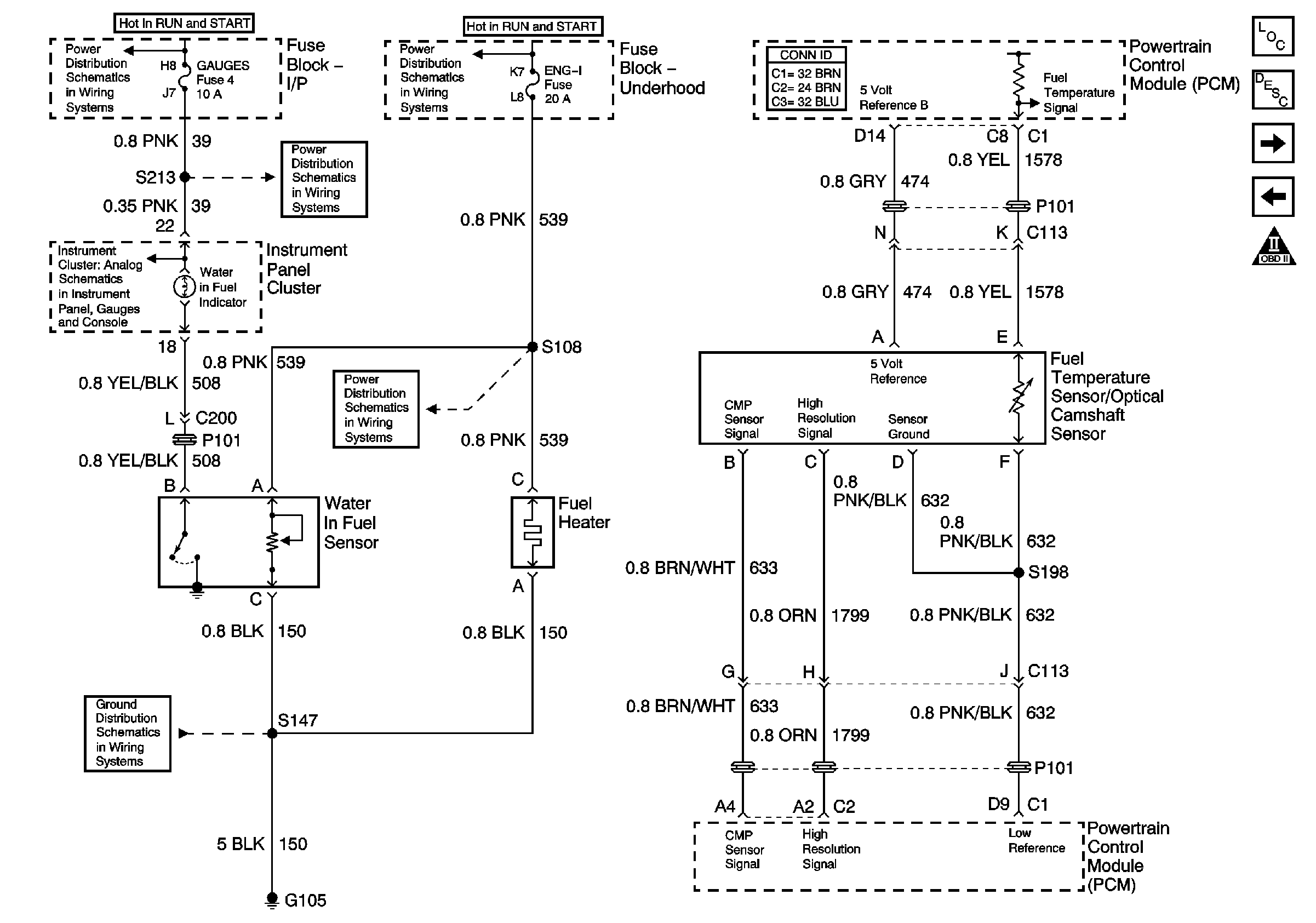
🢒 Fuel Heater, Water-in-Fuel Sensor, and Fuel Temperature Sensor
Fuel Heater, Water-in-Fuel Sensor, and Fuel Temperature Sensor
Fuel Heater, Water-in-Fuel Sensor, and Fuel Temperature Sensor
Master Electrical Component List
Fuel Solenoid Driver and Engine Shut Off Solenoid
Fuel Pump Controls, Dual Tanks
OBD II Symbol Description Notice
IGN A Fuse and Ignition Switch
Indicators and Illumination Lamps
Gauges Fuse and Turn-B/U Fuse
IGN A Fuse and Ignition Switch
ENG-I and ECM-I Fuses (L65)
G105 and G106 (L65 Except Frame Ground)