GM Service Manual Online
For 1990-2009 cars only
Makes
🢒
Chevrolet
🢒
2001
🢒
Chevy C Cab/Chassis HD (GMT 400)
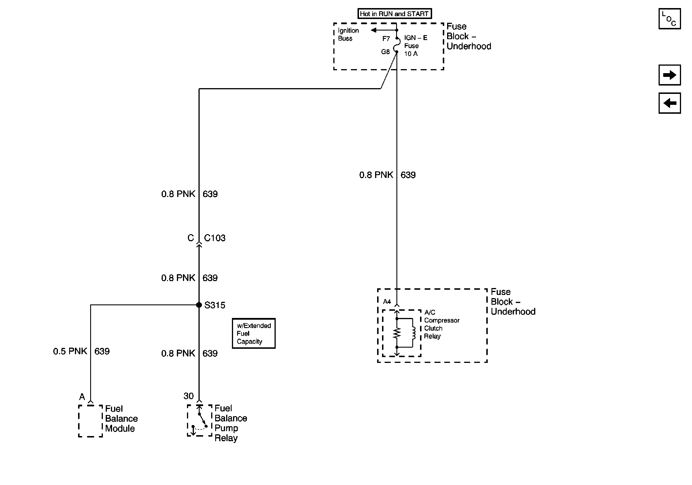
🢒 IGN-E Fuse - L65
IGN-E Fuse - L65
IGN-E Fuse -- L65
IGN A Fuse and Ignition Switch
Master Electrical Component List
ECM-I Fuse, 1 of 2, Fuel Injectors
ENG I and IGN-E Fuse - L18