GM Service Manual Online
For 1990-2009 cars only
Makes
🢒
Chevrolet
🢒
2001
🢒
Chevy C Cab/Chassis HD (GMT 400)
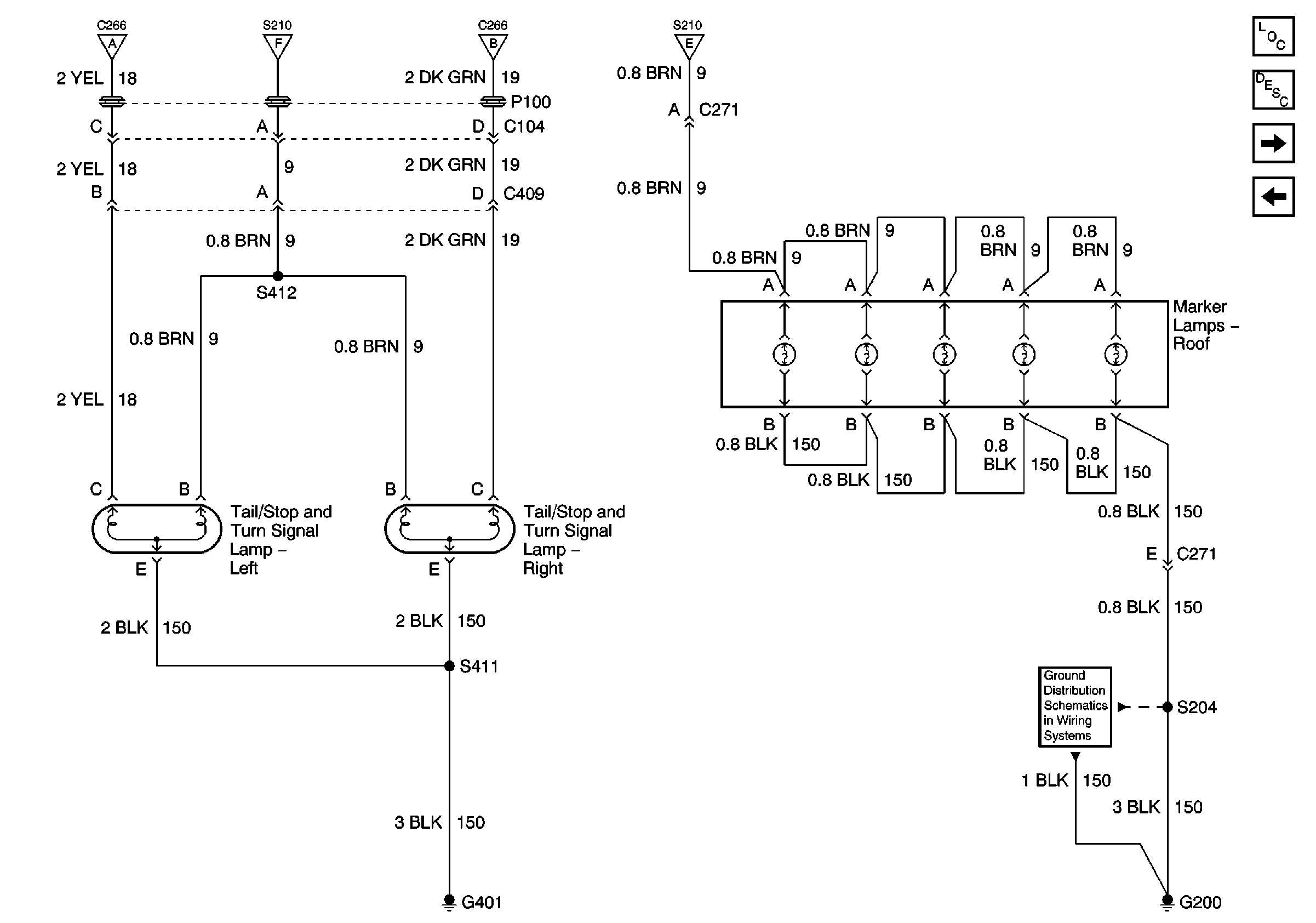
🢒 Tail Lamps, Stop/Turn Lamps, Roof Marker Lights
Tail Lamps, Stop/Turn Lamps, Roof Marker Lights
Tail Lamps, Stop/Turn Lamps, Roof Marker Lights
Master Electrical Component List
Exterior Lighting Systems Description and Operation
Backup Lamps Circuits
Park Lamps Control, Front Park, Turn, and Side Marker Lamps
Stop and Turn/Hazard Lamps Controls
Park Lamps Control, Front Park, Turn, and Side Marker Lamps
Stop and Turn/Hazard Lamps Controls
Park Lamps Control, Front Park, Turn, and Side Marker Lamps
G200