GM Service Manual Online
For 1990-2009 cars only
Makes
🢒
Chevrolet
🢒
2001
🢒
Chevy C Cab/Chassis HD (GMT 400)
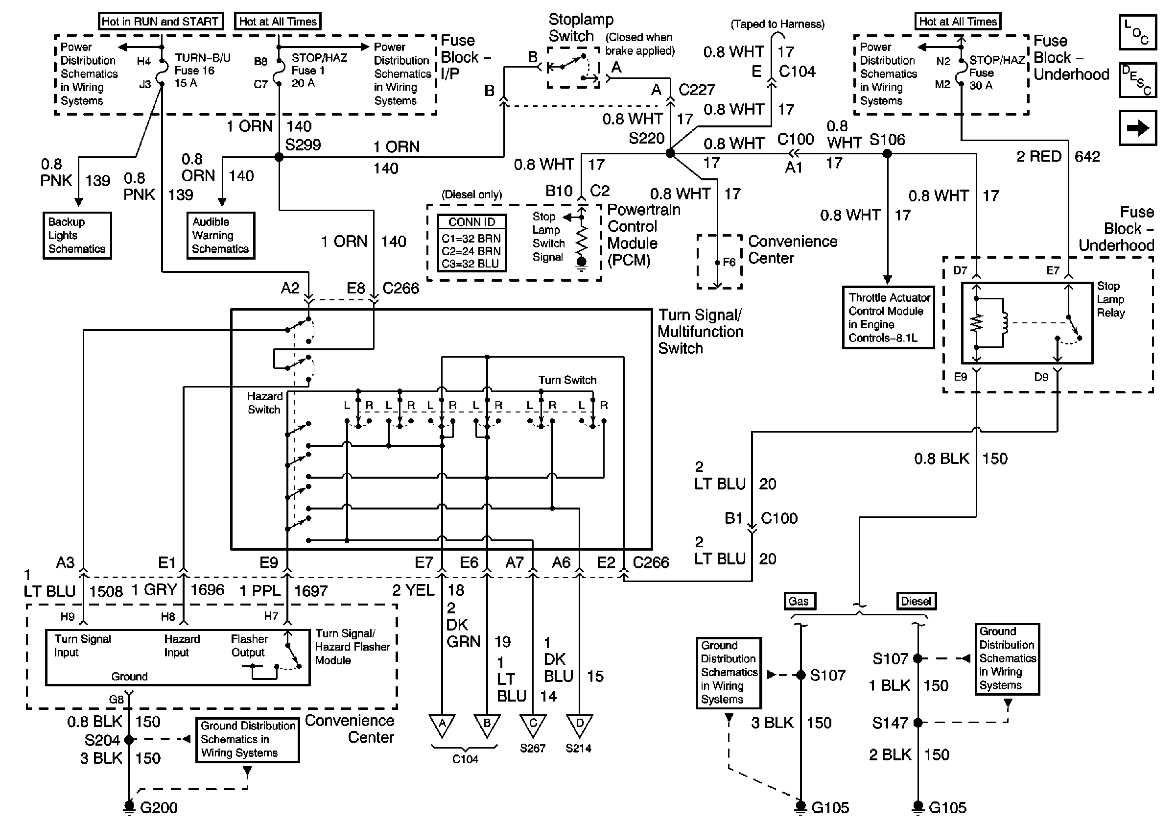
🢒 Stop and Turn/Hazard Lamps Controls
Stop and Turn/Hazard Lamps Controls
Stop and Turn/Hazard Lamps Controls
Master Electrical Component List
Exterior Lighting Systems Description and Operation
Park Lamps Control, Front Park, Turn, and Side Marker Lamps
Backup Lamps Circuits
IGN A Fuse and Ignition Switch
Stop/Haz, Radio Batt, Aux Pwr, and Cig Ltr Fuses
Lighting and Battery Fuses
ABS, Blower, Stop-Haz, and IGN B Fuses, and Ignition Switch
TAC Cruise Control Inputs
G105, L18, 1 of 2, All Except Ignition Coils
G105 and G106 (L65 Except Frame Ground)
Park Lamps Control, Front Park, Turn, and Side Marker Lamps
Tail Lamps, Stop/Turn Lamps, Roof Marker Lights
G200