GM Service Manual Online
For 1990-2009 cars only
Makes
🢒
Chevrolet
🢒
2001
🢒
Chevy C Cab/Chassis HD (GMT 400)
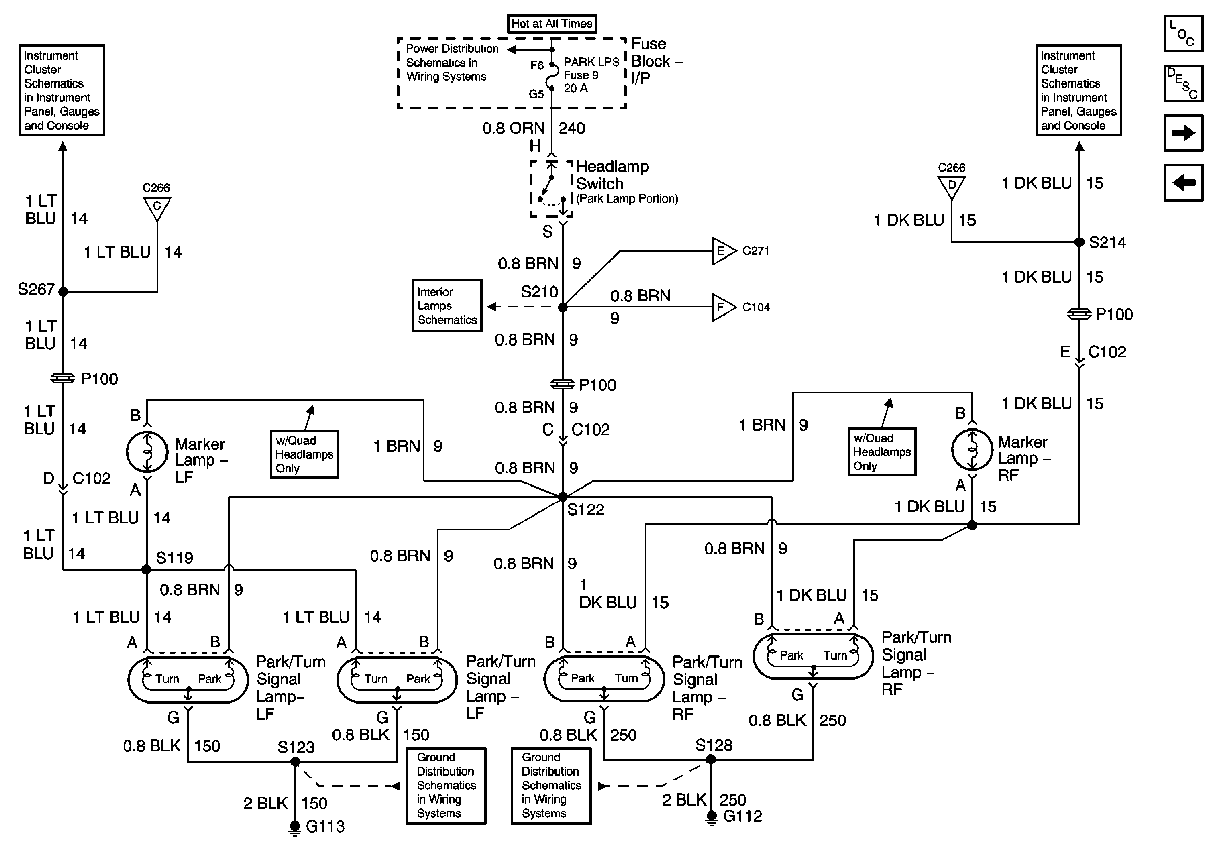
🢒 Park Lamps Control, Front Park, Turn, and Side Marker Lamps
Park Lamps Control, Front Park, Turn, and Side Marker Lamps
Park Lamps Control, Front Park, Turn, and Side Marker Lamps
Master Electrical Component List
Exterior Lighting Systems Description and Operation
Tail Lamps, Stop/Turn Lamps, Roof Marker Lights
Stop and Turn/Hazard Lamps Controls
Indicators and Illumination Lamps
Stop and Turn/Hazard Lamps Controls
Park Lamps and Illumination Fuses
Ashtray Lamp, Power Window and Door Lock Controls Illumination
Lighting and Battery Fuses
Tail Lamps, Stop/Turn Lamps, Roof Marker Lights
Stop and Turn/Hazard Lamps Controls
Indicators and Illumination Lamps
G112, Lights, Right Side
L18 Charging