GM Service Manual Online
For 1990-2009 cars only
Makes
🢒
Chevrolet
🢒
2000
🢒
Chevy C Pickup - 2WD
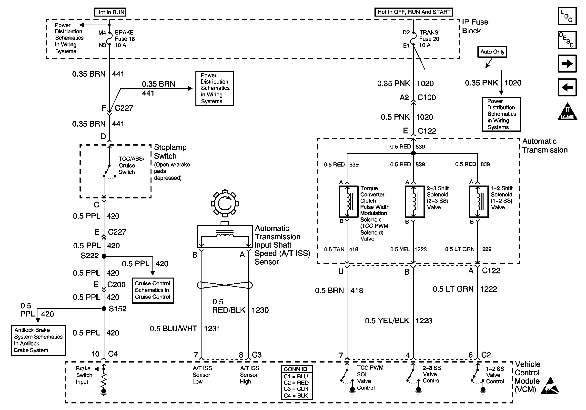
🢒 4L80-E Shift Solenoids, TCC/Stoplamps Switch and TISS
4L80-E Shift Solenoids, TCC/Stoplamps Switch and TISS
4L80-E Shift Solenoids, TCC/Stoplamps Switch and TISS
Engine Controls Components
Electronic Component Description
A/T Internal Switches, TFT, PC Solenoid (Both Transmissions)
4L60-E Shift Solenoids, TCC/Stoplamps Switch
OBD II Symbol Description Notice
Cruise Control and Stoplamp Switches (Gas Engine)
VSS, TCC Signal and Brake Indicator (Gas)
Handling ESD Sensitive Parts Notice
IGN B Fuse and Ignition Switch
BRAKE and HTR-A/C Fuses
AIR BAG, TURN B/U, CRANK, and TRANS Fuses
IGN A Fuse and Ignition Switch