GM Service Manual Online
For 1990-2009 cars only
Makes
🢒
Chevrolet
🢒
2000
🢒
Chevy C Pickup - 2WD
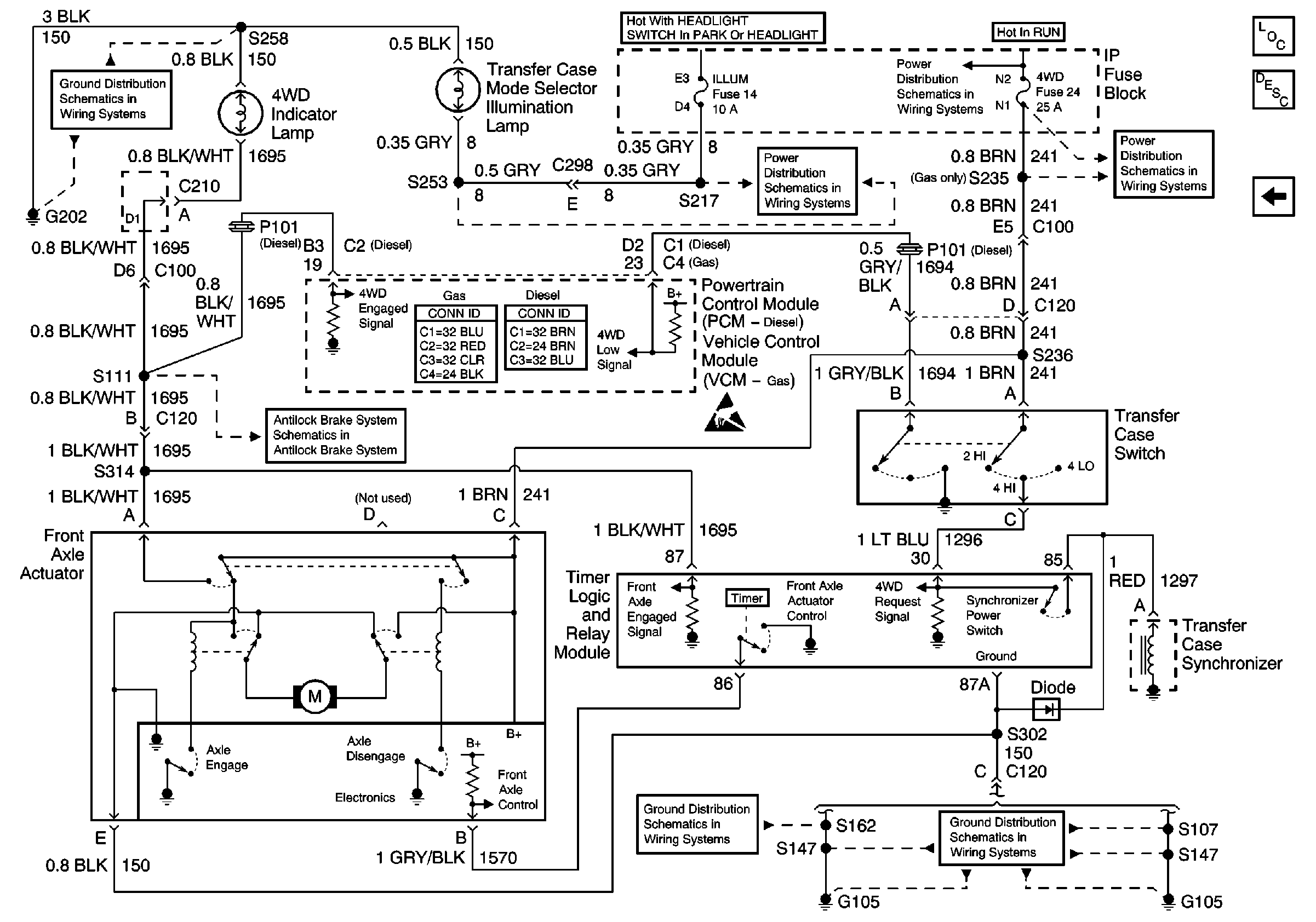
🢒 BW Transfer Case Circuit - Automatic Transmission
BW Transfer Case Circuit - Automatic Transmission
BW Transfer Case Circuit -- Automatic Transmission
Transfer Case Control Components
Transfer Case Description
BW Transfer Case Circuit - Manual Transmission
G202 (2 of 4)
Indicator Control and Wheel Speed Sensors
SECURITY/STRG, PK LPS, and DRL-FOG Fuses
ILLUM Fuse
IGN B Fuse and Ignition Switch
CRUISE and 4WD Fuses
G105 (1 of 2)
G105 (2 of 2)