GM Service Manual Online
For 1990-2009 cars only
Makes
🢒
Chevrolet
🢒
2000
🢒
Chevy C Pickup - 2WD
🢒 Passlock ™
Passlock ™
Passlockā¢
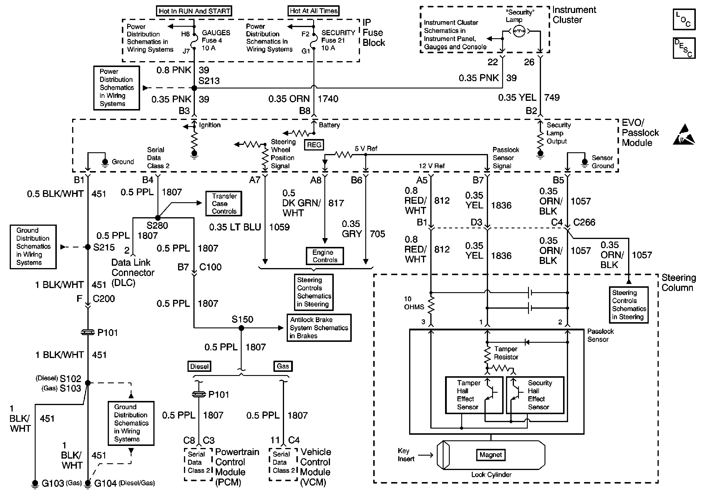
Theft Deterrent System Components
Vehicle Theft Deterrent (VTD)Circuit Description
Handling ESD Sensitive Parts Notice
GAUGES Fuse
T CASE, and CTSY Fuses (1 of 2)
Indicator Lamps (Diesel Only)
G103 and G104
Shift Control Module Power, Ground, DLC, and Service 4WD Indicator
VSS and Cruise Controls
Variable Effort Steering (00C/K)
VSS, TCC Signal and Brake Indicator (Gas)
G103 and G104
Variable Effort Steering (00C/K)