GM Service Manual Online
For 1990-2009 cars only
Makes
🢒
Chevrolet
🢒
2000
🢒
Chevy C Pickup - 2WD
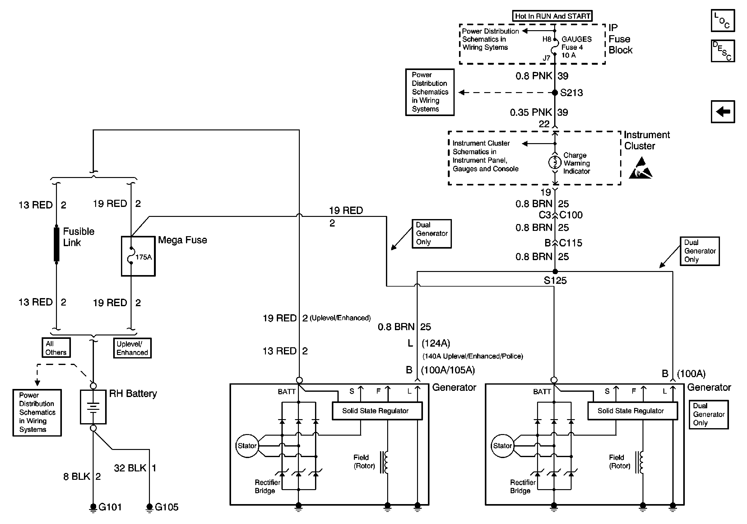
🢒 Generator Controls (Diesel)
Generator Controls (Diesel)
Generator Controls (Diesel)
Engine Electrical Components
Charging System Circuit Description
Generator Controls (Gas)
GAUGES Fuse
GAUGES Fuse
Indicator Lamps
Battery, and Underhood Fuse Block