GM Service Manual Online
For 1990-2009 cars only
Makes
🢒
Chevrolet
🢒
2000
🢒
Chevy C Pickup - 2WD
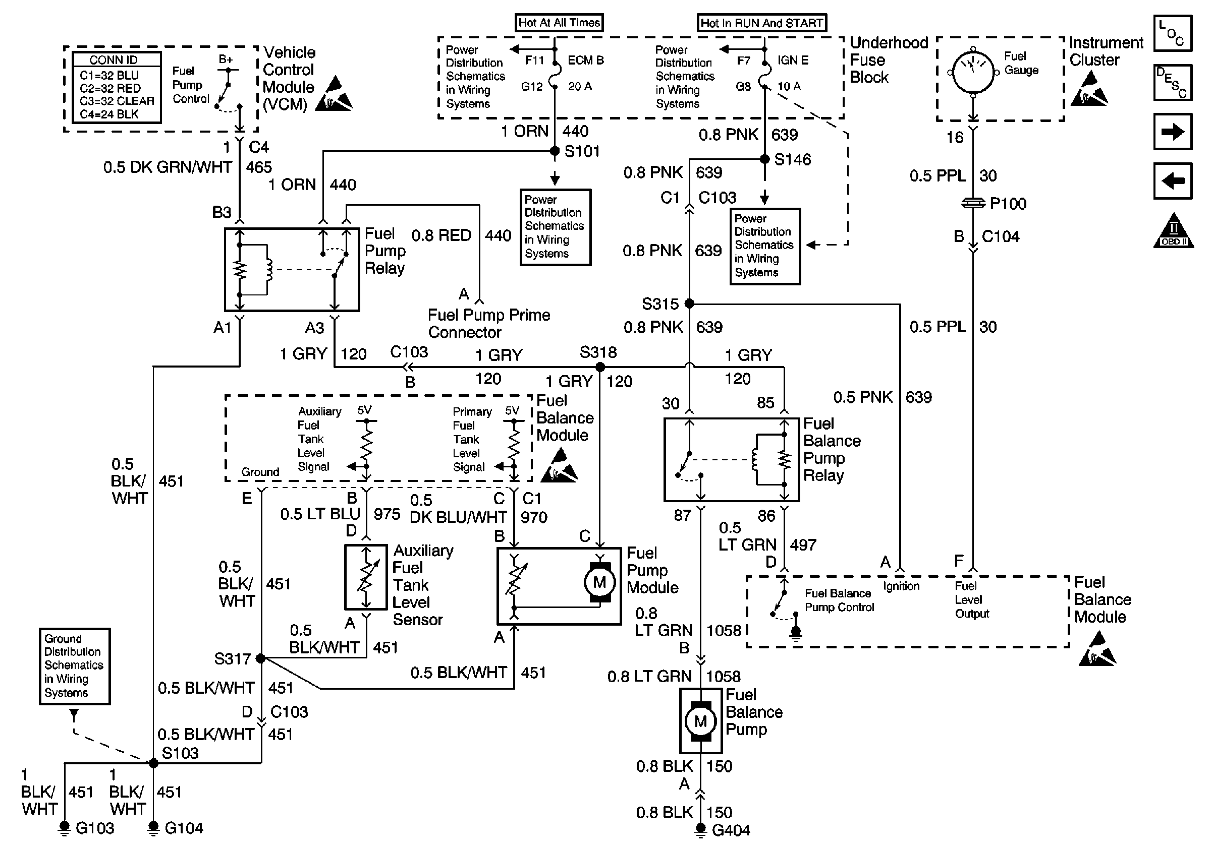
🢒 EXPORT-Fuel Pump Control, Dual Tanks
EXPORT-Fuel Pump Control, Dual Tanks
EXPORT--Fuel Pump Control, Dual Tanks
Engine Controls Components
Fuel Supply Component Description
Fuel Injector Controls
EXPORT-Fuel Pump Control, Single Tank
OBD II Symbol Description Notice
G103 and G104
Handling ESD Sensitive Parts Notice
Battery, and Underhood Fuse Block
ECM-B, HORN and A/C COMP Fuses
IGN A Fuse and Ignition Switch
IGN E Fuse
Handling ESD Sensitive Parts Notice
Handling ESD Sensitive Parts Notice