GM Service Manual Online
For 1990-2009 cars only
Makes
🢒
Chevrolet
🢒
2002
🢒
Chevy C Silverado - 2WD
🢒 Engine Data Sensors - Pressure, Temperature, and VSS
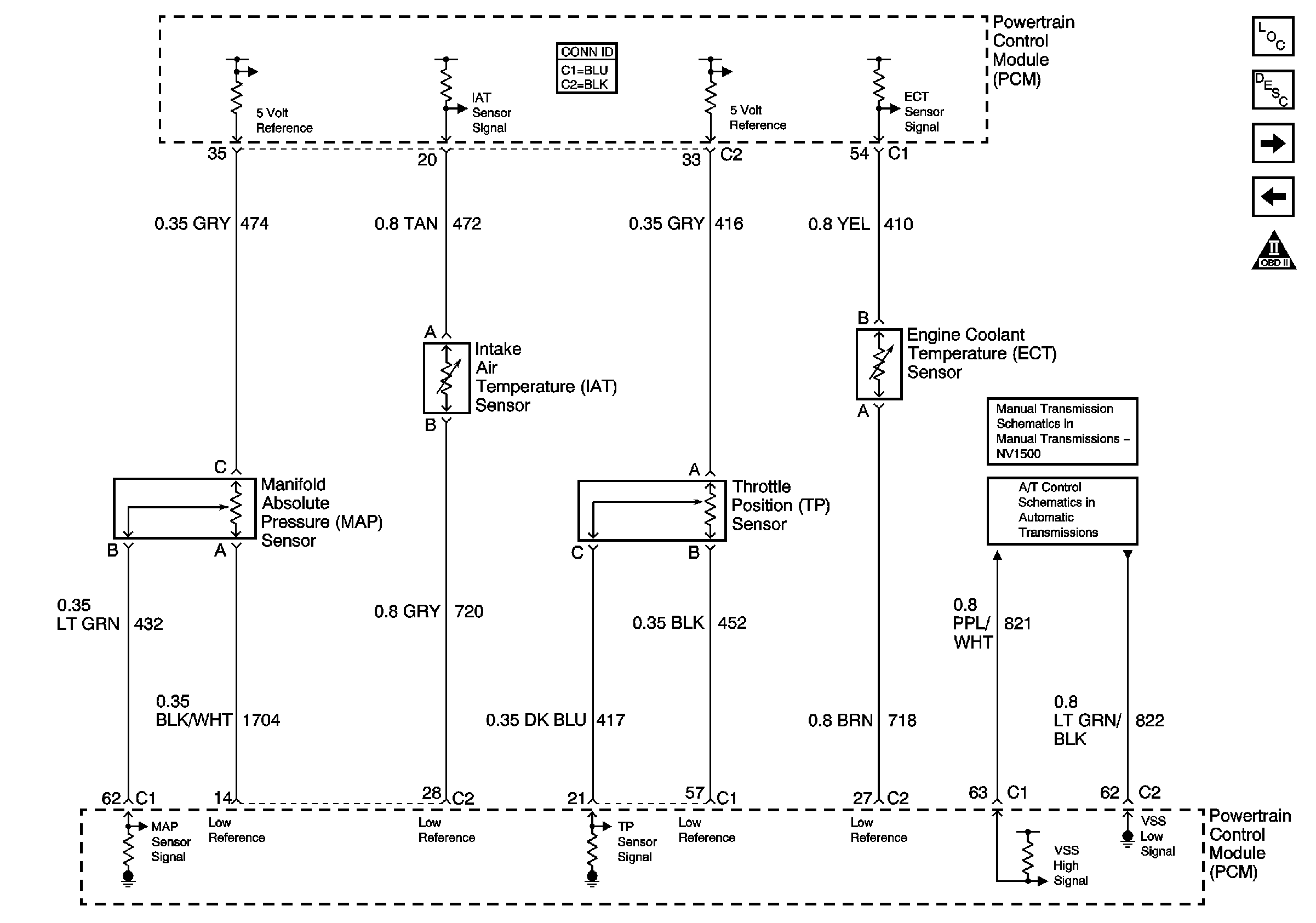
Engine Data Sensors - Pressure, Temperature, and VSS
Engine Data Sensors - Pressure, Temperature and VSS
Master Electrical Component List
Powertrain Control Module Description
Oxygen Sensors
Module Power, Ground, Serial Data, and MIL
OBD II Symbol Description Notice
Manual Transmission - NV1500
Brake Switch, VSS Inputs (2.2L)