GM Service Manual Online
For 1990-2009 cars only
Makes
🢒
Chevrolet
🢒
2002
🢒
Chevy C Silverado - 2WD
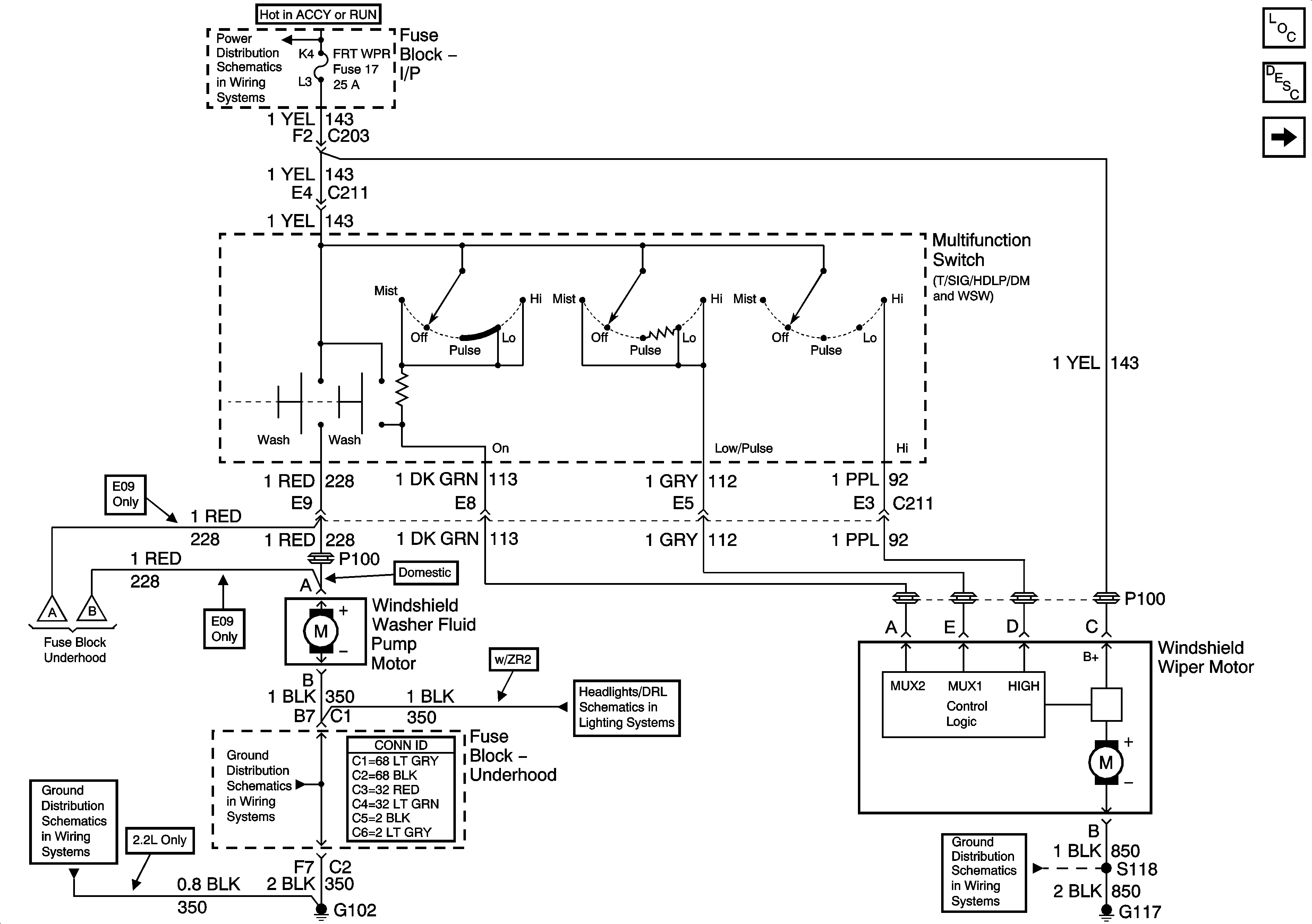
🢒 Pulse Wipers
Pulse Wipers
Pulse Wipers
Master Electrical Component List
Wiper/Washer System Description and Operation
Rear Wipers
Ign ACC, RUN and RAP Bus Bar
Headlamp Washer System (Export Only)
G102 (Except Export)
G102 (Except Export)
Flash-To-Pass Switch, DRL Relay (ZR2) and BCM
G104 and G117