GM Service Manual Online
For 1990-2009 cars only
Makes
🢒
Chevrolet
🢒
2002
🢒
Chevy C Silverado - 2WD
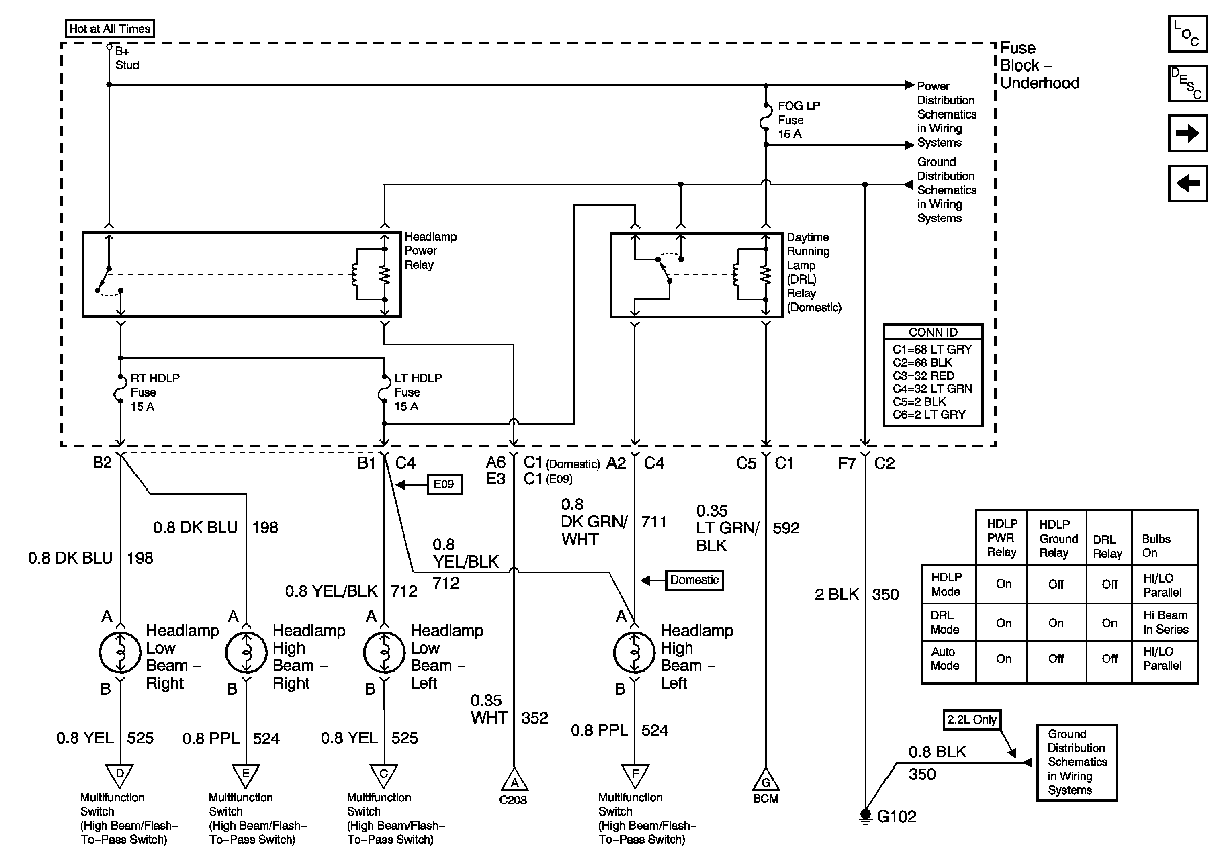
🢒 DRL and Headlamp Power Relays
DRL and Headlamp Power Relays
DRL and Headlamp Power Relays
Master Electrical Component List
Exterior Lighting Systems Description and Operation
Headlamp Grounding Relay and BCM
Headlamp Switch, Ambient Light Sensor and BCM
B+ Bus Bar
G102 (Except Export)
Flash-To-Pass Switch, DRL Relay (ZR2) and BCM
Headlamp Switch, Ambient Light Sensor and BCM
Flash-To-Pass Switch, DRL Relay (ZR2) and BCM
Headlamp Grounding Relay and BCM
G102 (Except Export)