GM Service Manual Online
For 1990-2009 cars only
Makes
🢒
Chevrolet
🢒
2002
🢒
Chevy C Silverado - 2WD
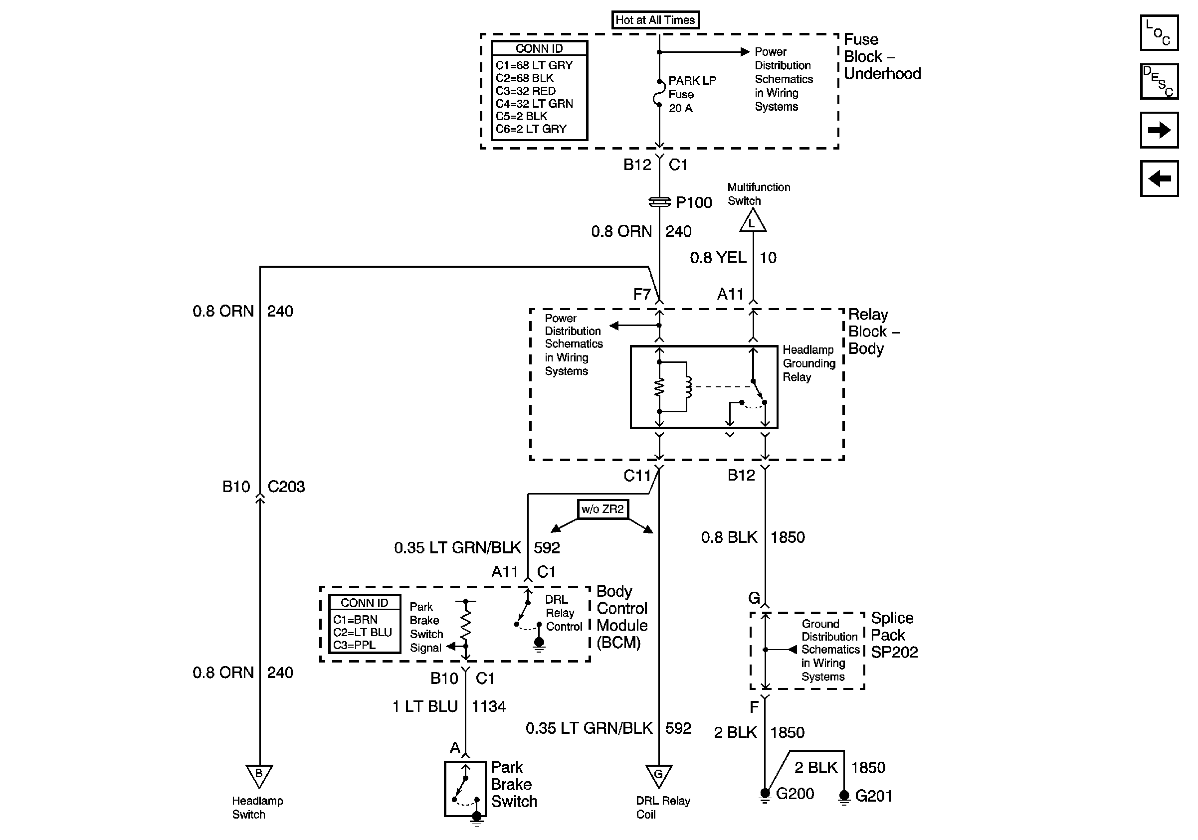
🢒 Headlamp Grounding Relay and BCM
Headlamp Grounding Relay and BCM
Headlamp Grounding Relay and BCM
Master Electrical Component List
Exterior Lighting Systems Description and Operation
Flash-To-Pass Switch, DRL Relay (ZR2) and BCM
DRL and Headlamp Power Relays
B+ Bus Bar
Flash-To-Pass Switch, DRL Relay (ZR2) and BCM
ILLUM and PARK LP Fuses
G200, G201 and G207 (Pickup and Crew Cab)
Headlamp Switch, Ambient Light Sensor and BCM
DRL and Headlamp Power Relays