GM Service Manual Online
For 1990-2009 cars only
Makes
🢒
Chevrolet
🢒
2002
🢒
Chevy C Silverado - 2WD
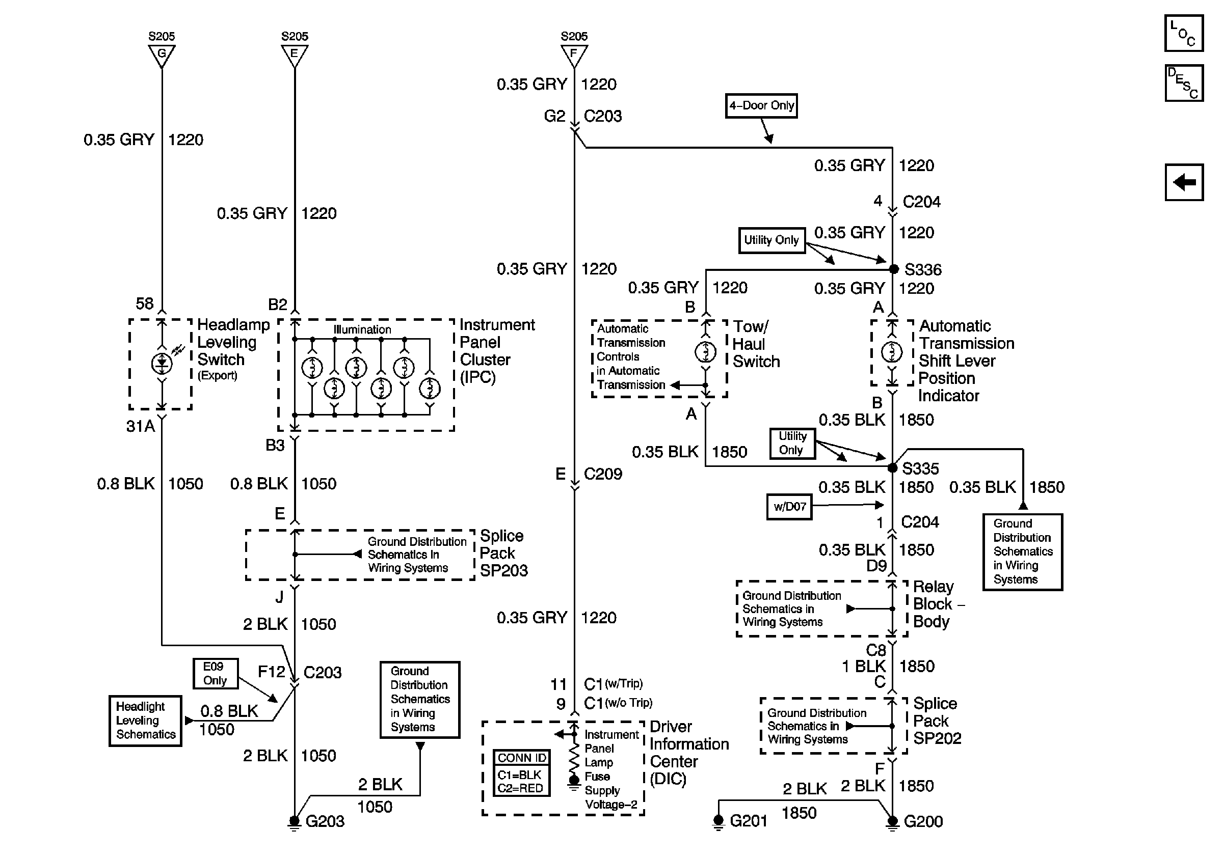
🢒 Instrument Panel Cluster, BCM, and Automatic Transmission Indicators
Instrument Panel Cluster, BCM, and Automatic Transmission Indicators
Instrument Panel Cluster, BCM, and Automatic Transmission Indicators
Master Electrical Component List
Interior Lighting Systems Description and Operation
LED Dimming Signal
ILLUM Fuse 12
ILLUM Fuse 12
ILLUM Fuse 12
Brake Switch Input (4.3L) and Tow/Haul Switch
G203 and G204 (Pickup)
Headlight Leveling Schematics
G203 and G204 (Pickup)
G200, G201 and G207 (Utility)
G200, G201 and G207 (Utility)
G200, G201 and G207 (Utility)