GM Service Manual Online
For 1990-2009 cars only
Makes
🢒
Chevrolet
🢒
2002
🢒
Chevy C Silverado - 2WD
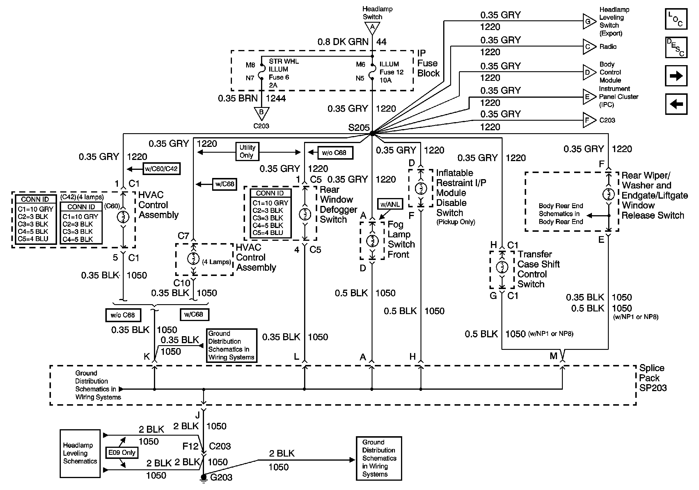
🢒 ILLUM Fuse 12
ILLUM Fuse 12
ILLUM Fuse 12
Master Electrical Component List
Interior Lighting Systems Description and Operation
Steering Wheel Controls
Headlamp Switch
Headlamp Switch
Steering Wheel Controls
Instrument Panel Cluster, BCM, and Automatic Transmission Indicators
Steering Wheel Controls
LED Dimming Signal
Instrument Panel Cluster, BCM, and Automatic Transmission Indicators
Instrument Panel Cluster, BCM, and Automatic Transmission Indicators
Input
G203 and G204 (Pickup)
Ignition Controls
Headlight Leveling Schematics
G203 and G204 (Pickup)