GM Service Manual Online
For 1990-2009 cars only
Makes
🢒
Chevrolet
🢒
2002
🢒
Chevy C Silverado - 2WD
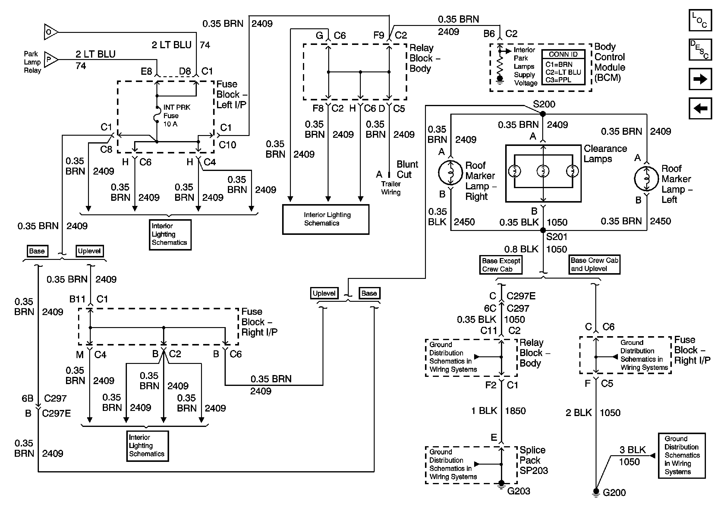
🢒 Park Lamp Supply and Clearance Lamps
Park Lamp Supply and Clearance Lamps
Park Lamp Supply and Clearance Lamps
Master Electrical Component List
Exterior Lighting Systems Description and Operation
Rear Lamps - Sierra Denali
Park Lamp Control
Park Lamp Control
Park Lamp Control
Parklamp Controls - 1 of 3
Parklamp Controls - 1 of 3
Parklamp Controls - 2 of 3
G203 - 2 of 3 - Base Except Crew Cab
G203 - 1 of 3
G200
G200