GM Service Manual Online
For 1990-2009 cars only
Makes
🢒
Chevrolet
🢒
2002
🢒
Chevy C Silverado - 2WD
🢒 Rear Lamps - Sierra Denali
Rear Lamps - Sierra Denali
Rear Lamps - Sierra Denali
Master Electrical Component List
Exterior Lighting Systems Description and Operation
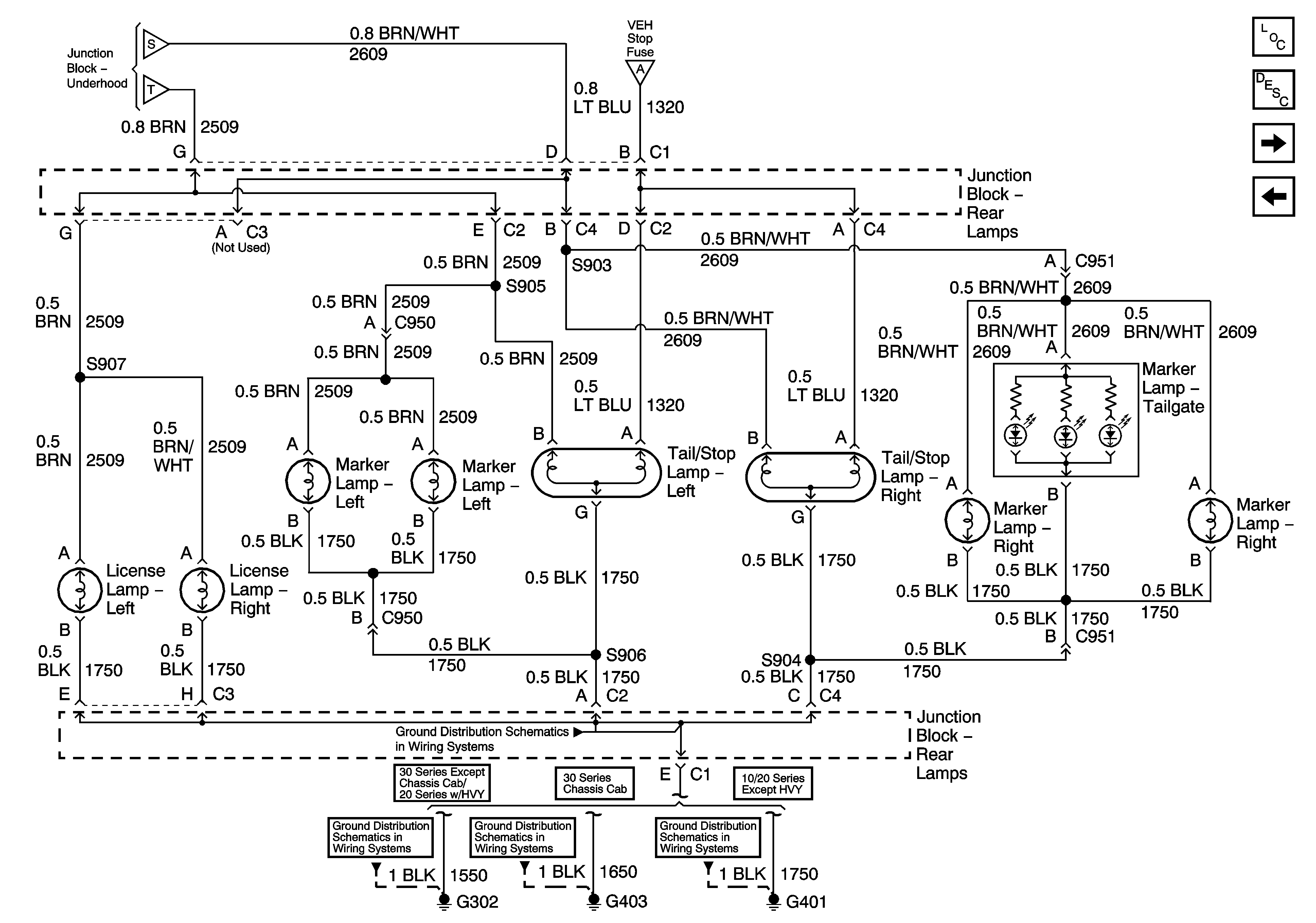
Rear Lamps - Except Sierra Denali
Park Lamp Supply and Clearance Lamps
Park Lamp Control
Park Lamp Control
Turn Signal/Multifunction Switch and Stop Lamp Switch Controls
G401
G401