GM Service Manual Online
For 1990-2009 cars only
Makes
🢒
Chevrolet
🢒
2002
🢒
Chevy C Silverado - 2WD
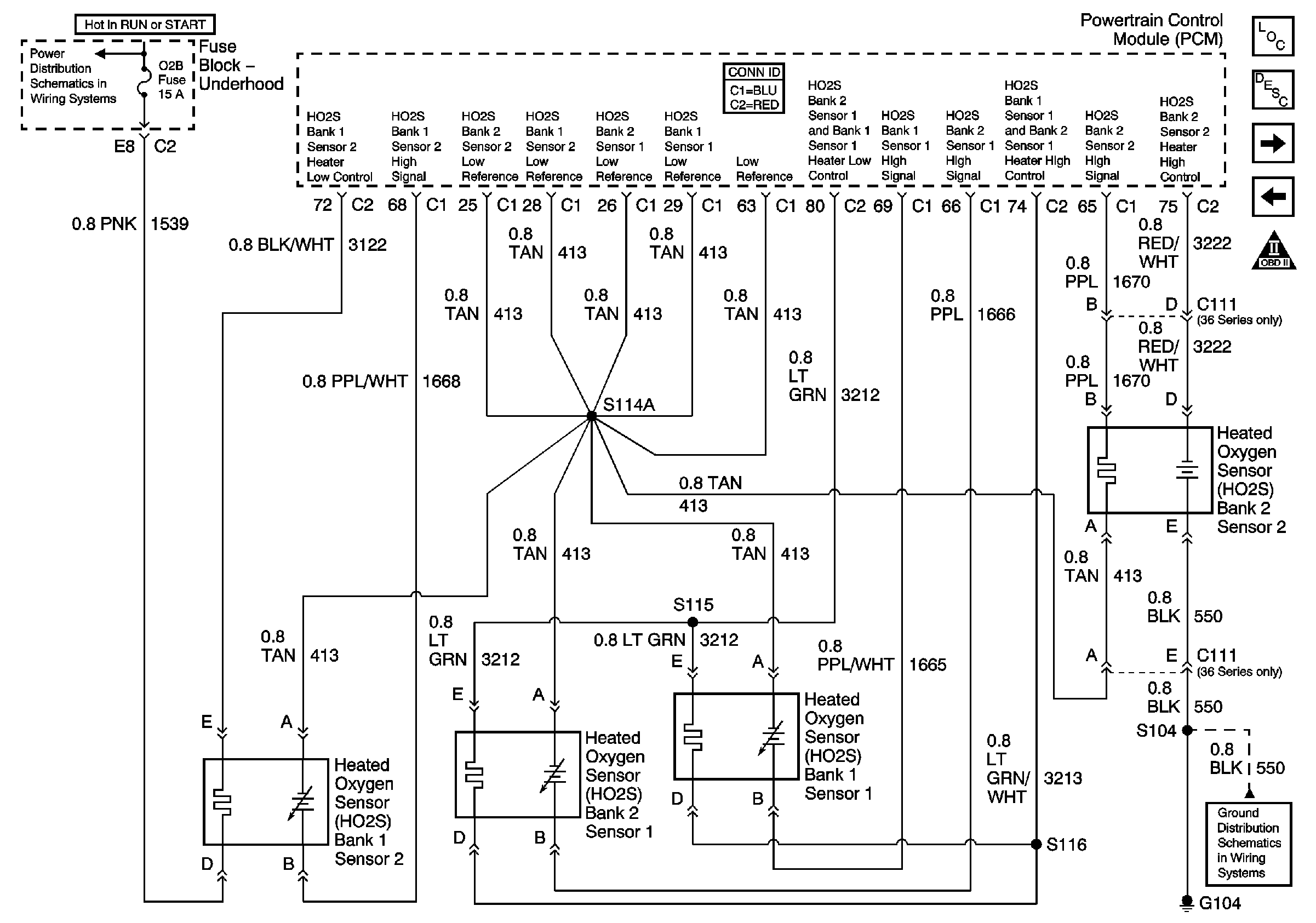
🢒 Engine Data Sensors - H02S
Engine Data Sensors - H02S
Engine Data Sensors - H02S
Master Electrical Component List
Powertrain Control Module Description
Engine Data Sensors - Electronic Throttle Controls - APP Sensor
Engine Data Sensors - MAF and VSS
OBD II Symbol Description Notice
02B, 02A, ENG 1, and IGN E Fuses - Gas Only
G104 - Gas