GM Service Manual Online
For 1990-2009 cars only
Makes
🢒
Chevrolet
🢒
2002
🢒
Chevy C Silverado - 2WD
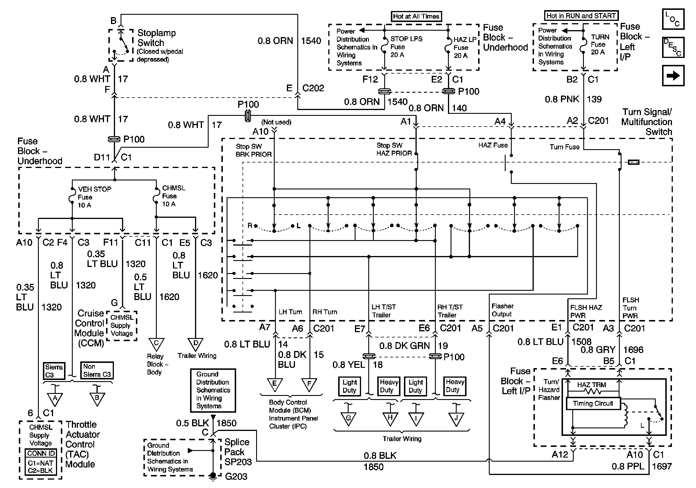
🢒 Turn Signal/Multifunction Switch and Stop Lamp Switch Controls
Turn Signal/Multifunction Switch and Stop Lamp Switch Controls
Turn Signal/Multifunction Switch and Stop Lamp Switch Controls
Master Electrical Component List
Exterior Lighting Systems Description and Operation
Park/Turn Signal Lamps
Stop, Turn, and Hazard Bus Bars
Stop, Turn, and Hazard Bus Bars
Rear Lamps - Sierra Denali
Rear Lamps - Except Sierra Denali
CHMSL and Light Duty Trailer Wiring
Heavy Duty Trailer Wiring
G203 - 1 of 3
G203 - 1 of 3
Park/Turn Signal Lamps
Park/Turn Signal Lamps
CHMSL and Light Duty Trailer Wiring
Heavy Duty Trailer Wiring
CHMSL and Light Duty Trailer Wiring
Heavy Duty Trailer Wiring