GM Service Manual Online
For 1990-2009 cars only
Makes
🢒
Chevrolet
🢒
2002
🢒
Chevy C Silverado - 2WD
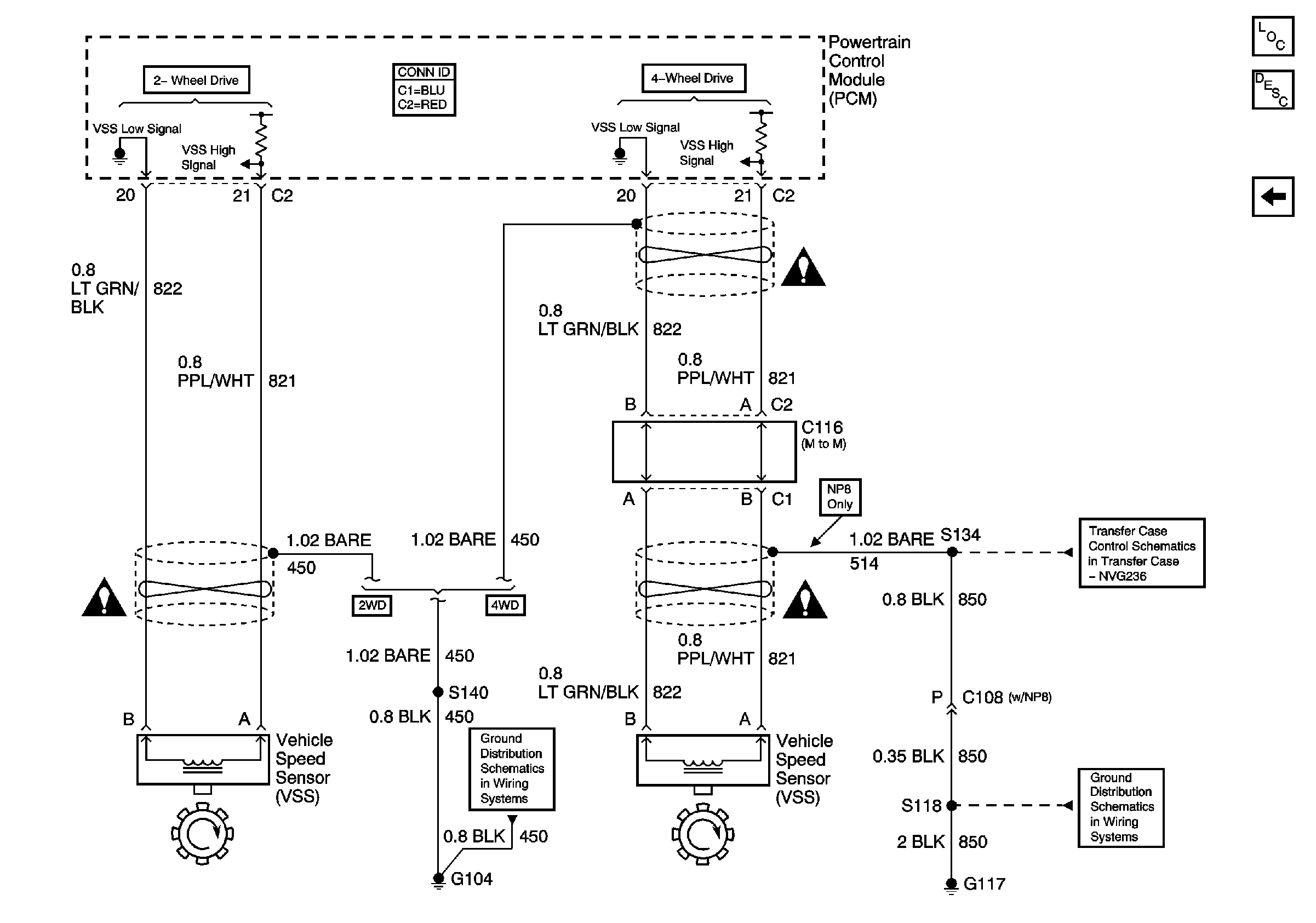
🢒 Vehicle Speed Sensor
Vehicle Speed Sensor
Vehicle Speed Sensor (VSS)
Master Electrical Component List
Transmission System Description and Operation
Manual Transmission - NV3500
Manual Transmission Schematic Icons
G103 and G105 (4.3 L)
Manual Transmission Schematic Icons
Manual Transmission Schematic Icons
Speed Sensors
G104 and G117