GM Service Manual Online
For 1990-2009 cars only
Makes
🢒
Chevrolet
🢒
2002
🢒
Chevy C Silverado - 2WD
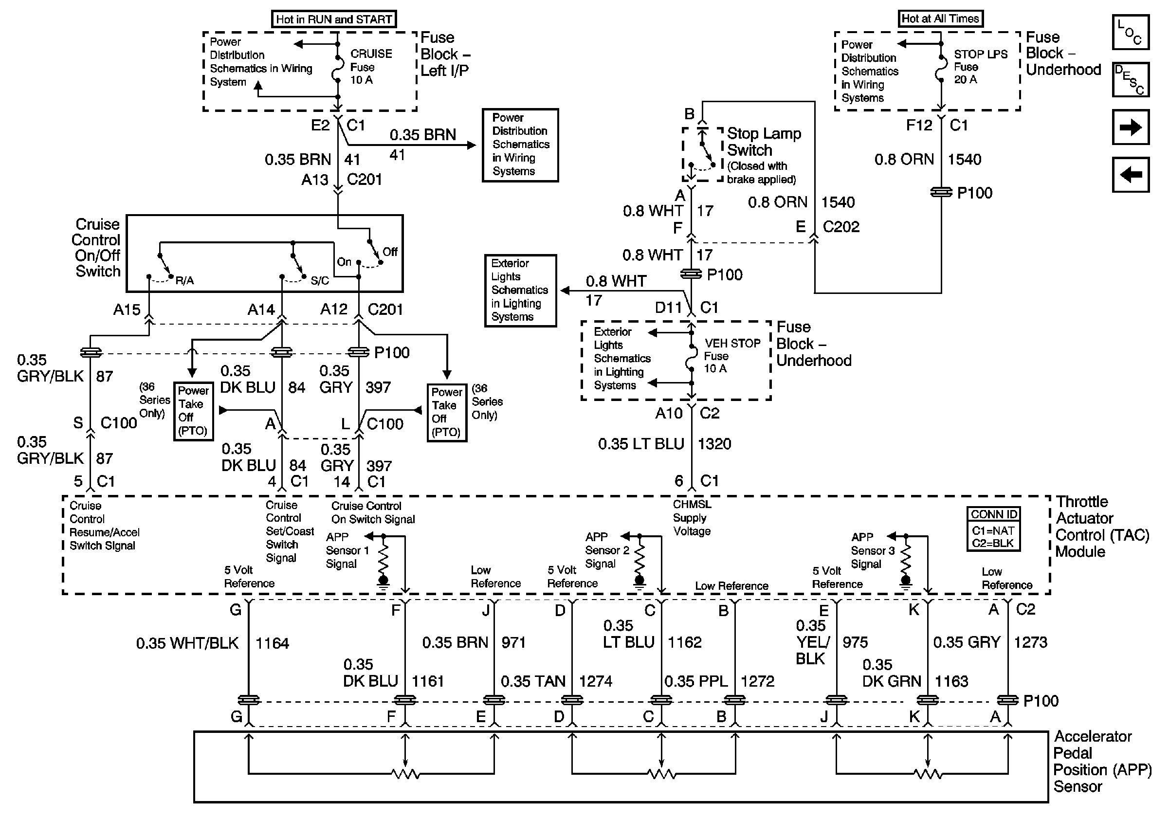
🢒 Cruise Control ON/OFF Switch, STOP LPS Fuse, and Accelerator Pedal Position (APP) Sensor- Gas w/ETC
Cruise Control ON/OFF Switch, STOP LPS Fuse, and Accelerator Pedal Position (APP) Sensor- Gas w/ETC
Cruise Control ON/OFF Switch, STOP LPS Fuse and Accelerator Pedal Position Sensor - Gas w/ETC
Master Electrical Component List
Cruise Control Description and Operation w/ ETC
Cruise Control ON/OFF Switch, Clutch Start Switch, Stoplamp Switch - Diesel
Throttle Actuator Control (TAC) Module, ETC Fuse, and Throttle Position Sensor - Gas w/ETC
BRAKE, Cruise, HTR A/C, RR WPR, WS WPR, and SEO ACCY Fuses
Cruise Control Module and Cruise Control ON/OFF Switch - Gas w/o ETC
B+ Bus Bar
Turn Signal/Multifunction Switch and Stop Lamp Switch Controls
Turn Signal/Multifunction Switch and Stop Lamp Switch Controls