GM Service Manual Online
For 1990-2009 cars only
Makes
🢒
Chevrolet
🢒
2002
🢒
Chevy C Silverado - 2WD
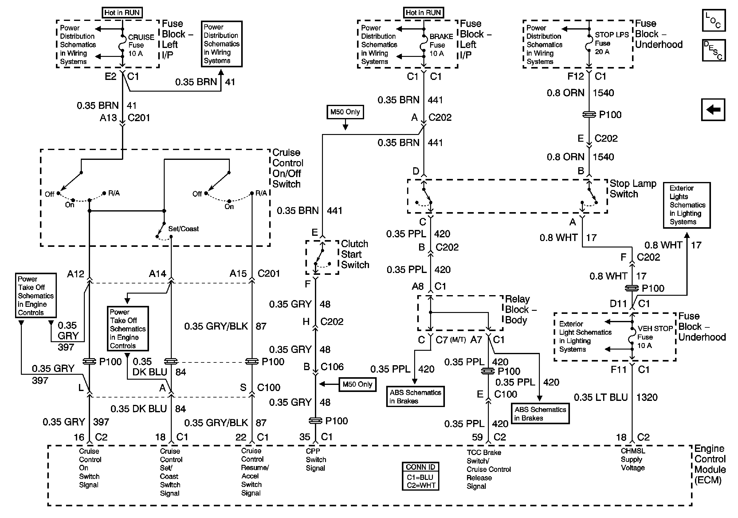
🢒 Cruise Control ON/OFF Switch, Clutch Start Switch, Stoplamp Switch - Diesel
Cruise Control ON/OFF Switch, Clutch Start Switch, Stoplamp Switch - Diesel
Cruise Control ON/OFF Switch, Clutch Start Switch and Stop Lamp Switch - Diesel
Master Electrical Component List
Cruise Control Description and Operation Diesel
Cruise Control ON/OFF Switch, STOP LPS Fuse, and Accelerator Pedal Position (APP) Sensor - Gas w/ETC
BRAKE, Cruise, HTR A/C, RR WPR, WS WPR, and SEO ACCY Fuses
BRAKE, Cruise, HTR A/C, RR WPR, WS WPR, and SEO ACCY Fuses
BRAKE, Cruise, HTR A/C, RR WPR, WS WPR, and SEO ACCY Fuses
B+ Bus Bar
Power, Ground, Class 2 Communication (w/o Traction Assist)
Turn Signal/Multifunction Switch and Stop Lamp Switch Controls
Power, Ground, Class 2 Communication (w/o Traction Assist)
Power Take Off (PTO) Controls
Power Take Off (PTO) Controls