GM Service Manual Online
For 1990-2009 cars only
Makes
🢒
Chevrolet
🢒
2003
🢒
Chevy C Silverado - 2WD
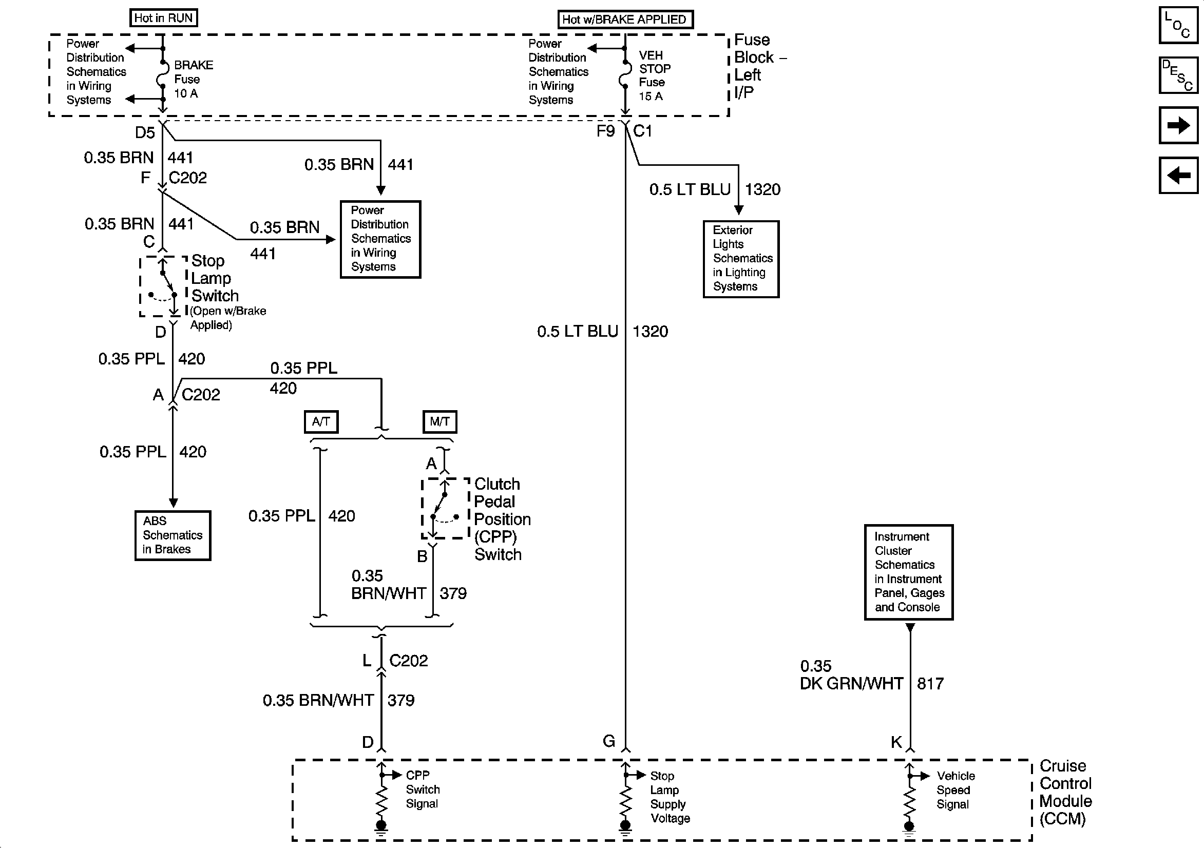
🢒 4.3L Cruise Control Schematics - 2 of 2
4.3L Cruise Control Schematics - 2 of 2
4.3L Cruise Control Schematics - 2 of 2
Master Electrical Component List
Cruise Control Description and Operation 4.3L
4.8, 5.3, 6.0, and 8.1L Cruise Control Schematics - 1 of 2
4.3L Cruise Control Schematics - 1 of 2
BRAKE, HTR A/C, HVAC I
Stop Lamps - GMC
BRAKE, HTR A/C, HVAC I
Stop Lamps - GMC
8600 GVW or Less - 2 of 2
Vehicle Speed Signal