GM Service Manual Online
For 1990-2009 cars only
Makes
🢒
Chevrolet
🢒
2003
🢒
Chevy C Silverado - 2WD
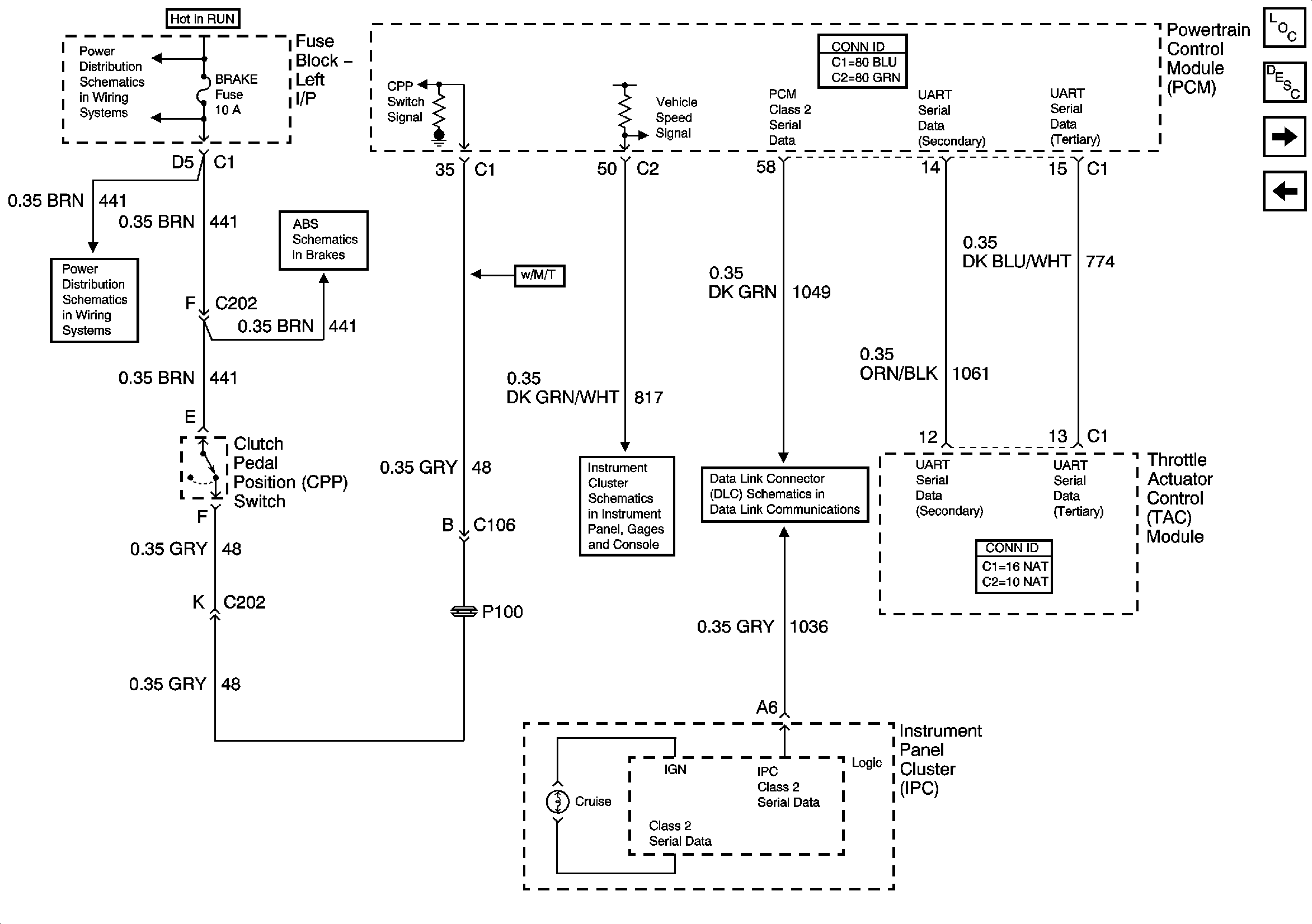
🢒 4.8, 5.3, 6.0, and 8.1L Cruise Control Schematics - 2 of 2
4.8, 5.3, 6.0, and 8.1L Cruise Control Schematics - 2 of 2
4.8, 5.3, 6.0, and 8.1L Cruise Control Schematics - 2 of 2
Master Electrical Component List
Cruise Control Description and Operation 4.8L, 5.3L, 6.0L, and 8.1L
Diesel Cruise Control Schematics
4.8, 5.3, 6.0, and 8.1L Cruise Control Schematics - 1 of 2
BRAKE, HTR A/C, HVAC I
8600 GVW or Less - 2 of 2
Vehicle Speed Signal
SP205 - 1 of 2