GM Service Manual Online
For 1990-2009 cars only
Makes
🢒
Chevrolet
🢒
2004
🢒
Chevy C Silverado - 2WD
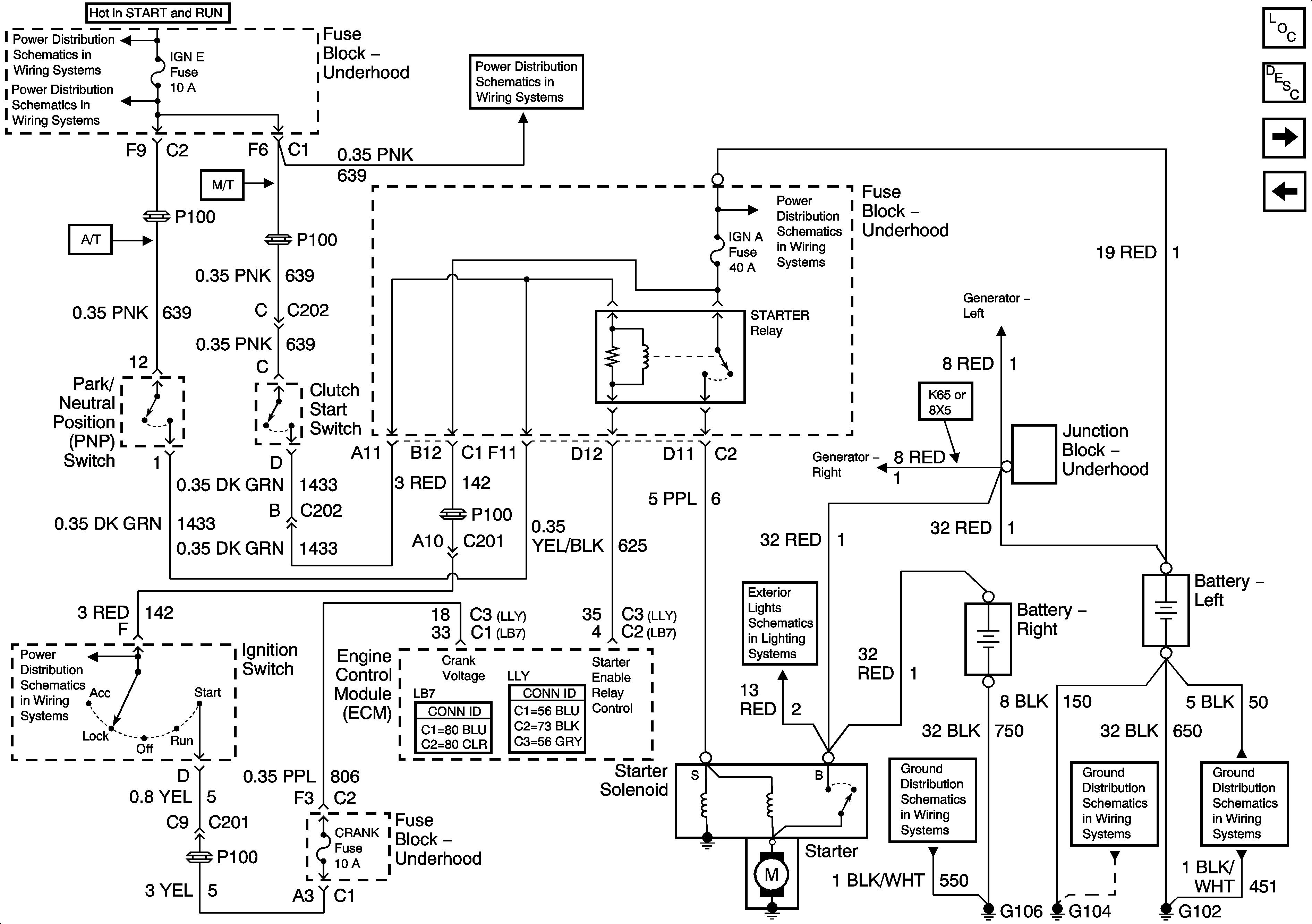
🢒 Starting - Diesel
Starting - Diesel
Starting - Diesel
Master Electrical Component List
Starter/Generator Description and Operation
Charging - Gas
Starting - Gas
Ignition Switch - ACC/RUN and RUN/START Bus Bars
IGN E Fuse
IGN E Fuse
Ignition Switch - START, RUN, and ACC/RUN/START Bus Bars
Ignition Switch - START, RUN, and ACC/RUN/START Bus Bars
B+ Bus Bar - 2 of 2
Charging - Diesel
Roof Beacon
G104, G106, and G107
G104, G106, and G107
G100 and G101