GM Service Manual Online
For 1990-2009 cars only
Makes
🢒
Chevrolet
🢒
2004
🢒
Chevy C Silverado - 2WD
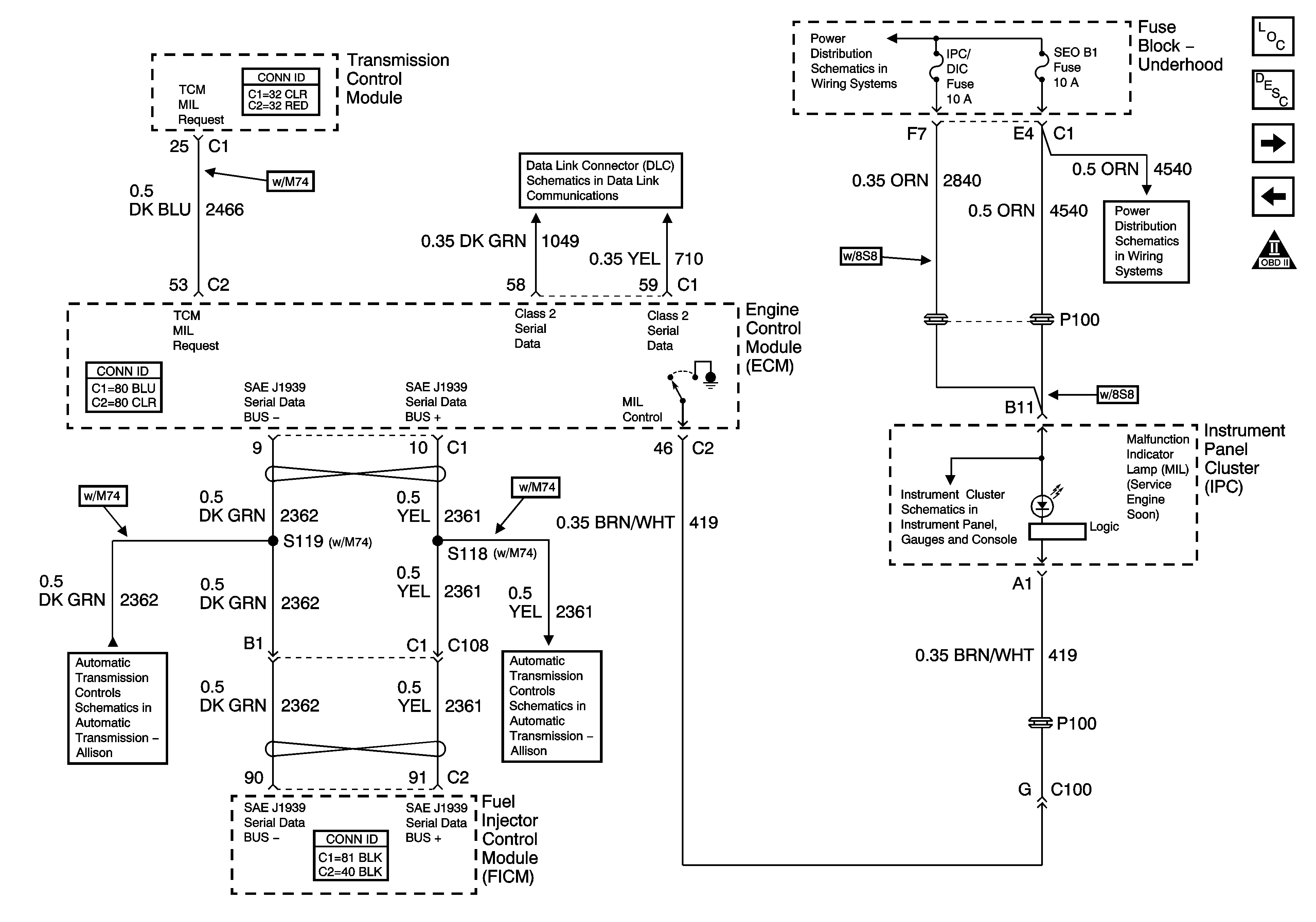
🢒 MIL Control and Serial Data
MIL Control and Serial Data
MIL Control and Serial Data
Master Electrical Component List
Powertrain Control Module Description
Engine Data Sensors - Pressure and Temperature
Power and Ground
Engine Controls Schematic Icons
RTD, IPC/DIC, SEO B1, SUNROOF, EAP, and RR WPR Fuses
RTD, IPC/DIC, SEO B1, SUNROOF, EAP, and RR WPR Fuses
SP205 - 2 of 2
MIL Control, Serial Data and Torque Signals
MIL Control, Serial Data and Torque Signals
Indicators