GM Service Manual Online
For 1990-2009 cars only
Makes
🢒
Chevrolet
🢒
2004
🢒
Chevy C Silverado - 2WD
🢒 Engine Data Sensors - Glow Plug Controls - Except California Emissions
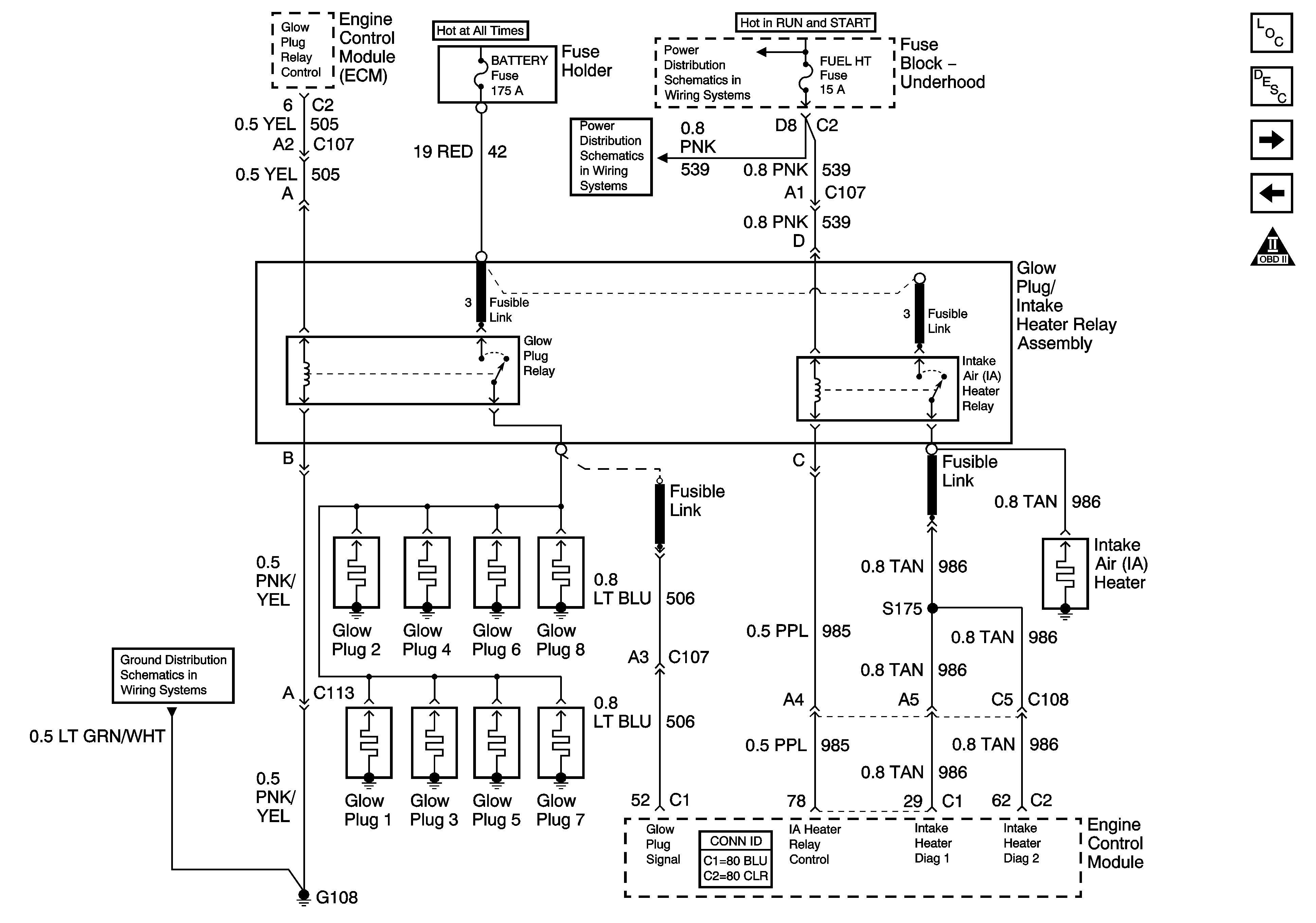
Engine Data Sensors - Glow Plug Controls - Except California Emissions
Engine Data Sensors - Glow Plug Controls - Except California Emissions
Master Electrical Component List
Powertrain Control Module Description
Engine Data Sensors - Glow Plug Controls - California Emissions
Engine Data Sensors - VSS and Injection Timing Controls
Engine Controls Schematic Icons
Ignition Switch - ACC/RUN and RUN/START Bus Bars
FUEL HT and PCM I Fuses - Diesel
G102, G103, G108 and G109 - Diesel