GM Service Manual Online
For 1990-2009 cars only
Makes
🢒
Chevrolet
🢒
2004
🢒
Chevy C Silverado - 2WD
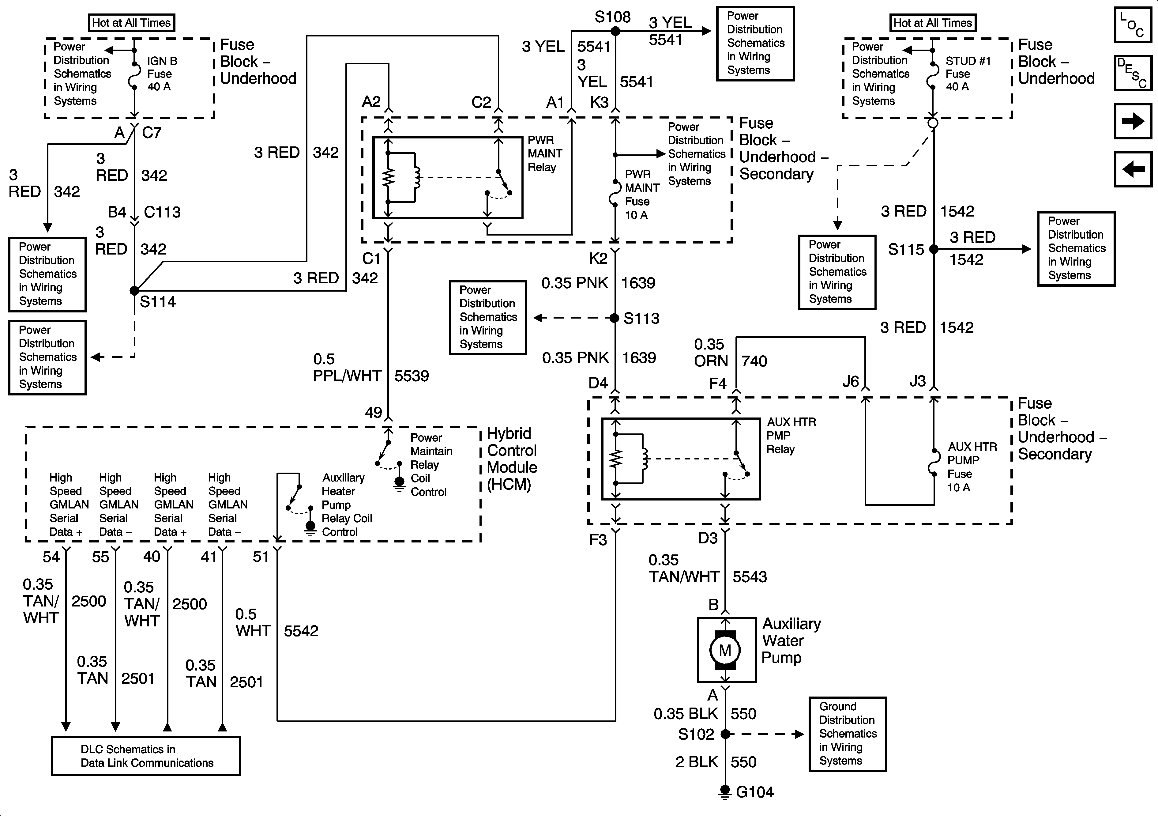
🢒 Auxiliary Heater Pump (HP2)
Auxiliary Heater Pump (HP2)
Auxiliary Heater Pump (HP2)
Master Electrical Component List
Starter Generator Control Module Cooling System Description and Operation
Starter/Generator Control Module Cooling - 1 of 2 - HP2
Coolant Level Indicator Control - Diesel and L18 Only
Ignition Switch - ACC/RUN and RUN/START Bus Bars
Ignition Switch - ACC/RUN and RUN/START Bus Bars
Continuous Mode Bus Bar (HP2)
ABS, VSES/ECAS, STUD #1, STUD #2, and TBC BATT Fuses
Continuous Mode Bus Bar (HP2)
ABS, VSES/ECAS, STUD #1, STUD #2, and TBC BATT Fuses
Continuous Mode Bus Bar (HP2)
Continuous Mode Bus Bar (HP2)
PWR MAINT, HYBRID O2A, and HYBRID O2B Fuses (HP2)
High Speed GMLAN - Hybrid Only
G104, G106, and G107