GM Service Manual Online
For 1990-2009 cars only
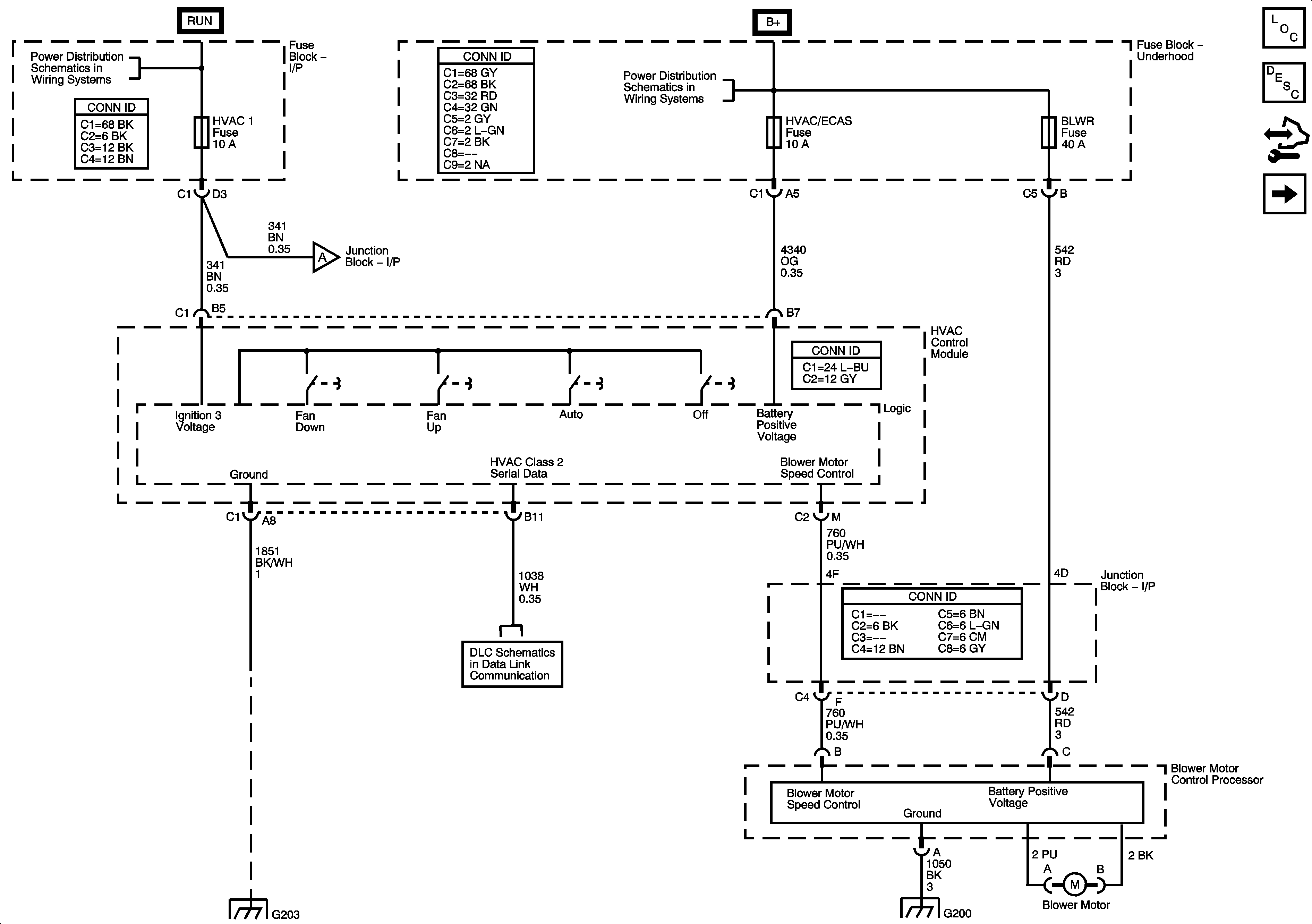
Figure 1:

Power, Ground, Serial Data, and Blower Motor Controls


Object Number: 1495067  Size: FS
Master Electrical Component List
Air Delivery Description and Operation
Control Module References
Mode and Recirculation Actuators
Ignition Switch - START, RUN, and ACC/RUN/START Bus Bars and IGN A and CRANK Fuses
Mode and Recirculation Actuators
B+ Bar Bus
Power, Ground, DLC and Splice Pack SP 205
G203 - 1 of 2
G115 and G200 - 1 of 2
Figure 2:

Mode and Recirculation Actuators


Object Number: 1495068  Size: FS
Master Electrical Component List
Air Delivery Description and Operation
Control Module References
Air Temperature Actuators Left and Right
Power, Ground, Serial Data, and Blower Motor Controls
Power, Ground, DLC and Splice Pack SP 205
Power, Ground, Serial Data, and Blower Motor Controls
Air Temperature Actuators Left and Right
Air Temperature Actuators Left and Right
Air Temperature Actuators Left and Right
Air Temperature Actuators Left and Right
Air Temperature Actuators Left and Right
Figure 3:

Air Temperature Actuators Left and Right


Object Number: 1495070  Size: FS
Master Electrical Component List
Air Temperature Description and Operation
Control Module References
Air Temperature Sensors
Mode and Recirculation Actuators
Mode and Recirculation Actuators
Power, Ground, DLC and Splice Pack SP 205
Mode and Recirculation Actuators
Mode and Recirculation Actuators
Mode and Recirculation Actuators
Mode and Recirculation Actuators
Headlights/DRL Control
Figure 4:

Air Temperature Sensors


Object Number: 1495071  Size: FS
Master Electrical Component List
Air Temperature Description and Operation
Control Module References
A/C Compressor Controls
Air Temperature Actuators Left and Right
G200 - 2 of 2
G200 - 2 of 2
G115 and G200 - 1 of 2
Figure 5:

A/C Compressor Controls


Object Number: 1495072  Size: FS
Master Electrical Component List
Air Delivery Description and Operation
Control Module References
Air Temperature Sensors
B+ Bar Bus
Ignition Switch - ACC/RUN and RUN/START Bus Bars and IGN B Fuse
Ignition Switch - ACC/RUN and RUN/START Bus Bars and IGN B Fuse
Power, Ground, DLC and Splice Pack SP 205
G104, G106, G107 and G110