GM Service Manual Online
For 1990-2009 cars only
Makes
🢒
Chevrolet
🢒
2005
🢒
Chevy C Silverado - 2WD
🢒
Body
🢒
Wiring Systems
🢒 Power Steering Schematics
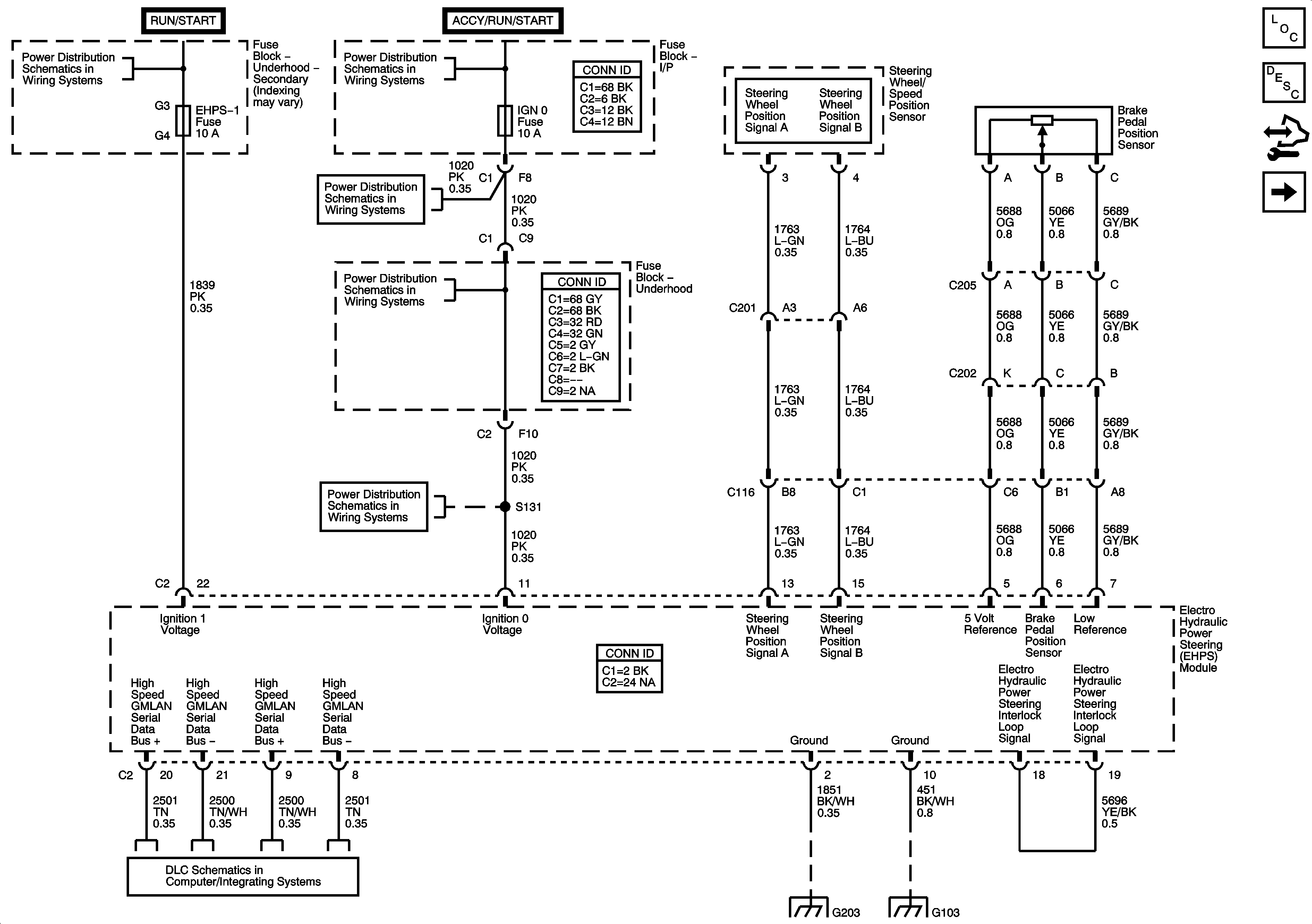
Figure
1:
Power, Ground, Serial Data, Steering Wheel/Speed Sensor, and Brake Pedal Position Sensor
Master Electrical Component List
Power Steering System Description and Operation w/ Electro-Hydraulic Steering
Control Module References
Hydraulic Motor Power and Ground
Ignition Switch - ACC/RUN and RUN/START Bus Bars and IGN B Fuse
Ignition Switch - START, RUN, and ACC/RUN/START Bus Bars and IGN A and CRANK Fuses
IGN 0, RR WPR, SEO ACCY, TBC ACCY, TBC IGN 0, and WS WPR Fuses
IGN 0, RR WPR, SEO ACCY, TBC ACCY, TBC IGN 0, and WS WPR Fuses
IGN 0, RR WPR, SEO ACCY, TBC ACCY, TBC IGN 0, and WS WPR Fuses
High Speed GM LAN (HP2)
G203 - 1 of 2
G103 - Gas
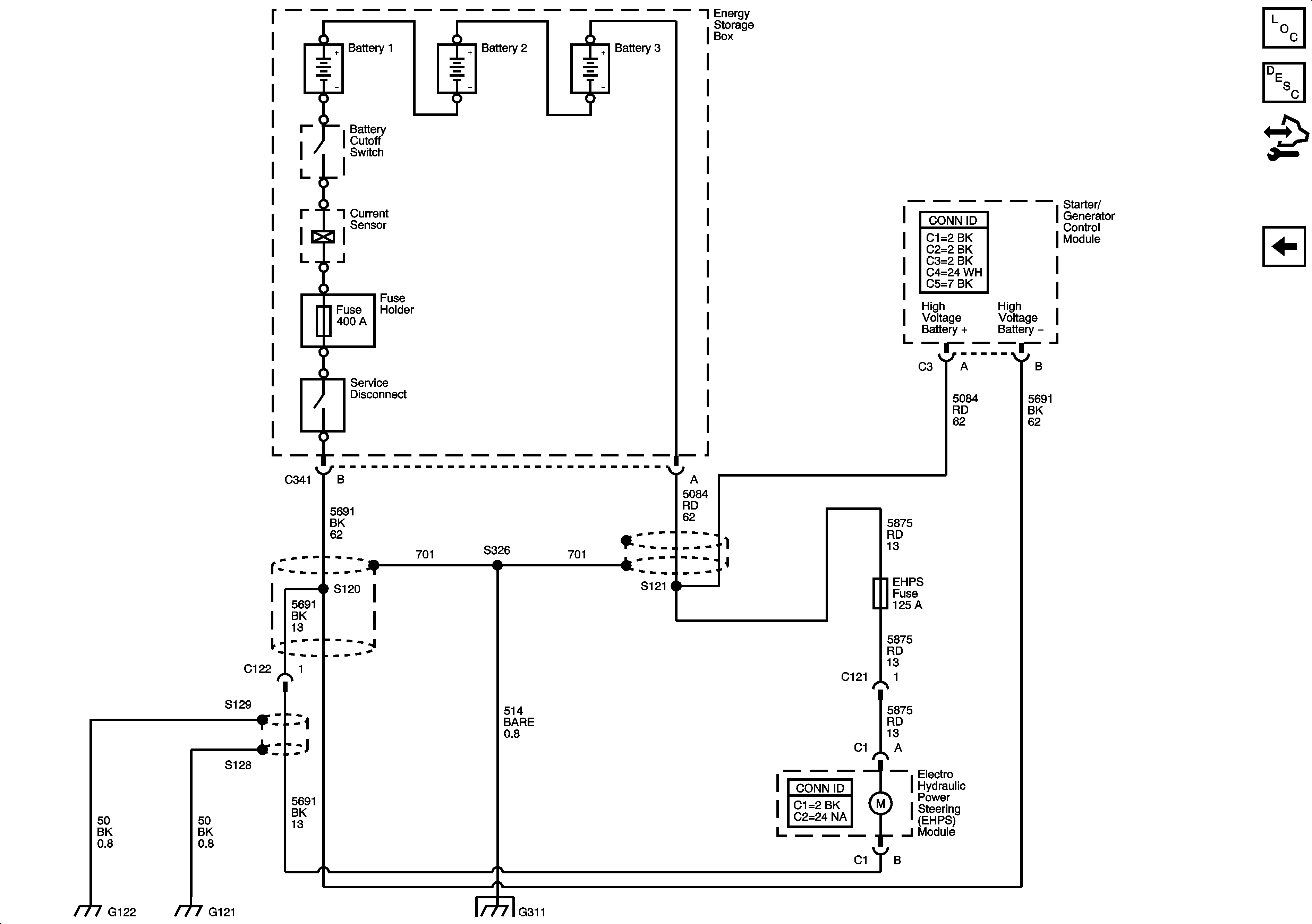
Figure
2:
Hydraulic Motor Power and Ground
Master Electrical Component List
Power Steering System Description and Operation w/ Electro-Hydraulic Steering
Control Module References
Power, Ground, Serial Data, Steering Wheel/Speed Sensor, and Brake Pedal Position Sensor
G120, G121, G122, G310, G311 and G405 (HP2)