GM Service Manual Online
For 1990-2009 cars only
Makes
🢒
Chevrolet
🢒
2005
🢒
Chevy C Silverado - 2WD
🢒
Body
🢒
Wiring Systems
🢒 Rear Wheel Steering Schematics
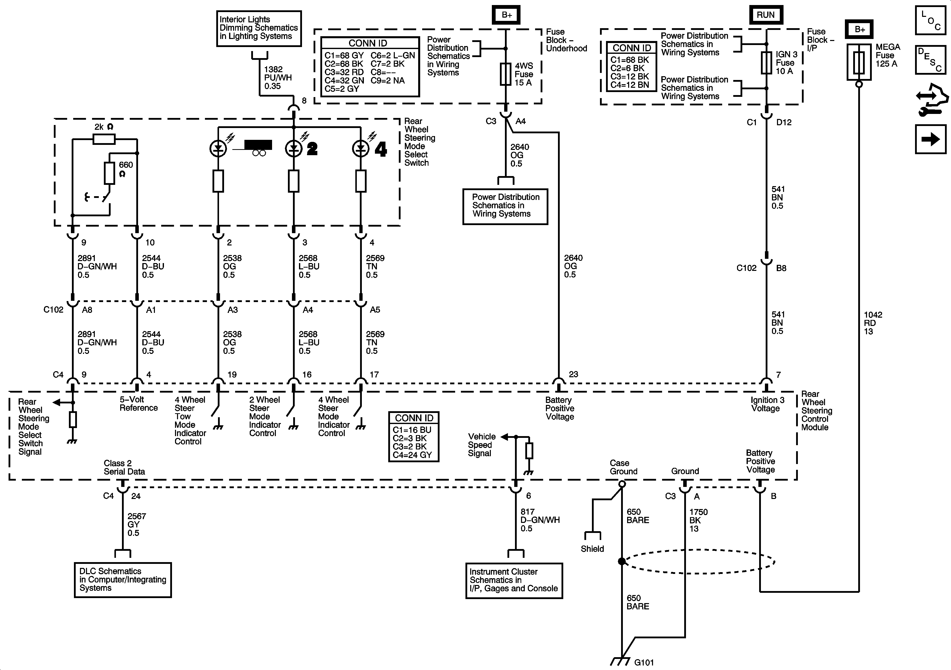
Figure
1:
Power, Ground, Serial Data and Mode Selection
Master Electrical Component List
Rear Wheel Steering Description and Operation
Control Module References
Steering Wheel Speed/Position
Interior Lights Dimming Control and LED Dimming Supply - 1 of 2
B+ Bar Bus
4WS, RR WPR, STOP LP, TREC, VEH STOP and VEH CHMSL Fuses
Ignition Switch - START, RUN, and ACC/RUN/START Bus Bars and IGN A and CRANK Fuses
4WD, BRAKE, CRUISE, HTR/AC, HVAC 1, and IGN 3 Fuses
Power, Ground, DLC and Splice Pack SP 205
Gages, Vehicle Speed Signal, Engine Oil Pressure, and Fuel Level Sensors
Rear Wheel Position Controls
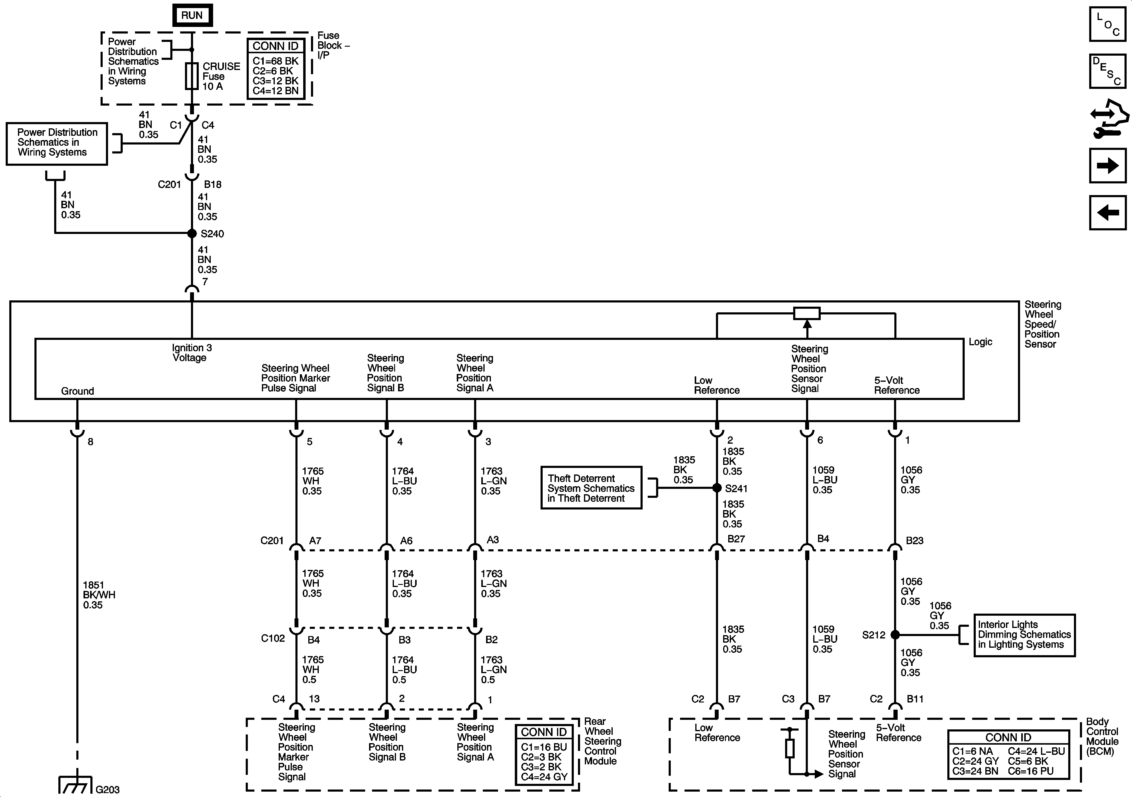
Figure
2:
Steering Wheel Speed/Position
Master Electrical Component List
Rear Wheel Steering Description and Operation
Control Module References
Rear Wheel Position Controls
Power, Ground, Serial Data and Mode Selection
Ignition Switch - START, RUN, and ACC/RUN/START Bus Bars and IGN A and CRANK Fuses
4WD, BRAKE, CRUISE, HTR/AC, HVAC 1, and IGN 3 Fuses
G203 - 1 of 2
Vehicle Theft Deterrent
Interior Lights Dimming Control and LED Dimming Supply - 1 of 2
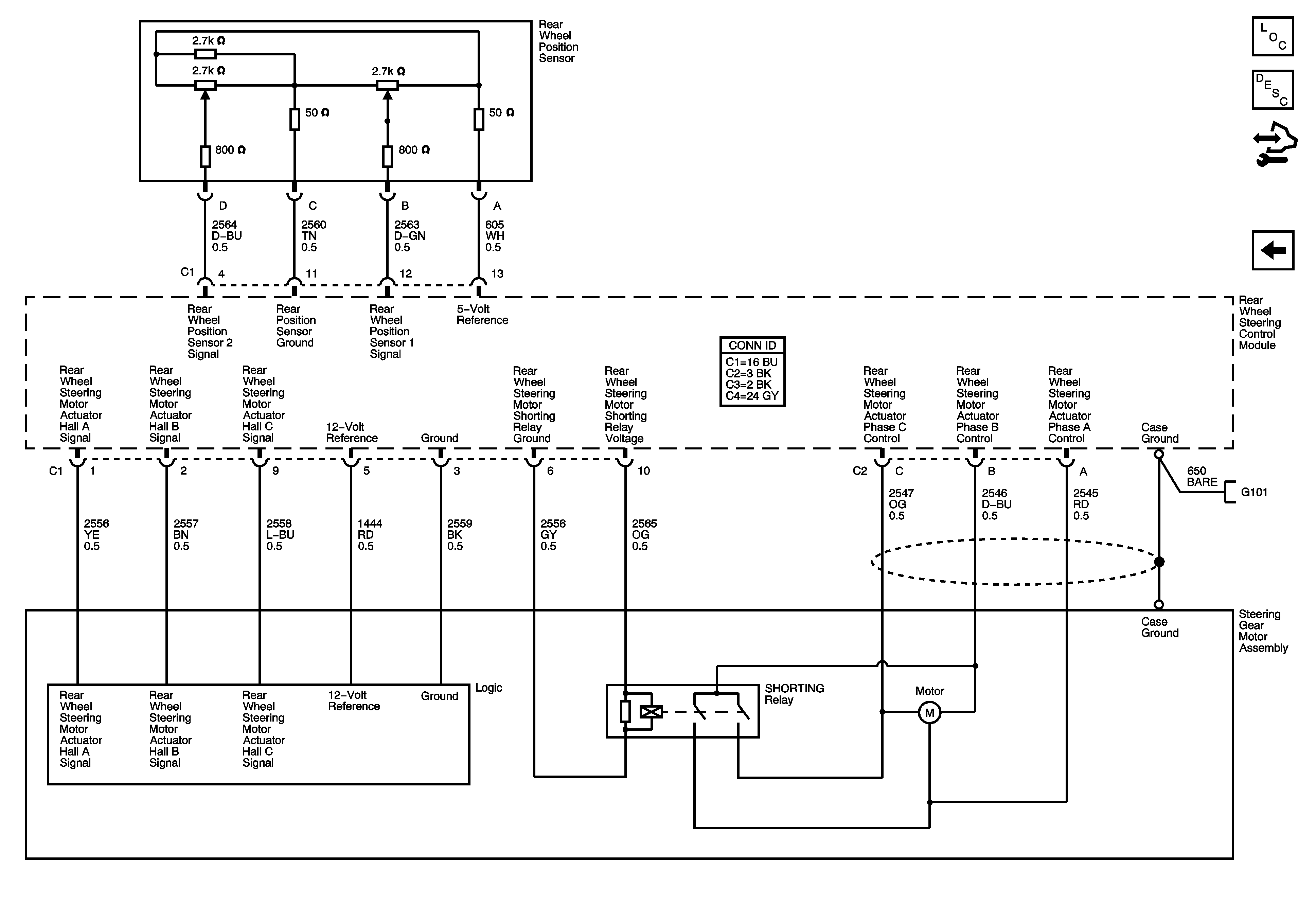
Figure
3:
Rear Wheel Position Controls
Master Electrical Component List
Rear Wheel Steering Description and Operation
Control Module References
Steering Wheel Speed/Position
Power, Ground, Serial Data and Mode Selection