GM Service Manual Online
For 1990-2009 cars only
Makes
🢒
Chevrolet
🢒
1998
🢒
Chevy P42 Commercial Chassis
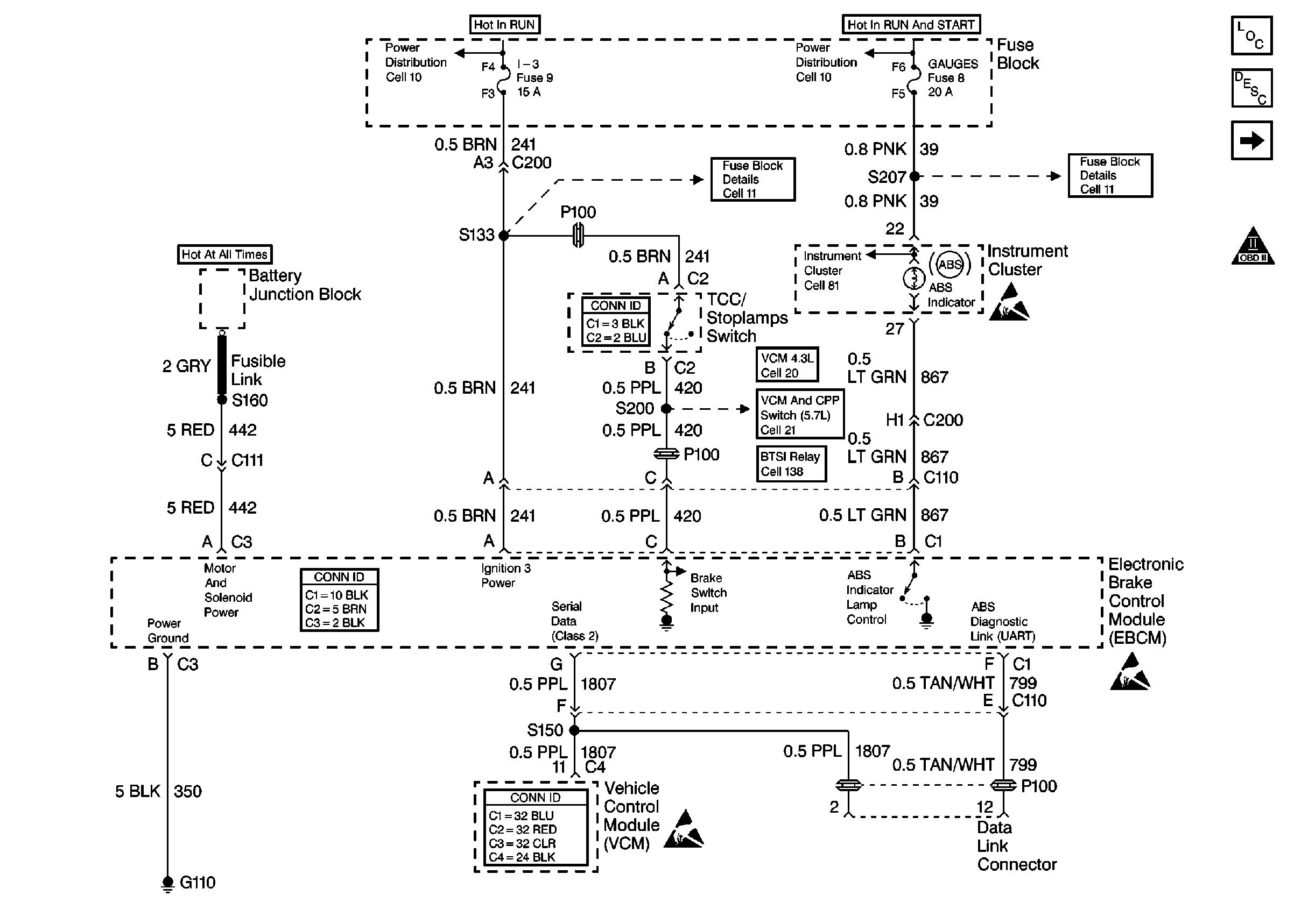
🢒 Cell 44: Gas, ABS Power and Grounding, DLC Output
Cell 44: Gas, ABS Power and Grounding, DLC Output
Cell 44: Gas, ABS Power and Grounding, DLC Output
ABS Components P42
ABS Description
Cell 44: Diesel, ABS Power and Grounding, DLC Output
Cell 10: Battery, Starter, and Junction Block
Cell 10: Ignition Switch and Fuse Block
Cell 11: I-3, TURN-B/U, and HTR fuses, AUX CKT BRKR 13
Cell 10: Ignition Switch and Fuse Block
Cell 11: Gauges fuse
Handling ESD Sensitive Parts Notice
Cell 81: Indicators
Cell 20: A/T Controls 1 - TCC, Solenoids
Cell 21: A/T Controls - Solenoids and TCC Stoplamp Switch
Cell 138: P42 BTSI Circuit
Handling ESD Sensitive Parts Notice
Handling ESD Sensitive Parts Notice