GM Service Manual Online
For 1990-2009 cars only
Makes
🢒
Chevrolet
🢒
1998
🢒
Chevy P42 Commercial Chassis
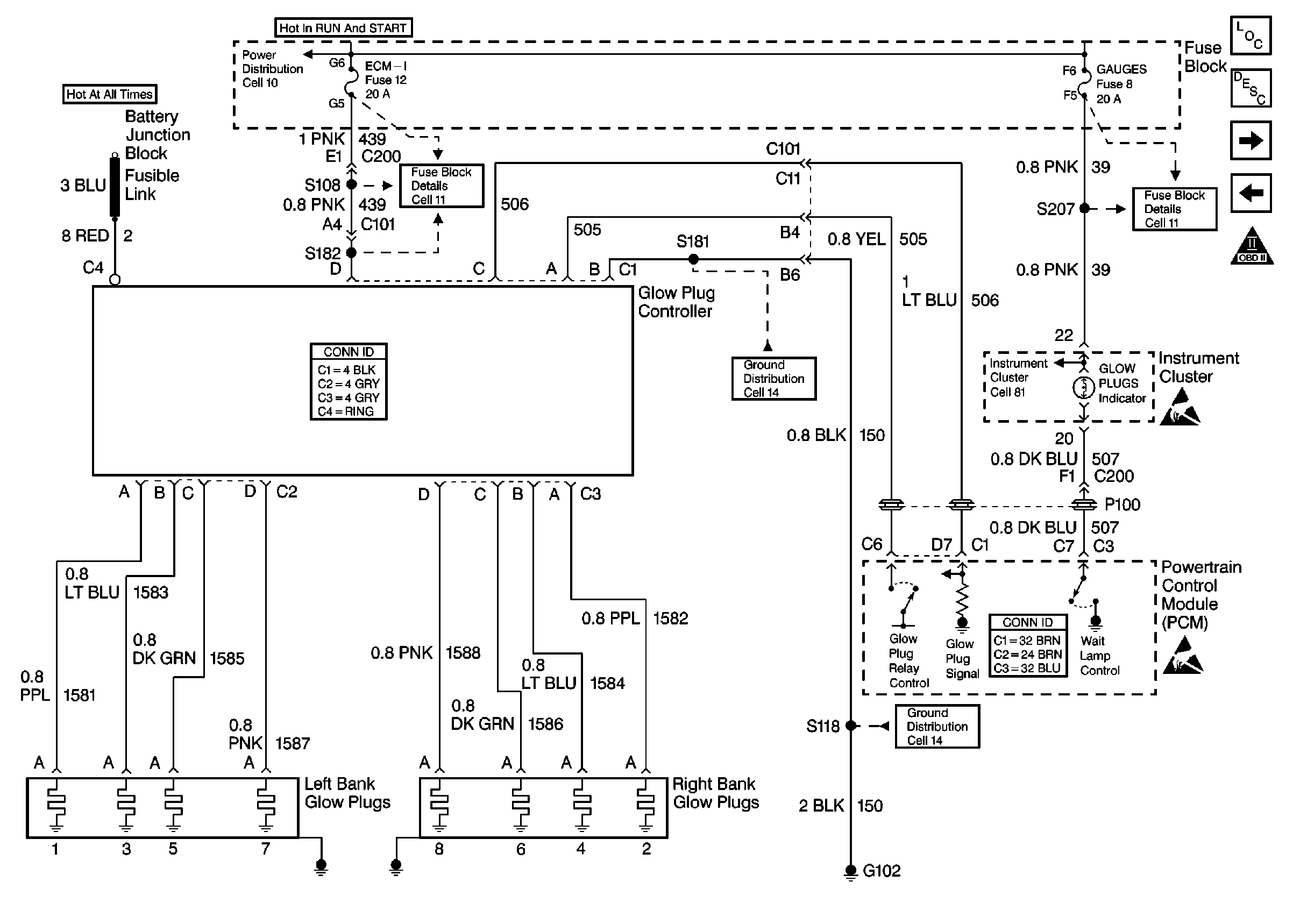
🢒 Cell 23: Glowplug Control (California)
Cell 23: Glowplug Control (California)
Cell 23: Glowplug Control (California)
Engine Controls Components L57 EFI
Glow Plug System Description EFI
Cell 23: Ignition System - CKP, Timing Stepper Motor
Cell 23: PCM Power and Grounding, MIL, and DLC
OBD II Symbol Description Notice
Cell 10: Battery, Starter, and Junction Block
Cell 10: Ignition Switch and Fuse Block
Cell 11: ECM-I fuse [L57]
Cell 14: G102 [Diesel L57]
Cell 11: Gauges fuse
Cell 81: Indicators
Handling ESD Sensitive Parts Notice
Handling ESD Sensitive Parts Notice
Cell 14: G102 [Diesel L57]