GM Service Manual Online
For 1990-2009 cars only
Makes
🢒
Chevrolet
🢒
1998
🢒
Chevy P42 Commercial Chassis
🢒 Cell 22: Air Conditioning Controls
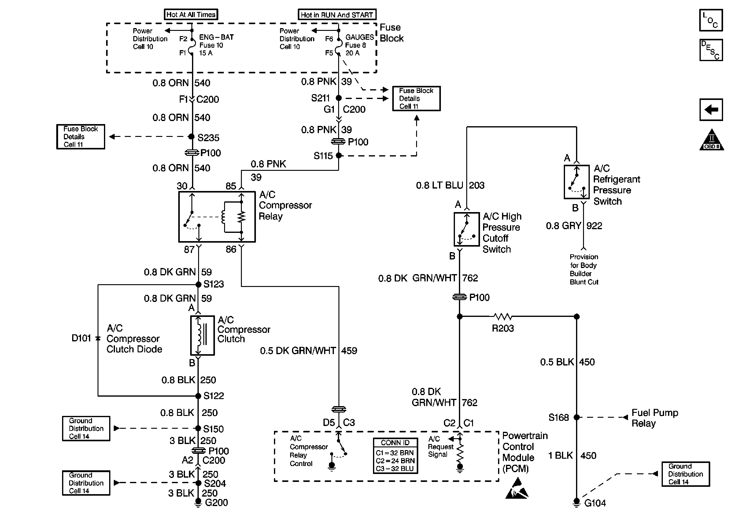
Cell 22: Air Conditioning Controls
Cell 22: Air Conditioning Controls
Engine Controls Components
Relays and Sensors Description
Cell 22: A/T Controls 2 - TR Circuits, TFT, PC Sol. Valve, TISS
OBD II Symbol Description Notice
Cell 11: ENG-BAT and ECM-BAT fuses
Cell 10: Fuse Block
Cell 10: Ignition Switch and Fuse Block
Cell 11: GAUGES and TRANS fuses
Cell 22: Fuel Pump Controls
Cell 14: G104, G105, G106, and G110 [L65]
Handling ESD Sensitive Parts Notice
Cell 14: G200
Cell 14: S150 and S101 [L65]