GM Service Manual Online
For 1990-2009 cars only
Makes
🢒
Chevrolet
🢒
1998
🢒
Chevy P42 Commercial Chassis
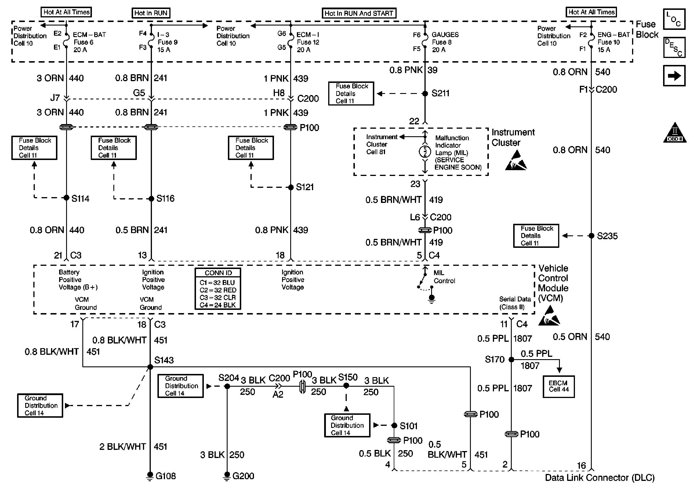
🢒 Cell 21: VCM Power and Grounding, MIL, DLC
Cell 21: VCM Power and Grounding, MIL, DLC
Cell 21: VCM Power and Grounding, MIL, DLC
Engine Controls Components
Vehicle Control Module Description
Cell 21: Ignition Controls 1 - ICM, Coil, and Tachometer
OBD II Symbol Description Notice
Cell 11: ENG-BAT and ECM-BAT fuses
Cell 10: Fuse Block
Cell 11: I-3, TURN BU and HTR fuses, PWR CKT BRKR 2 and AUX CKT BRKR13
Cell 10: Ignition Switch and Fuse Block
Cell 11: ECM-I fuse [L29]
Cell 11: GAUGES and TRANS fuses
Handling ESD Sensitive Parts Notice
Cell 10: Fuse Block
Cell 11: ENG-BAT and ECM-BAT fuses
Handling ESD Sensitive Parts Notice
Cell 44: Gas, ABS Power and Grounding, DLC Output
Cell 14: S150 and S101 [L29]
Cell 14: G200
Cell 14: G108 [L29]