GM Service Manual Online
For 1990-2009 cars only
Makes
🢒
Chevrolet
🢒
1998
🢒
Chevy P42 Commercial Chassis
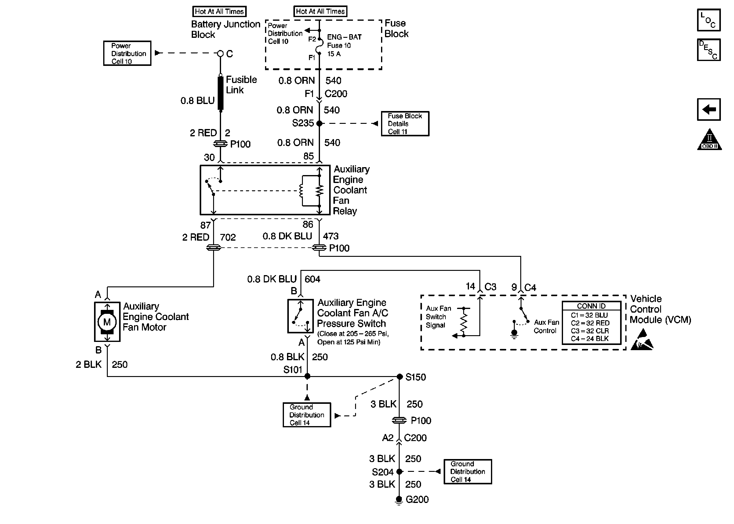
🢒 Cell 21: Auxiliary Cooling Fan Circuit
Cell 21: Auxiliary Cooling Fan Circuit
Cell 21: Auxiliary Cooling Fan Circuit
Engine Controls Components
Engine Cooling Fan Description - Electric
Cell 21: A/C Controls
OBD II Symbol Description Notice
Cell 10: Battery, Starter and Junction Block
Cell 10: Fuse Block
Cell 11: ENG-BAT and ECM-BAT fuses
Handling ESD Sensitive Parts Notice
Cell 14: G200
Cell 14: S150 and S101 [L29]