GM Service Manual Online
For 1990-2009 cars only

Engine Controls Schematics Electronic F. I.

Figure 1:

Cell 23: PCM Power and Grounding, MIL, and DLC


Object Number: 380028  Size: FS
Engine Controls Components L57 EFI
Powertrain Control Module Description
Cell 23: Glowplug Control (California)
OBD II Symbol Description Notice
Cell 81: Indicators
Cell 11: Gauges fuse
Cell 10: Ignition Switch and Fuse Block
Handling ESD Sensitive Parts Notice
Cell 10: Fuse Block and Headlamp Switch
Cell 11: ECM-BAT and ENG-BAT fuses
Handling ESD Sensitive Parts Notice
Cell 44: Diesel, ABS Power and Grounding, DLC Output
Cell 14: G200
Cell 14: S110 [L57]
Cell 14: G108 [L57]
Figure 2:

Cell 23: Glowplug Control (California)


Object Number: 380032  Size: FS
Engine Controls Components L57 EFI
Glow Plug System Description EFI
Cell 23: Ignition System - CKP, Timing Stepper Motor
Cell 23: PCM Power and Grounding, MIL, and DLC
OBD II Symbol Description Notice
Cell 10: Battery, Starter, and Junction Block
Cell 10: Ignition Switch and Fuse Block
Cell 11: ECM-I fuse [L57]
Cell 14: G102 [Diesel L57]
Cell 11: Gauges fuse
Cell 81: Indicators
Handling ESD Sensitive Parts Notice
Handling ESD Sensitive Parts Notice
Cell 14: G102 [Diesel L57]
Figure 3:

Cell 23: Glowplug Controls 2 -- Federal Emissions


Object Number: 397172  Size: FS
Engine Controls Components L57 EFI
Glow Plug System Description EFI
Cell 23: Ignition System - CKP, Timing Stepper Motor
Cell 23: Glowplug Control (California)
OBD II Symbol Description Notice
Cell 81: Indicators
Cell 11: Gauges fuse
Cell 10: Ignition Switch and Fuse Block
Cell 11: ECM-I fuse [L57]
Cell 10: Battery, Starter, and Junction Block
Handling ESD Sensitive Parts Notice
Cell 14: G102 [Diesel L57]
Handling ESD Sensitive Parts Notice
Figure 4:

Cell 23: Ignition System -- CKP, Timing Stepper Motor


Object Number: 380033  Size: FS
Engine Controls Components L57 EFI
Fuel System Description EFI
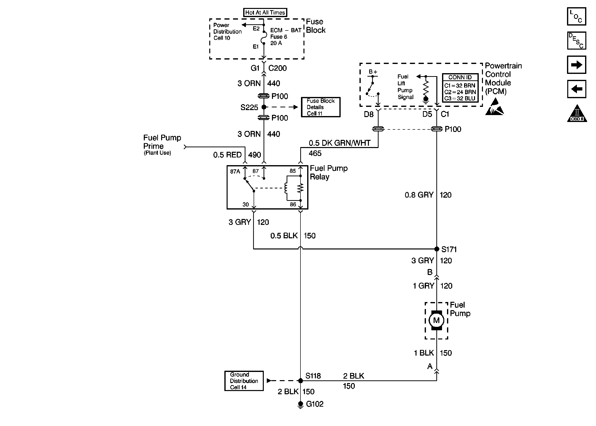
Cell 23: Fuel Controls 1 - Fuel Lift Pump and Relay
Cell 23: Glowplug Controls 2 - Federal Emissions
OBD II Symbol Description Notice
Handling ESD Sensitive Parts Notice
Figure 5:

Cell 23: Fuel Controls 1 -- Fuel Lift Pump and Relay


Object Number: 380036  Size: FS
Engine Controls Components L57 EFI
Fuel Supply Component Description EFI/MFI
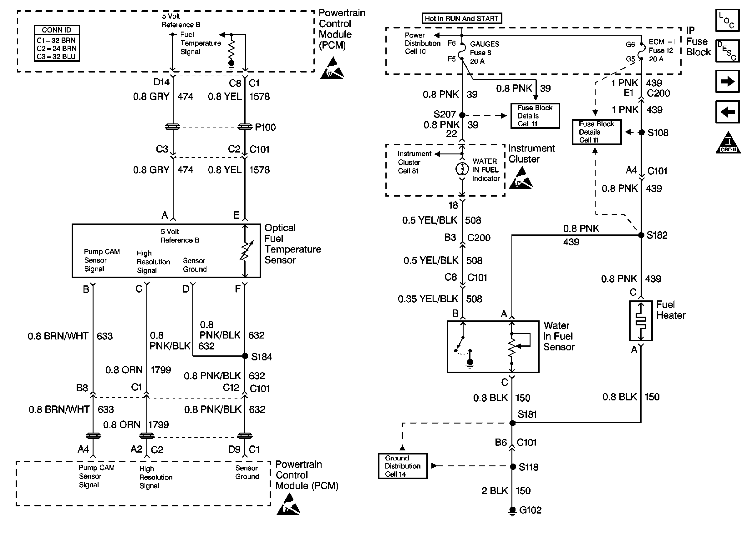
Cell 23: Fuel Controls 2 - Fuel Heater, Temp. Sensor, Water in Fuel Sensor
Cell 23: Ignition System - CKP, Timing Stepper Motor
OBD II Symbol Description Notice
Cell 10: Fuse Block and Headlamp Switch
Cell 11: I-3, TURN BU and HTR fuses, PWR CKT BRKR 2 and AUX CKT BRKR13
Handling ESD Sensitive Parts Notice
Cell 14: G102 [Diesel L57]
Figure 6:

Cell 23: Fuel Controls 2 -- Fuel Heater, Temp. Sensor, Water in Fuel Sensor


Object Number: 380039  Size: FS
Engine Controls Components L57 EFI
Fuel Supply Component Description EFI/MFI
Cell 23: Fuel Controls 3 - Engine Shutoff Solenoid, Fuel Solenoid Driver
Cell 23: Fuel Controls 1 - Fuel Lift Pump and Relay
OBD II Symbol Description Notice
Handling ESD Sensitive Parts Notice
Cell 10: Ignition Switch and Fuse Block
Cell 81: Indicators
Handling ESD Sensitive Parts Notice
Cell 11: Gauges fuse
Cell 11: ECM-I fuse [L57]
Cell 14: G102 [Diesel L57]
Handling ESD Sensitive Parts Notice
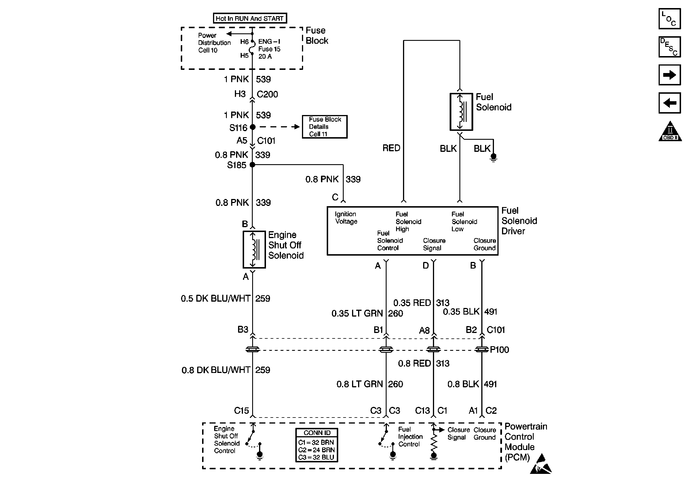
Figure 7:

Cell 23: Fuel Controls 3 -- Engine Shutoff Solenoid, Fuel Solenoid Driver


Object Number: 380041  Size: FS
Engine Controls Components L57 EFI
Fuel System Description EFI
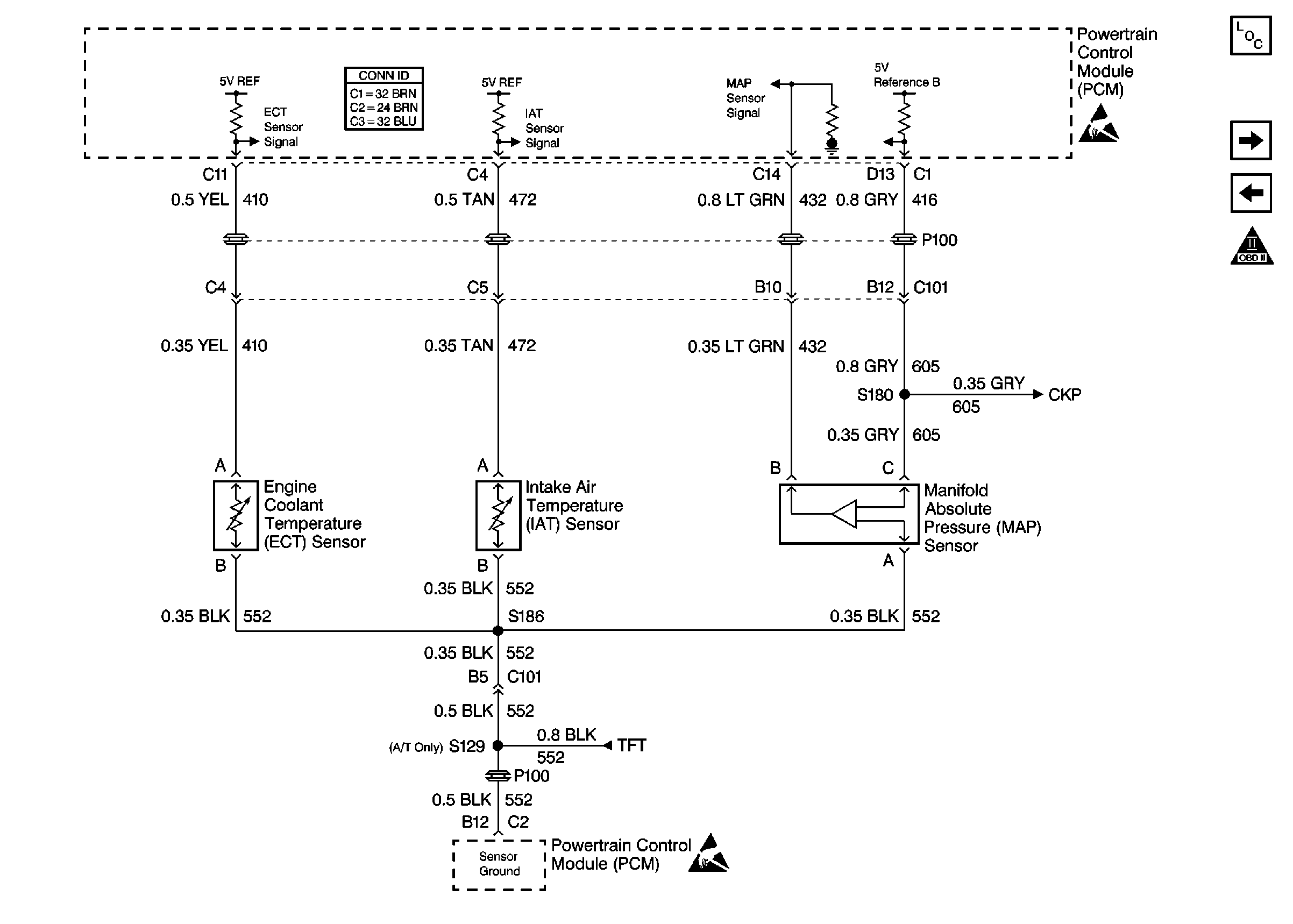
Cell 23: Engine Data Sensors 1 - ECT, IAT, MAP
Cell 23: Fuel Controls 2 - Fuel Heater, Temp. Sensor, Water in Fuel Sensor
OBD II Symbol Description Notice
Cell 10: Ignition Switch and Fuse Block
Cell 11: INSTR LPS, TRANS, and ENG-I fuses
Handling ESD Sensitive Parts Notice
Figure 8:

Cell 23: Engine Data Sensors 1 -- ECT, IAT, MAP


Object Number: 380043  Size: FS
Engine Controls Components L57 EFI
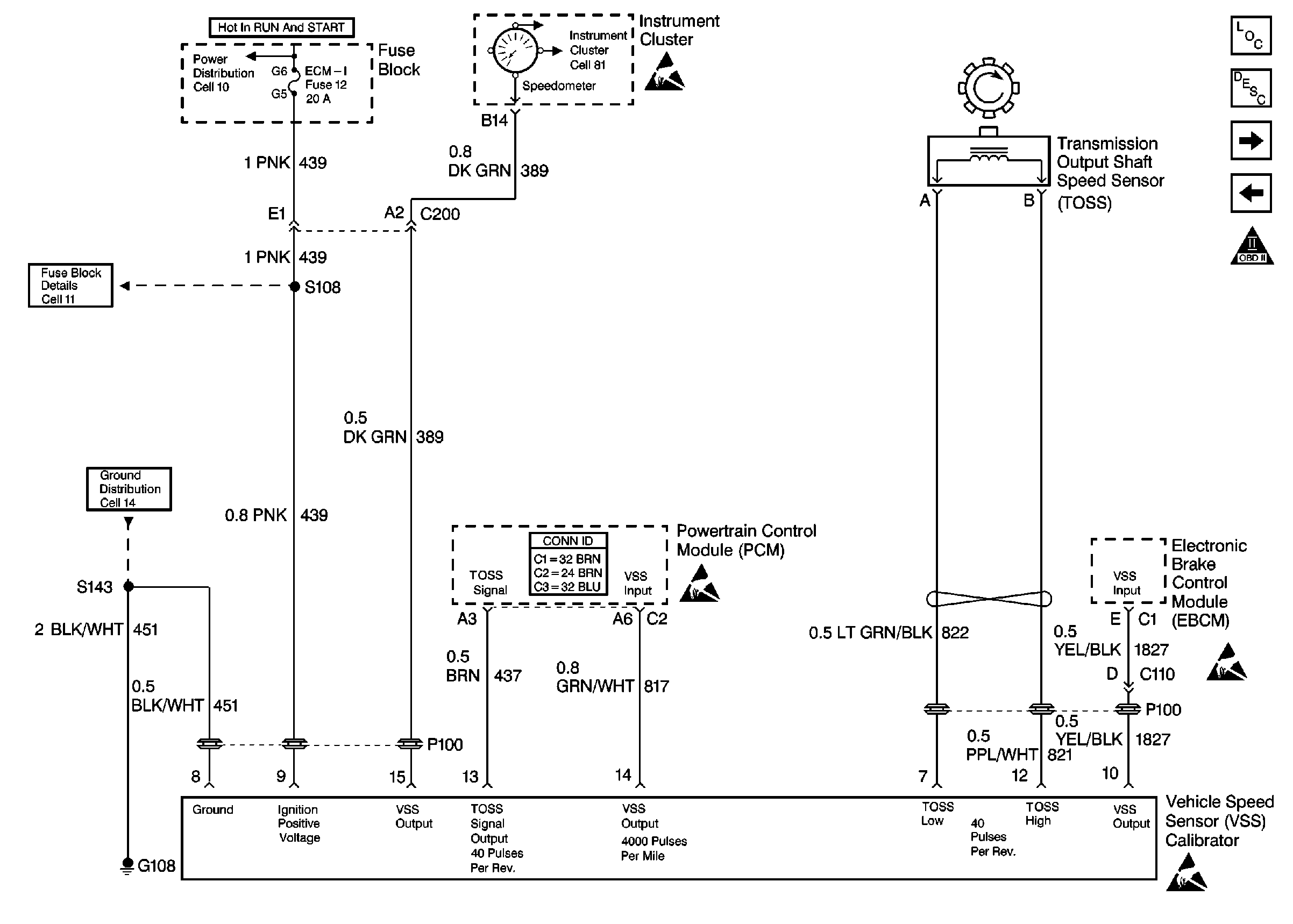
Cell 23: Engine Data Sensors 2 - VSS/TOSS Circuit Complete
Cell 23: Fuel Controls 3 - Engine Shutoff Solenoid, Fuel Solenoid Driver
OBD II Symbol Description Notice
Cell 23: Ignition System - CKP, Timing Stepper Motor
Cell 23: A/T Controls 2 - TR, TFT, TISS, PC Solenoid
Handling ESD Sensitive Parts Notice
Figure 9:

Cell 23: Engine Data Sensors 2 -- VSS/TOSS Circuit Complete


Object Number: 386856  Size: FS
Engine Controls Components L57 EFI
Information Sensors/Switches Description
Cell 23: Accelerator Pedal Position Sensor
Cell 23: Engine Data Sensors 1 - ECT, IAT, MAP
OBD II Symbol Description Notice
Cell 11: ECM-I fuse [L57]
Cell 10: Ignition Switch and Fuse Block
Cell 81: Gauges [L57]
Handling ESD Sensitive Parts Notice
Handling ESD Sensitive Parts Notice
Handling ESD Sensitive Parts Notice
Cell 14: G108 [L57]
Figure 10:

Cell 23: Accelerator Pedal Position Sensor


Object Number: 380044  Size: FS
Engine Controls Components L57 EFI
Accelerator Pedal Position Module Description EFI
Cell 23: A/T Controls 1 - Stoplamp/TCC Switch, Internal Solenoids
Cell 23: Engine Data Sensors 2 - VSS/TOSS Circuit Complete
OBD II Symbol Description Notice
Handling ESD Sensitive Parts Notice
Handling ESD Sensitive Parts Notice
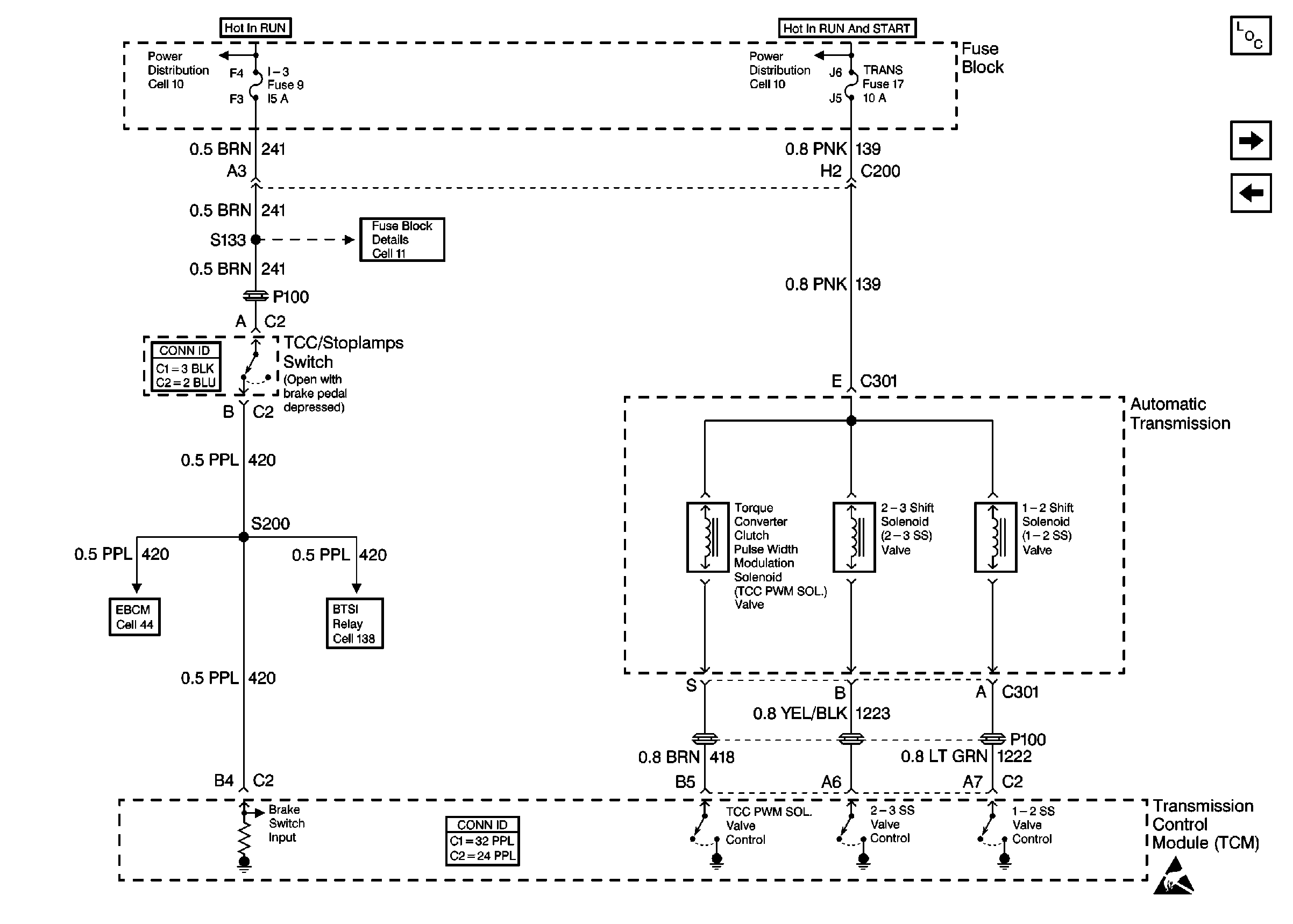
Figure 11:

Cell 23: A/T Controls 1 -- Stoplamp/TCC Switch, Internal Solenoids


Object Number: 386564  Size: FS
Engine Controls Components L57 EFI
Electronic Component Description
Cell 23: A/T Controls 2 - TR, TFT, TISS, PC Solenoid
Cell 23: Accelerator Pedal Position Sensor
OBD II Symbol Description Notice
Cell 44: Diesel, ABS Power and Grounding, DLC Output
Cell 10: Ignition Switch and Fuse Block
Cell 10: Ignition Switch and Fuse Block
Handling ESD Sensitive Parts Notice
Cell 138: P42 BTSI Circuit
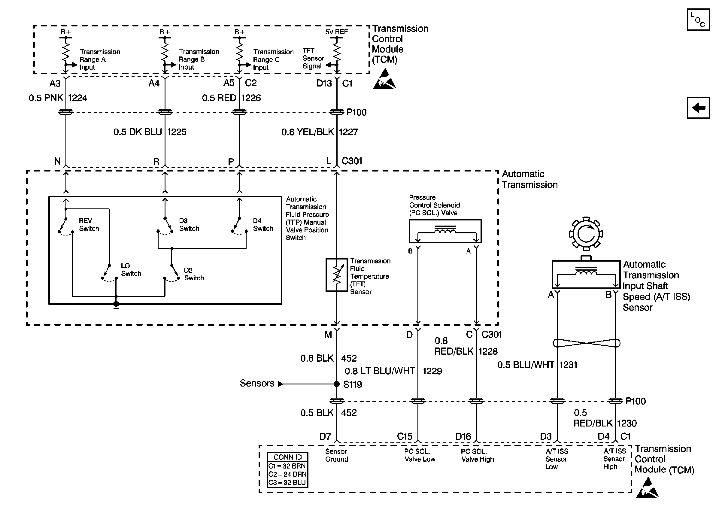
Figure 12:

Cell 23: A/T Controls 2 -- TR, TFT, TISS, PC Solenoid


Object Number: 380045  Size: FS
Engine Controls Components L57 EFI
Electronic Component Description
Cell 23: Air Conditioning Controls
Cell 23: A/T Controls 1 - Stoplamp/TCC Switch, Internal Solenoids
OBD II Symbol Description Notice
Handling ESD Sensitive Parts Notice
Handling ESD Sensitive Parts Notice
Figure 13:

Cell 23: Air Conditioning Controls


Object Number: 380047  Size: FS
Engine Controls Components L57 EFI
Relays and Sensors Description
Cell 23: A/T Controls 2 - TR, TFT, TISS, PC Solenoid
OBD II Symbol Description Notice
Cell 11: ECM-BAT and ENG-BAT fuses
Cell 10: Fuse Block and Headlamp Switch
Cell 10: Ignition Switch and Fuse Block
Cell 11: Gauges fuse
Handling ESD Sensitive Parts Notice
Cell 14: G200
Cell 14: S110 [L57]

Engine Controls Schematics Mechanical F. I.

Figure 1:

Cell 22: Glowplug Control


Object Number: 379537  Size: FS
Engine Controls Components L57 MFI
Glow Plug System Description MFI
Cell 22: Fuel Controls 1 - Fuel Pump Control
Cell 11: Gauges fuse
Cell 11: INSTR LPS, TRANS, and ENG-I fuses
Cell 14: S110 [L57]
Cell 14: G200
Cell 14: G102 [Diesel L57]
Starting System
Cell 22: Fuel Controls 2 - Fuel Heater, Water Sensor, Cold Advance
Figure 2:

Cell 22: Fuel Controls 1 -- Fuel Pump Control


Object Number: 379538  Size: FS
Engine Controls Components L57 MFI
Cell 22: Fuel Controls 2 - Fuel Heater, Water Sensor, Cold Advance
Cell 22: Glowplug Control
Cell 11: ECM-I fuse [L57]
Cell 14: G108 [L57]
Cell 14: G102 [Diesel L57]
Cell 22:A/T Controls 1 - Power and Grounding, DLC
Figure 3:

Cell 22: Fuel Controls 2 -- Fuel Heater, Water Sensor, Cold Advance


Object Number: 379539  Size: FS
Engine Controls Components L57 MFI
Cell 22: VSS Circuit
Cell 22: Fuel Controls 1 - Fuel Pump Control
Cell 11: Gauges fuse
Cell 11: INSTR LPS, TRANS, and ENG-I fuses
Cell 14: G102 [Diesel L57]
Starting System
Figure 4:

Cell 22: VSS Circuit


Object Number: 379542  Size: FS
Engine Controls Components L57 MFI
Cell 22:A/T Controls 1 - Power and Grounding, DLC
Cell 22: Fuel Controls 2 - Fuel Heater, Water Sensor, Cold Advance
Cell 11: ECM-I fuse [L57]
Handling ESD Sensitive Parts Notice
Handling ESD Sensitive Parts Notice
Handling ESD Sensitive Parts Notice
Cell 14: G108 [L57]
Figure 5:

Cell 22:A/T Controls 1 -- Power and Grounding, DLC


Object Number: 379543  Size: FS
Engine Controls Components L57 MFI
Cell 22: A/T Controls 2 - Transmission Data Sensors
Cell 22: VSS Circuit
Cell 11: ECM-I fuse [L57]
Cell 22: Fuel Controls 1 - Fuel Pump Control
Handling ESD Sensitive Parts Notice
Handling ESD Sensitive Parts Notice
Cell 14: G108 [L57]
Figure 6:

Cell 22: A/T Controls 2 -- Transmission Data Sensors


Object Number: 379540  Size: FS
Engine Controls Components L57 MFI
Cell 22:A/T Controls 3 - Internal Solenoids and Stoplamp Switch
Cell 22:A/T Controls 1 - Power and Grounding, DLC
Handling ESD Sensitive Parts Notice
Handling ESD Sensitive Parts Notice
Figure 7:

Cell 22:A/T Controls 3 -- Internal Solenoids and Stoplamp Switch


Object Number: 387336  Size: FS
Engine Controls Components L57 MFI
Cell 22:A/T Controls 4 - TR, TFT, TISS, and PC Solenoid Valve
Cell 22: A/T Controls 2 - Transmission Data Sensors
Cell 11: I-3, TURN-B/U, and HTR fuses, AUX CKT BRKR 13
Cell 44: Gas, ABS Power and Grounding, DLC Output
Cell 138: P42 BTSI Circuit
Handling ESD Sensitive Parts Notice
Figure 8:

Cell 22:A/T Controls 4 -- TR, TFT, TISS, and PC Solenoid Valve


Object Number: 379545  Size: FS
Engine Controls Components L57 MFI
Cell 22:A/T Controls 3 - Internal Solenoids and Stoplamp Switch
Handling ESD Sensitive Parts Notice
Handling ESD Sensitive Parts Notice