GM Service Manual Online
For 1990-2009 cars only
Makes
🢒
Chevrolet
🢒
2005
🢒
Cobalt
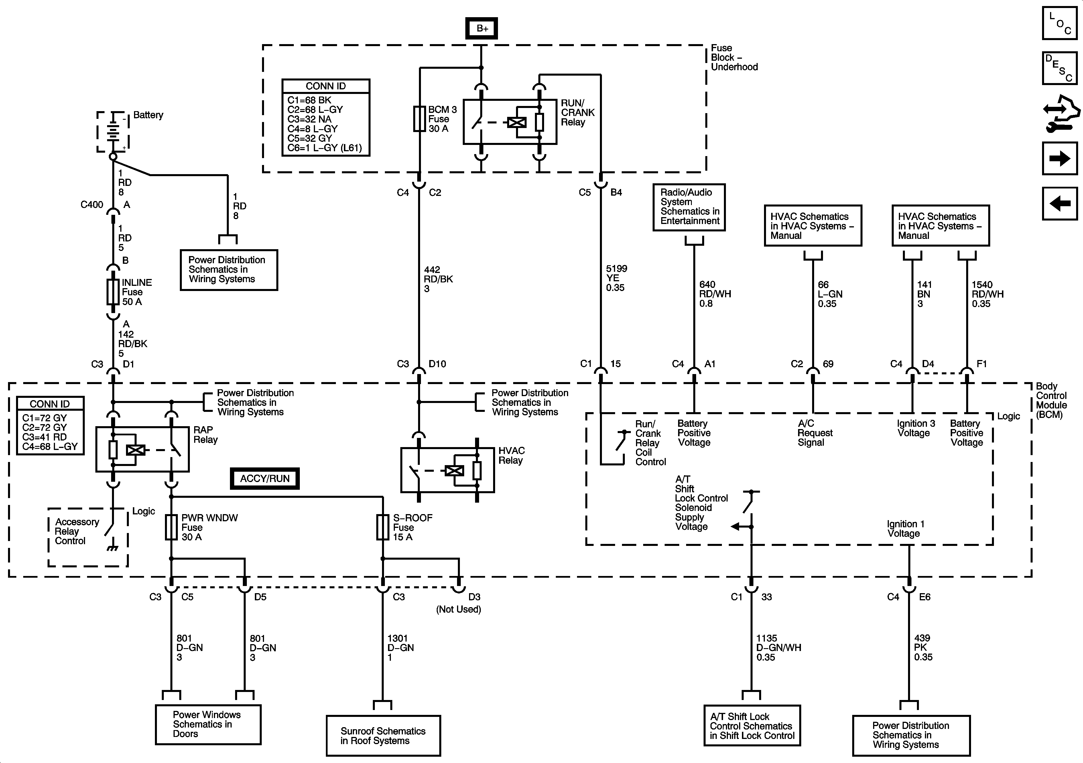
🢒 RUN/CRANK, RAP HVAC Relays, BCM 3, POWER WINDOWS, and SUNROOF Fuses
RUN/CRANK, RAP HVAC Relays, BCM 3, POWER WINDOWS, and SUNROOF Fuses
RUNCRANK, RAP, and HVAC Relays, BCM 3, PWR WINDOWS, and SUNROOF Fuses
Master Electrical Component List
Body Control System Description and Operation
Control Module References
ABS, Brake Warning, Cruise Control, Door Lock/Indicator, Engine Controls and Engine Cooling References
Power, Ground, Data Link and Engine References
CD and MP3 w/Amplifier - 2 of 2
Compressor Controls
Power, Ground and Blower Motor Controls
RDO Fuse, DR LCK Fuse, INT LIGHTS Fuse, PWR WNDW Fuse, S ROOF Fuse, ECM/TCM Fuse, SDM Fuse, RAP Relay, INTERIOR LAMPS PCB Relay, Door Lock PCB Relays
RUN/CRANK Relay, HVAC Relay, I/P IGN Fuse, BCM3 Fuse, WIPER Fuse, RESTRAINTS Fuse, EPS Fuse
Power Windows - Sedan
Power Sunroof
Shift LocK Controls
RUN/CRANK Relay, HVAC Relay, I/P IGN Fuse, BCM3 Fuse, WIPER Fuse, RESTRAINTS Fuse, EPS Fuse