GM Service Manual Online
For 1990-2009 cars only
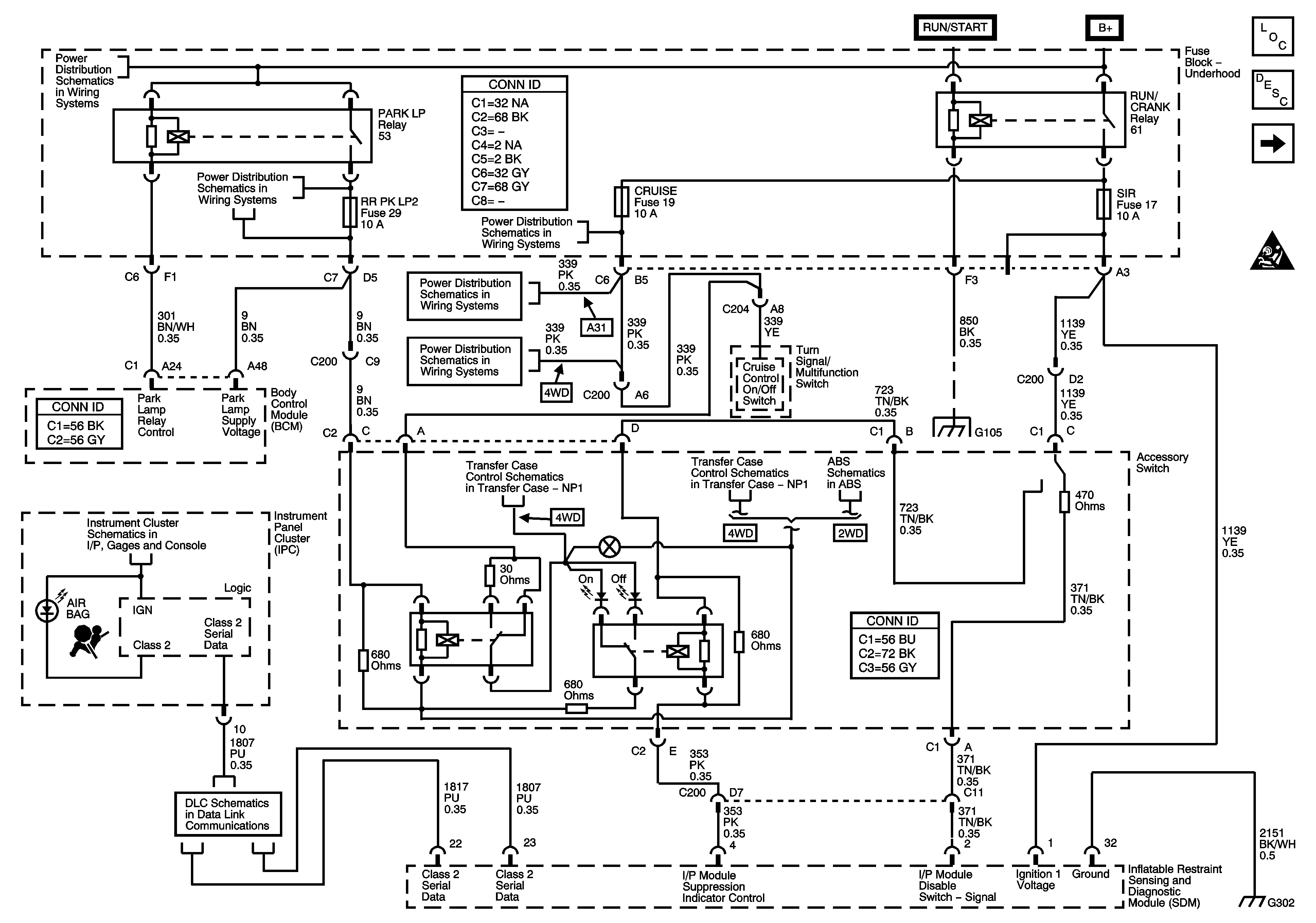
Figure 1:

Power, Ground, Serial Data, and Disable Switch


Object Number: 1285282  Size: FS
Master Electrical Component List
SIR System Description and Operation
Driver, and Passenger Inflatable Restraint Modules, and Sensors
SIR Caution for Zoning
B+ Bus - Underhood Fuse Block
FRT PARK LAMP, REAR PARK LAMP #1, and REAR PARK LAMP #2 Fuses
SIR, CRUISE/MISC, TRANS, BACK UP, and ABS Fuses
SIR, CRUISE/MISC, TRANS, BACK UP, and ABS Fuses
SIR, CRUISE/MISC, TRANS, BACK UP, and ABS Fuses
Indicators
Shift Control Switch Inputs
Shift Control Switch Inputs
ABS Traction Control
Data Link Connector (DLC) Schematics
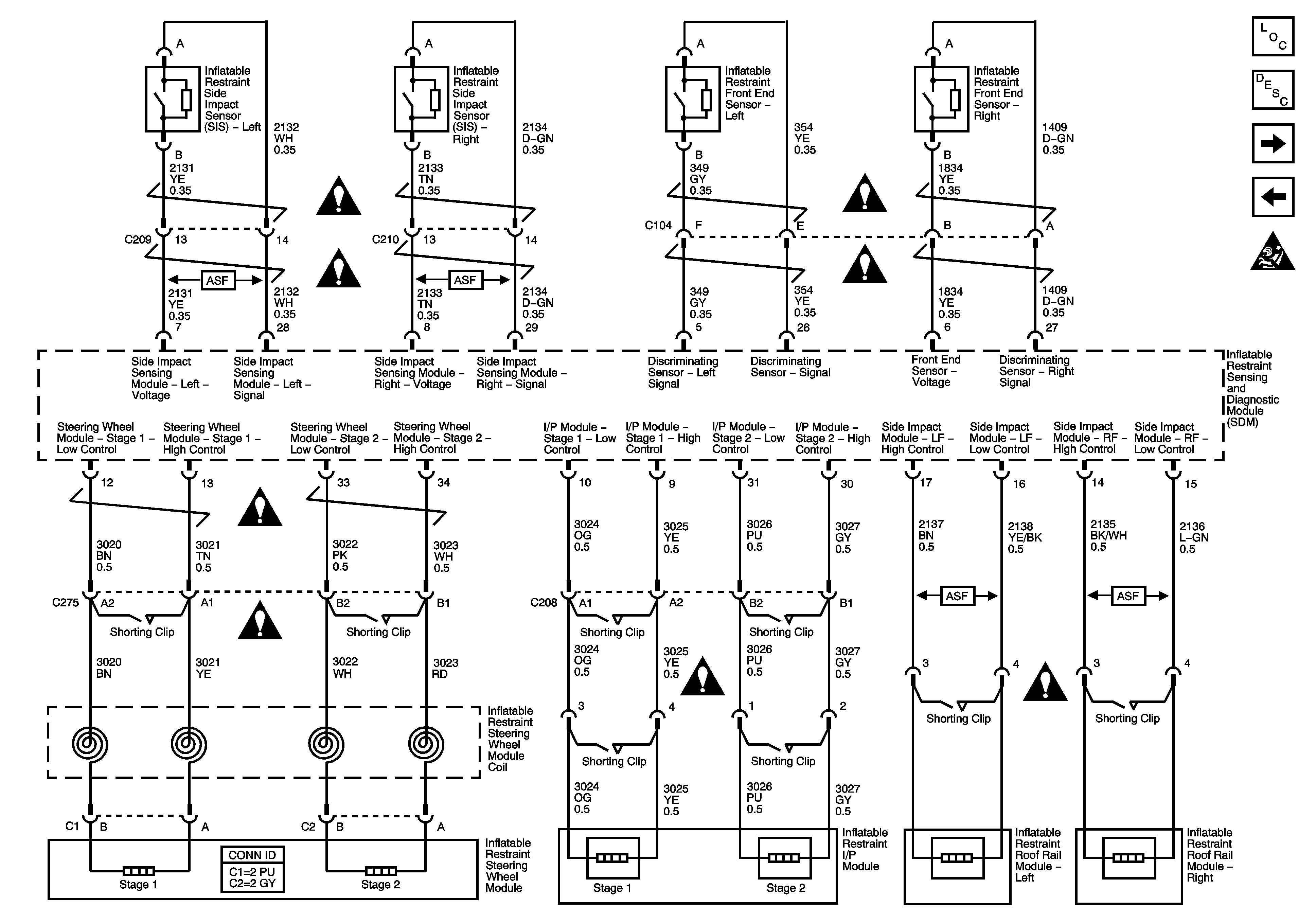
Figure 2:

Driver, and Passenger Inflatable Restraint Modules, and Sensors


Object Number: 1285287  Size: FS
Master Electrical Component List
SIR System Description and Operation
Seat Position Switches
Power, Ground, Serial Data, and Disable Switch
SIR Caution for Zoning
SIR Schematic Icons
SIR Schematic Icons
SIR Schematic Icons
SIR Schematic Icons
SIR Schematic Icons
SIR Schematic Icons
SIR Schematic Icons
SIR Schematic Icons
Figure 3:

Seat Position Switches, and Seat Belt Pretensioners


Object Number: 1285322  Size: FS
Master Electrical Component List
SIR System Description and Operation
Driver, and Passenger Inflatable Restraint Modules, and Sensors
SIR Caution for Zoning
SIR Schematic Icons