GM Service Manual Online
For 1990-2009 cars only
Makes
🢒
Chevrolet
🢒
2005
🢒
Colorado Pickup - 2WD
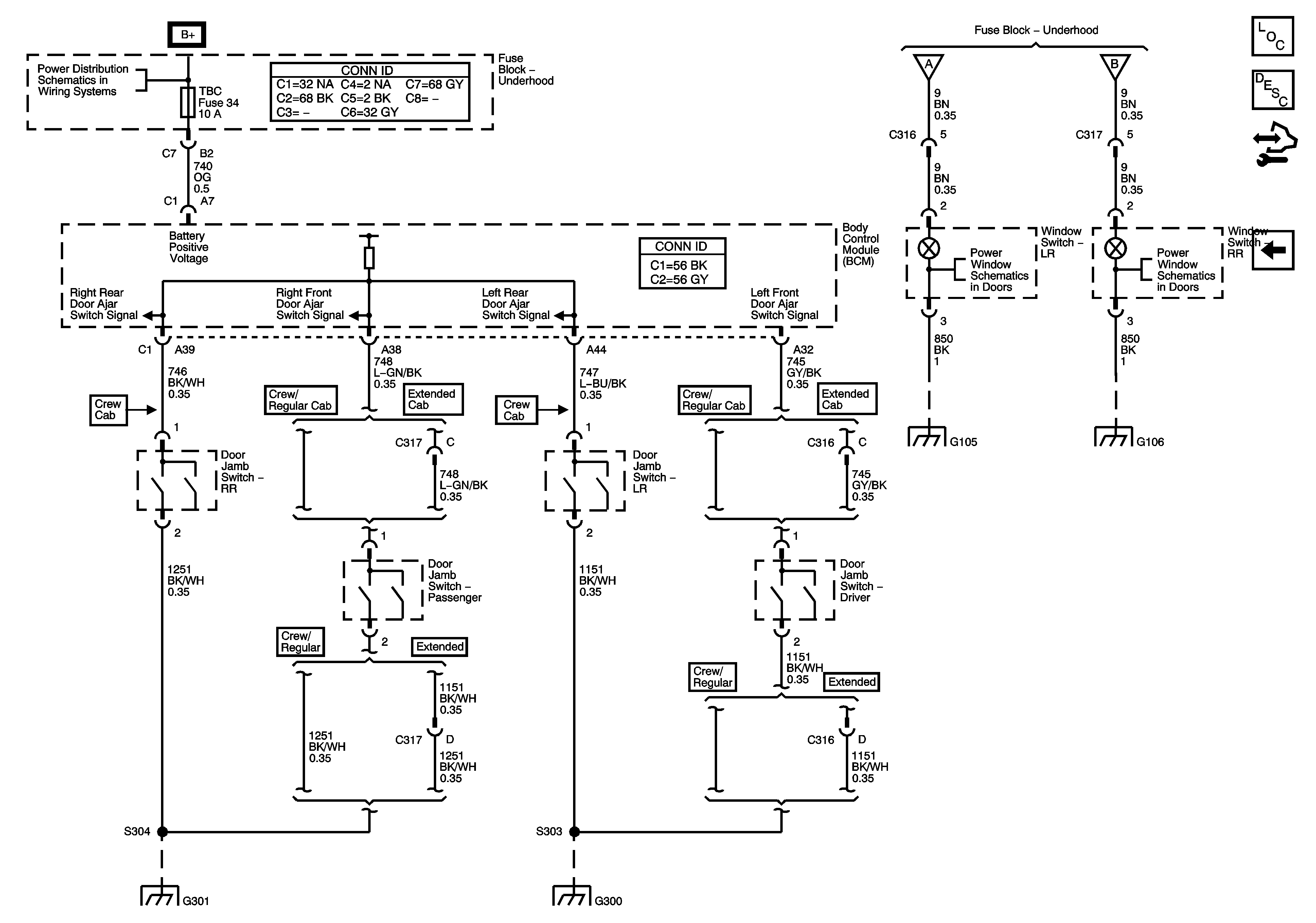
🢒 Door Jamb Switch
Door Jamb Switch
Door Jamb Switches
Master Electrical Component List
Interior Lighting Systems Description and Operation
Body Control Module (BCM) Programming/RPO Configuration
Door Lock, Window Switches, and Outside Rearview Mirror Switches
B+ Bus - Underhood Fuse Block
Door Lock, Window Switches, and Outside Rearview Mirror Switches
Rear Doors - Crew Cab
Splice Pack SP105 and G105 - 1 of 2
Rear Doors - Crew Cab
Splice Pack SP106 and G106 - 1 of 2
Splice Pack SP105 and G105 - 1 of 2
G300, G301, G302, and G303