GM Service Manual Online
For 1990-2009 cars only
Makes
🢒
Chevrolet
🢒
2000
🢒
Corvette
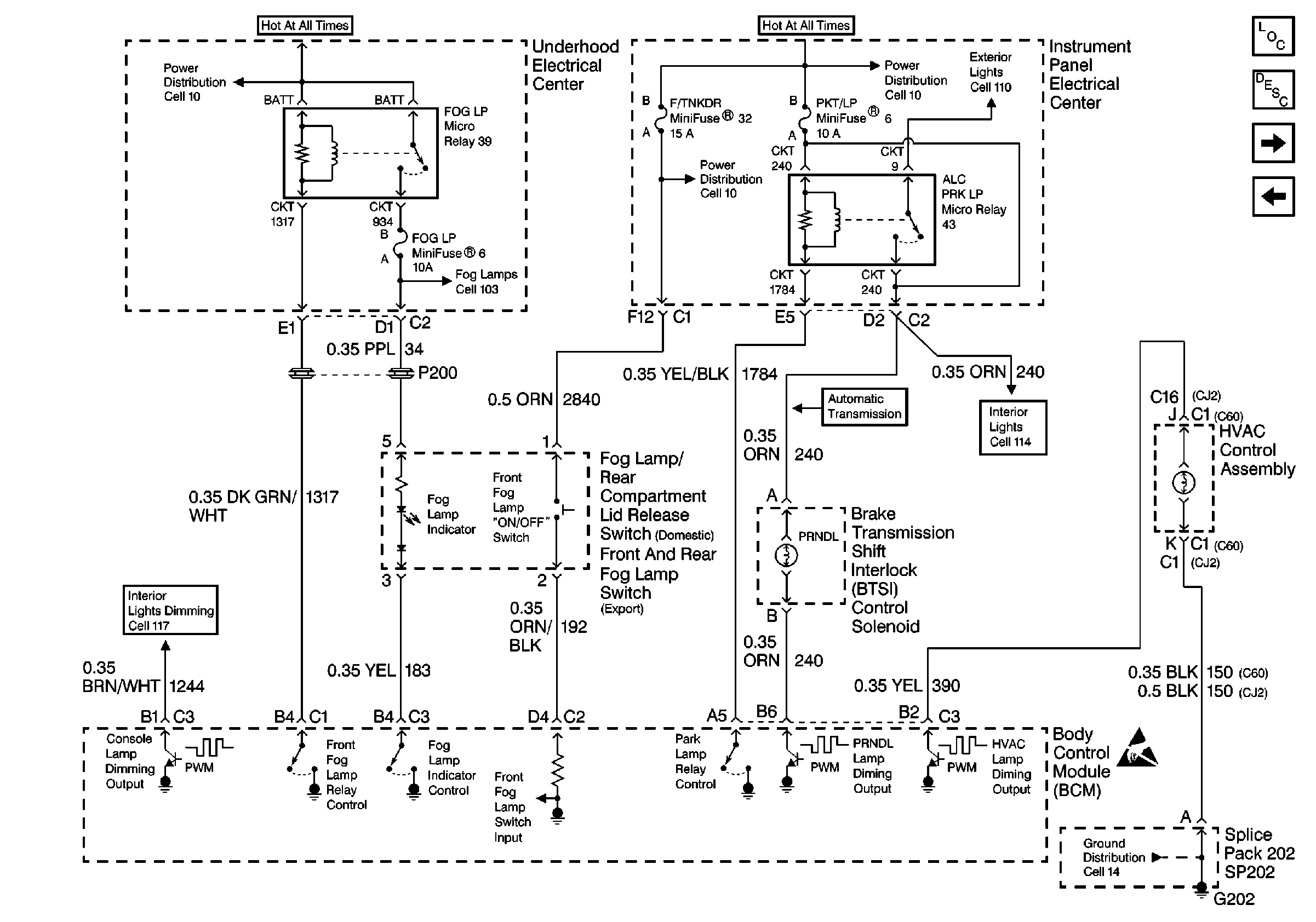
🢒 Cell 51: Fog Lamp Circuit and ALC PRK LP Relay
Cell 51: Fog Lamp Circuit and ALC PRK LP Relay
Cell 51: Fog Lamp Circuit and ALC PRK LP Relay
Body Control Module Components
Body Control System Description
Cell 51: Fuel Door and Hatch Control
Cell 51: Hood Ajar Indicator Switch
Cell 10: U/H Fuses 49, 11, 6, 2, Relays 45, 36, 39, 38
Cell 10: U/H Fuses 49, 11, 6, 2, Relays 45, 36, 39, 38
Cell 10: I/P Fuses 32, 26, Relay 39
Cell 10: I/P Fuses 52, 6, Relays 43, 44, Circuit Breaker 54
Cell 110: ALC PRK LP Relay
Cell 114: MONITORED LD Relay Control
Cell 117: Miscellaneous Dimming Control
Handling ESD Sensitive Parts Notice
Cell 14: SP202, G202